N7201A587C.pdf - 第103页
NPM-D3 EJM6DC-MB-02O-02 第 1 阶层 第 2 阶层 第 3 阶层 第 4 阶层 2-2-2 -2 部材準備 显示各吸嘴位置的机器数据。 吸嘴 确认供料器状态。 供料器 进行转印单元的操作。 ( 搭载转印单元时会显示 ) 用颜色来显示生产数据和供料器状态 。 根据各供料器地址来确认生产中的吸 着位置学习后的补正值。 确认托盘状态。 托盘 用颜色来显示生产数据和托盘状态。 根据各供料器地址来确认生产中的吸 着位置学习…

NPM-D3 EJM6DC-MB-02O-02
第1阶层 第2阶层 第3阶层 第4阶层
2-2-2-1
操作员模式 1
各部位
名称
菜单构成 1
生产菜单
(生产前)
生产开始
开始自动生产。
为了调试机器,暂时变更操作环境。
生产菜单
(生产中)
余数监视器
确认生产线上的各工作台的元件用完信息。
确认吸着状況。
吸着监视器
状況监视器
显示运转中的生产信息,零部件用完信息,以及其他的各类信息。
准备菜单
连续准备
管理各工序生产前的个别准备作业。
读入机器数据、保存机器参数等文件操作。
文件操作
检查监视器
显示运转中的检查状况。
主菜单
变更操作模式。
变更操作模式
操作篇
2-2-2

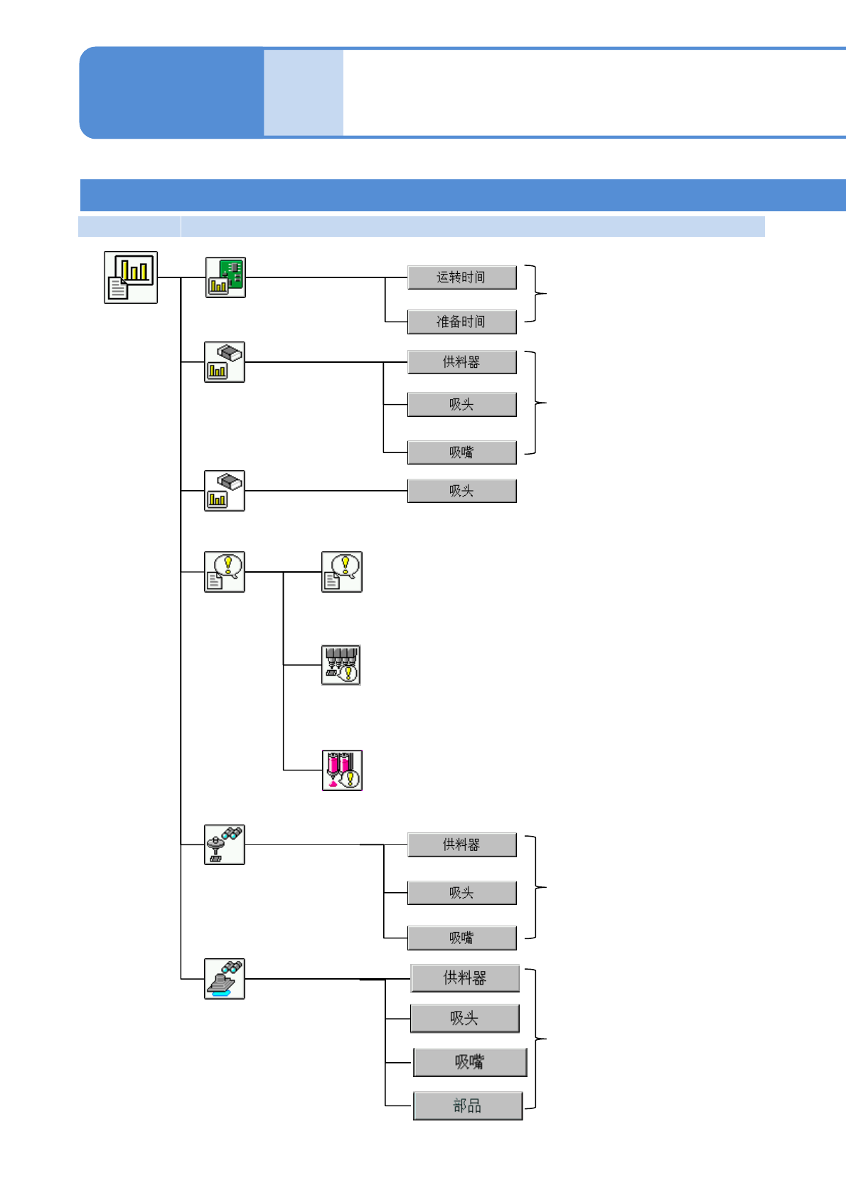
NPM-D3 EJM6DC-MB-02O-02
第1阶层 第2阶层 第3阶层 第4阶层
2-2-2-2
部材準備
显示各吸嘴位置的机器数据。
吸嘴
确认供料器状态。
供料器
进行转印单元的操作。
(搭载转印单元时会显示)
用颜色来显示生产数据和供料器状态。
根据各供料器地址来确认生产中的吸
着位置学习后的补正值。
确认托盘状态。
托盘
用颜色来显示生产数据和托盘状态。
根据各供料器地址来确认生产中的吸
着位置学习后的补正值。
传送带
进行基板支撑销单元的更换动作。
显示基板位置,从各位置进行传送。
调整轨道宽度。
事先计算生产计划所需的元件消耗量。
生产计划
更换点胶嘴(包括点胶器)。
点胶嘴(点胶头)
进行支撑销(自动更换用)的位置、数
量的确认。(支撑销自动更换规格时会
显示。)

NPM-D3 EJM6DC-MB-02O-02
第1阶层 第2阶层 第3阶层 第4阶层
2-2-2-3
菜单构成 2
操作员模式 2
各部位
名称
显示各基台的运转时间的信息。
运转信息
吸着情報
显示有关元件的吸着信息。
有关紧急停止错误的信息,按照时间的最新顺序可以
最多显示20件。
停止履历
有关自动运转中发生的真空传感器错误的信息,
显示最新的50件。
履历
真空传感器错误履历
显示有关元件的吸着信息。
吸着监视器
显示自动运转中发生的试点胶识别错误信息、显示最新的
50件。
试点胶识别错误履历
显示元件检查信息。
检查信息
点胶信息
显示点胶(包含试贴)的信息。
生产信息
菜单
操作篇
2-2-2