N7201A587C.pdf - 第109页
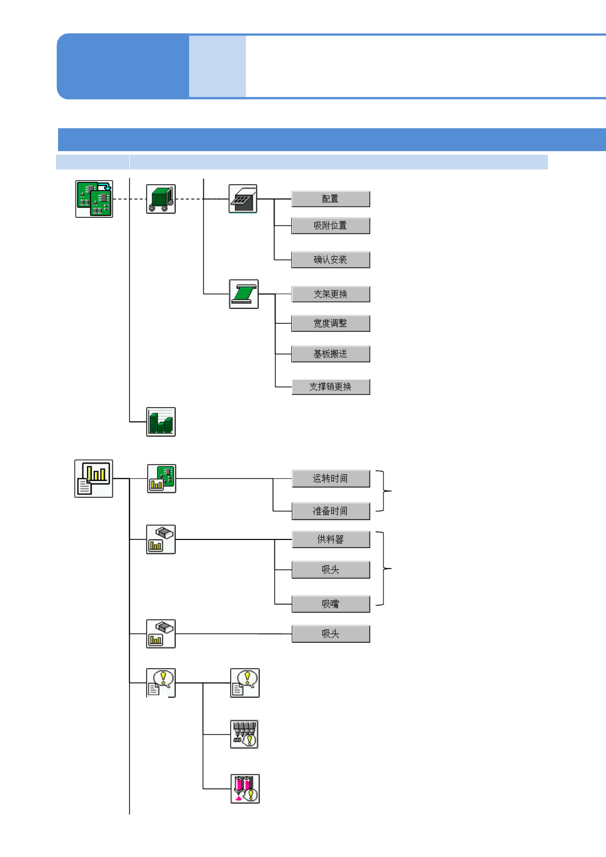
NPM-D3 EJM6DC-MB-02O-0 2 第 1 阶层 第 2 阶层 第 3 阶层 第 4 阶层 2-2-2 -8 显示有关元件的吸着信息。 吸着监视器 传送带 更换消磨零件 定期检查 确认各周期的检查项目和操作履历。 显示消磨零件的更换信息。 维护菜单 XY 单元 进行 XY 单元的维护作业。 贴装头 进行贴装头的维护作业。 进行基板传送的维护作业。 维护作业 托盘 进行托盘供料器的维护作业。 ( 设置托盘供料器时显示 ) 精…

NPM-D3 EJM6DC-MB-02O-02
第1阶层 第2阶层 第3阶层 第4阶层
2-2-2-7
菜单构成 4
工程师模式 2
确认托盘状态。
托盘
用颜色来显示生产数据和托盘状态。
根据各供料器地址来确认生产中的吸
着位置学习后的补正值。
准备菜单 准备零部件
传送带
进行基板支撑销单元的更换动作。
显示基板位置,从各位置进行传送。
调整轨道宽度。
事先计算生产计划所需的元件消耗量。
生产计划
显示各基台的运转时间的信息。
运转信息
吸着情報
显示有关元件的吸着信息。
有关紧急停止错误的信息,按照时间的最新顺序可以
最多显示20件。
停止履历
有关自动运转中发生的真空传感器错误的信息,
显示最新的50件。
履历
真空传感器错误履历
生产信息
菜单
显示自动运转中发生的试点胶识别错误信息,
显示最新的50件。
试点胶识别错误履历(点胶头)
进行支撑销(自动更换用)的位置、数
量的确认。(支撑销自动更换规格时会
显示。)
显示点胶(包含试贴)信息。
点胶信息
各部位
名称
操作篇
2-2-2

NPM-D3 EJM6DC-MB-02O-02
第1阶层 第2阶层 第3阶层 第4阶层
2-2-2-8
显示有关元件的吸着信息。
吸着监视器
传送带
更换消磨零件
定期检查
确认各周期的检查项目和操作履历。
显示消磨零件的更换信息。
维护菜单
XY单元
进行XY单元的维护作业。
贴装头
进行贴装头的维护作业。
进行基板传送的维护作业。
维护作业
托盘
进行托盘供料器的维护作业。
(设置托盘供料器时显示)
精度验证结果
显示精度验证结果。
显示元件的检查信息。
检查信息
点胶嘴(点胶头)
进行点胶头的维护作业。
(安装有点胶头时会显示。)

NPM-D3 EJM6DC-MB-02O-02
第1阶层 第2阶层 第3阶层 第4阶层
2-2-2-9
工程师模式 3
各部位
名称
菜单构成 5
実装データを確認、修正する。
基板
供料器
生产数据
菜单
修改
托盘
确认、修改基板数据。
确认、修改基板弯曲数据。
确认、修改基板识别数据。
设定供料器的状态。
设定托盘板的状态。
输入、修改元件形状的数据。
输入、修改元件形状的数据。
输入、修改贴装条件的数据。
输入、修改贴装条件的数据。
输入、修改有关托盘尺寸及
间距等数据。
图案
确认、修改图案属性的数据。
确认、修改组属性的数据。
贴装
确认、修改生产数据。
点胶
(点胶头)
确认在工作台上所使用的元件名单。
确认有关在工作台上所使用的元件形
状的数据。
输入、修改工作台上所使用的元件点
胶条件的数据。
确认、修改支撑销(自动更换用)的数
据。
操作篇
2-2-2