JUKI-RX-7使用说明书.pdf - 第440页
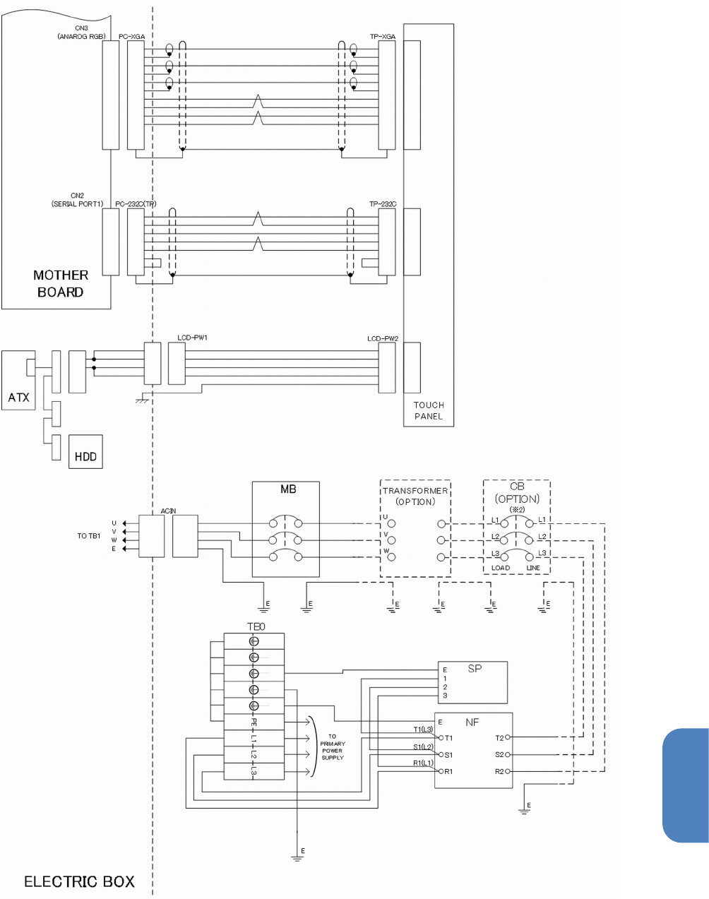
第 6 章 附录 6- 5. 电器装置简图 6- 5. 电器装置简图 14

第 6 章 附录
6-4.
词汇表
6
区块
多面基板的一部分称为区块。预先输入 1 处区块的安装数据后,可利用 DAS,自动生成与同一基板
中相同模式的多个区块对应的安装数据。
安装步骤数据
输入自动生产时各个安装步骤的信息。通过示教进行修正。一个步骤信息中包括安装于基板上某个
位置的零件名称及其供给部的位置,所安装基板上的位置,零件方向,使用的吸附吸嘴,安装顺序
等。
未吸附错误
吸附零件时,由于某些原因导致吸嘴未吸附到零件,吸嘴上没有零件的状态。
补料次数
连续发生未吸附或立式吸附等吸附失败时,发生错误前的次数。未吸附时发生零件缺料错误,吸附
错误时发生带式供料器不良错误。设定范围为 0~9 之间,如果设定为 0,则每次发生错误时停止。
13

第 6 章 附录
6-5.
电器装置简图
6-5. 电器装置简图
14

第 6 章 附录
6-5.
电器装置简图
6
15