JUKI-RX-7使用说明书.pdf - 第445页
第 6 章 附录 6- 6. 空气流动概要图 6 • 搬送部周边多支 管 • 吸嘴头部 19

第 6 章 附录
6-6.
空气流动概要图
6-6. 空气流动概要图
•
整机示意图
18

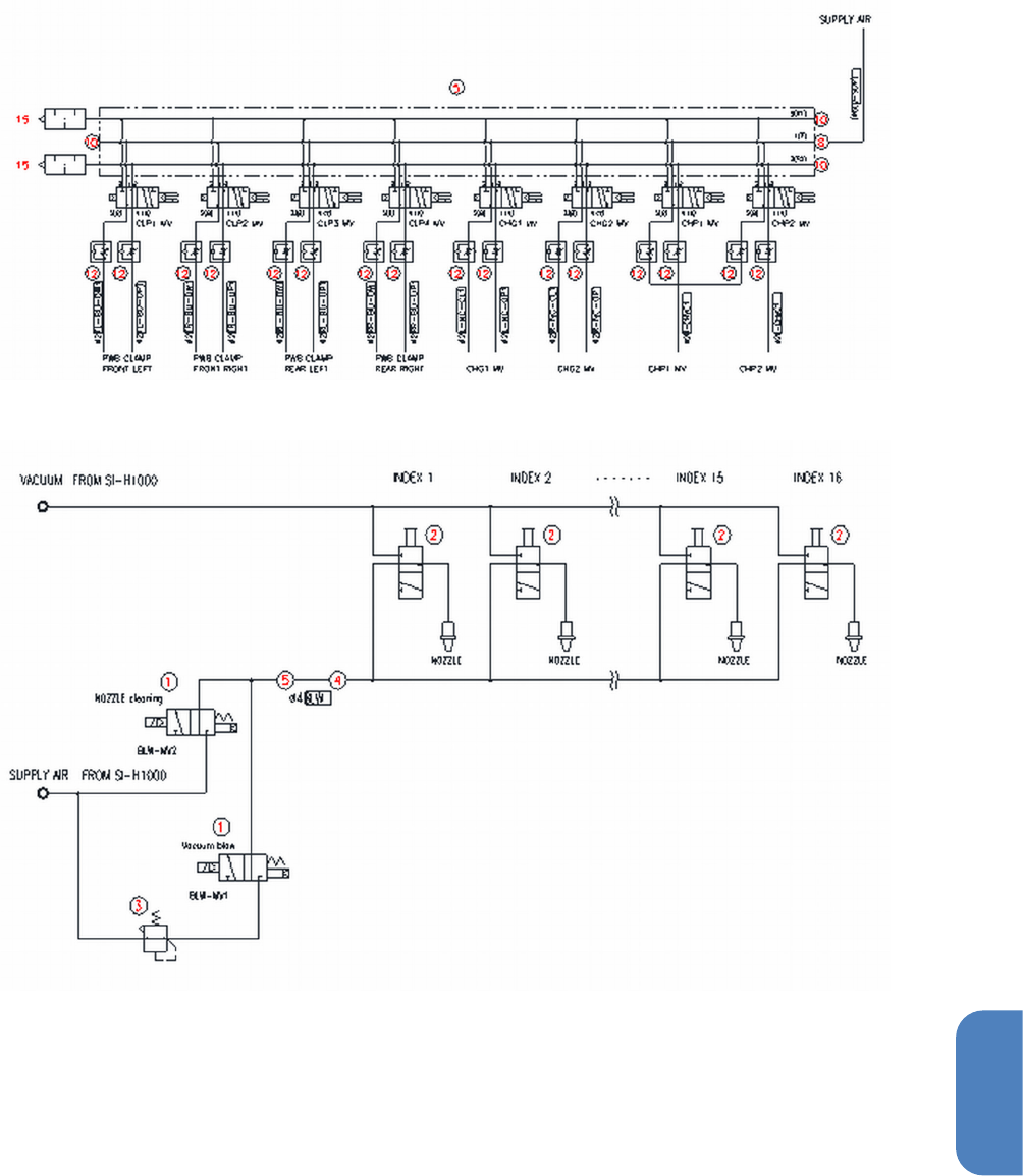
第 6 章 附录
6-6.
空气流动概要图
6
•
搬送部周边多支管
•
吸嘴头部
19

第 6 章 附录
6-6.
空气流动概要图
•
搬送部周边
20
第 6 章 附录 6- 6. 空气流动概要图 6 • 搬送部周边多支 管 • 吸嘴头部 19


