文档中心
/
JUKI-RX-7使用说明书.pdf
JUKI-RX-7使用说明书.pdf - 第443页
第 6 章 附录 6- 5. 电器装置简图 6 17
目录
100%
显示:宽度
宽度
1 / 448
回到旧版
旧版
?
第
6
章
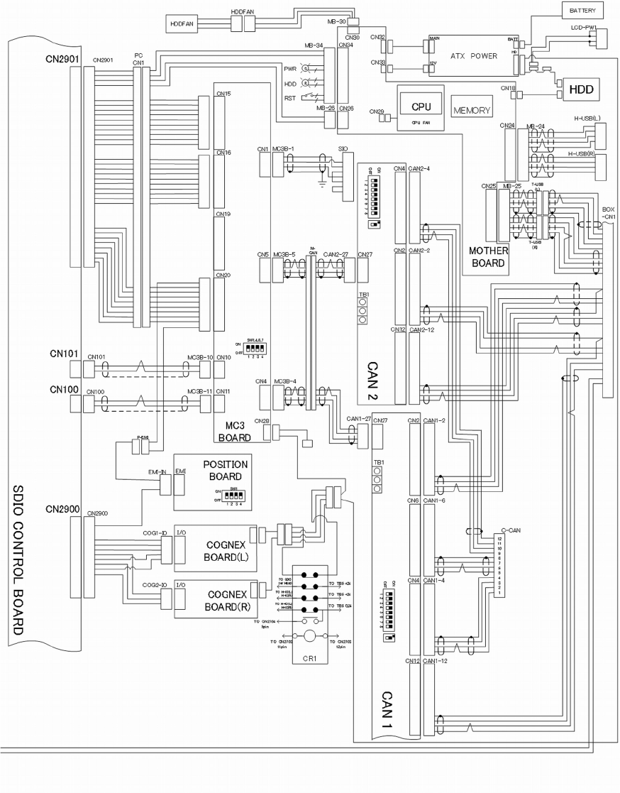
附录
6-
5.
电器装置简图
16
第
6
章
附录
6-
5.
电器装置简图
6
17
第
6
章
附录
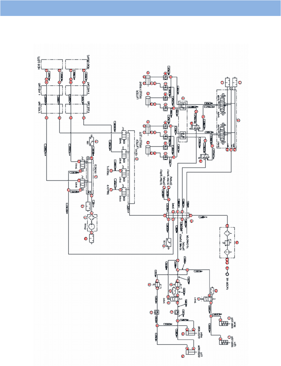
6-
6.
空气流动概要图
6-
6.
空气流动概要图
•
整机示意图
18
该页面需要启用 JavaScript 才能进行交互式预览。