JUKI-RX-7使用说明书.pdf - 第448页
制造商 咨询处 2- 11 - 1, T sur um aki, T ama - shi, T ok yo 20 6 - 8551, JAP AN PHO NE: 81 - 42 - 357 - 2293 F AX: 81 - 42 - 357 - 2285 http://www .juki.co.jp/ Copyright © 20 13 JUKI CORPORATION 未经许可,严禁擅自 转载、复制本说明书 内容 。 规 格、外 …

第 6 章 附录
6-6.
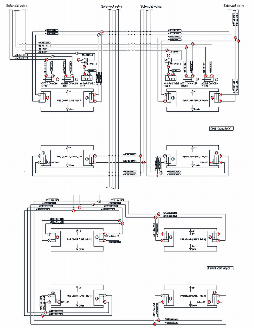
空气流动概要图
•
搬送部周边
20

◆ 修订履历
改版
日期
修订页
修订内容
备注
00 2013.11
初版

制造商
咨询处
2-11-1, Tsurumaki, Tama-shi, Tokyo 206-8551, JAPAN
PHONE: 81-42-357-2293 FAX: 81-42-357-2285
http://www.juki.co.jp/
Copyright © 2013 JUKI CORPORATION
未经许可,严禁擅自转载、复制本说明书内容。 规格、外观等如有变更,恕不另行通告。
All rights reserved throughout the world.
2013. 11 Printed in Japan