NXT 机械手册.pdf - 第229页
QD029-26 6. 预防保养 NXT 机械手册 209 14.再次擦去从滚珠丝 杆·LM 导轨渗出的 润滑油。 XS 轴的加油 15.请用清洁的布,擦 去 XS 轴齿轮 (6) 的 污垢。 16.取 1.4cc 的 M obilith SHC100 到刷子上。 17.用刷子将润滑油均 匀地涂敷到 X 轴 齿轮 (6) 上。 18.请用清洁的布,擦 去 XS 轴滚珠丝杆 (7) 的污垢。 19.同样,擦去 XS 轴 LM 导轨 的污垢…

6. 预防保养 QD029-26
208 NXT 机械手册
〈M3(S) 模组时〉
备注 )FUJI 润滑油枪的润滑油一次喷射量是 0.6cc,请作为加油量的大致标准。
1. 拉出模组。(参考 " 5.1 模组的拉出 / 插入 ")
2. 将主电源 OFF。
3. 拆下 X 轴齿轮罩和 XS 轴齿轮罩。
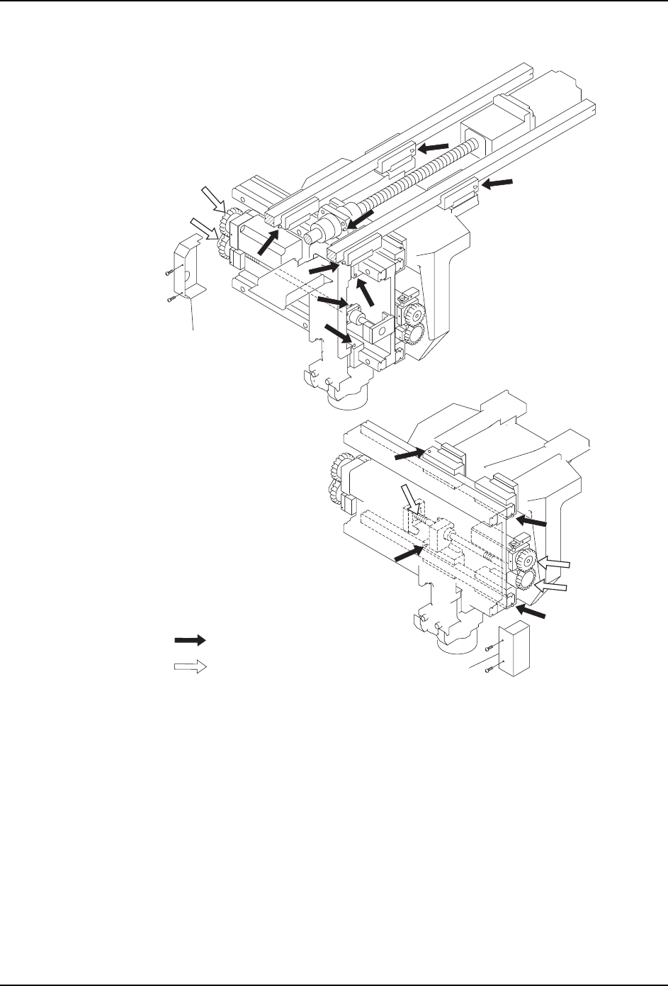
X 轴的加油
4. 请用清洁的布,擦去 X 轴齿轮 (1) 的污垢。
5. 取 1.76cc 的 Mobilith SHC100 到刷子上。
6. 用刷子将润滑油均匀地涂敷到 X 轴齿轮 (1) 上。
7. 请用清洁的布,擦去 X 轴滚珠丝杆的污垢。
8. 同样,擦去X轴LM导轨的污垢。
9. 请使用润滑油枪将 X 轴滚珠丝杆的油嘴 (1) 加 0.24cc 的 NS7 或者 SRL。
10.用清洁的布,擦去渗出的多余润滑油。
11.请使用润滑油枪将 X 轴 LM 导轨的油嘴 (2) 各加 1.2cc 的 Daphne Eponex No.2。
12.用清洁的布,擦去渗出的多余润滑油。
13.用手动将贴装工作头 (X 轴单元 ) 进行 1 次全程往复,使润滑油循环。
润滑油 加油处 加油量 (cc)
Mobilith SHC100(Mobil) (1) X 轴齿轮 1.76
(6) XS 轴齿轮 1.4
NS7(NSK) 或者 MultempSRL( 协同油脂 ) (2) X 轴滚珠丝杆 0.24
(4) Y 轴滚珠丝杆 0.81
(7) XS 轴滚珠丝杆 0.09
Daphne Eponex No.2 (出光) (3) X 轴 LM 导轨 1.02
(5) Y 轴 LM 导轨 0.9
(8) XS 轴 LM 导轨 0.9
注意
将 XY 机械手用手进行移动时,请抓住框架部分。抓住贴装工作头主体或者手柄时,请
不要对工作头施加压力。
请不要按压X轴X齿轮盖罩。齿轮盖罩有可能变形。

QD029-26 6. 预防保养
NXT 机械手册 209
14.再次擦去从滚珠丝杆·LM 导轨渗出的润滑油。
XS 轴的加油
15.请用清洁的布,擦去 XS 轴齿轮 (6) 的污垢。
16.取 1.4cc 的 Mobilith SHC100 到刷子上。
17.用刷子将润滑油均匀地涂敷到 X 轴齿轮 (6) 上。
18.请用清洁的布,擦去 XS 轴滚珠丝杆 (7) 的污垢。
19.同样,擦去 XS 轴 LM 导轨的污垢。
20.取润滑油枪的 1 次喷射量的指定润滑油到毛刷上。
21.请用毛刷建均匀地涂敷润滑油到 XS 轴滚珠丝杆 (7) 上。
22.使用润滑油枪,用指定的润滑油给 XS 轴 LM 导轨的油嘴 (8) 加 1.2cc 的 Daphne Eponex
No.2。
1;7%$66F
Փ⫼⍺⒥⊍ᵾ
⍖ᭋ
;䕈ˈ<䕈
;䕈啓䕂㔽
;6䕈
;6䕈啓䕂㔽

6. 预防保养 QD029-26
210 NXT 机械手册
23.用清洁的布,擦去渗出的多余润滑油。
24.用手动将 XS 轴单元进行 1 次全程往复,使润滑油循环。
25.再次擦去从滚珠丝杆·LM 导轨渗出的润滑油。
Y 轴的加油
26.用清洁的布,擦去 Y 轴滚珠丝杆的污垢。
27.同样,擦去 Y 轴 LM 导轨的污垢。
28.请使用润滑油枪将 Y 轴滚珠丝杆的油嘴 (4) 加 0.81cc 的 NS7 或者 SRL。
29.用清洁的布,擦去渗出的多余润滑油。
30.请使用润滑油枪将 Y 轴 LM 导轨的油嘴 (5) 加 0.9cc 的 Daphne Eponex No.2。
31.用清洁的布,擦去渗出的多余润滑油。
32.用手动将 Y 轴单元进行 1 次全程往复,使润滑油循环。
33.再次擦去从滚珠丝杆·LM 导轨渗出的润滑油。
34.最后安装 X 轴齿润盖罩和 XS 轴齿润盖罩。
35.插入模组。(参考 " 5.1 模组的拉出 / 插入 ")
注意
将 XY 机械手用手进行移动时,请抓住框架部分。抓住贴装工作头主体或者手柄时,请
不要对工作头施加压力。
请不要按压X轴X齿轮盖罩。齿轮盖罩有可能变形。
注意
将 XY 机械手用手进行移动时,请抓住框架部分。抓住贴装工作头主体或者手柄时,请
不要对工作头施加压力。
请不要按压X轴X齿轮盖罩。齿轮盖罩有可能变形。