文档中心
/
RX-8_说明书(1).pdf
RX-8_说明书(1).pdf - 第685页
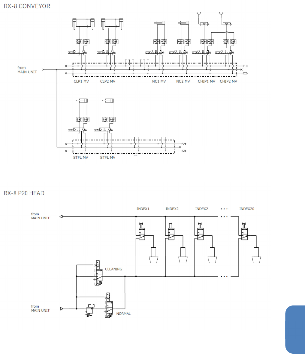
第 6 章 附录 6-5. 空气流动概要图 15 6 • 传送部周边多 支管 • 高速贴片头部
目录
100%
显示:宽度
宽度
1 / 690
回到旧版
旧版
?
第
6
章
附录
6-5.
空气流动概要图
14
6-5.
空气流动概要图
•
整机示意图
第
6
章
附录
6-5.
空气流动概要图
15
6
•
传送部周边多
支管
•
高速贴片头部
该页面需要启用 JavaScript 才能进行交互式预览。