RX-6_维修调整要领书.pdf - 第151页
维修调整要领书 11 -4 11 - 3 外 罩开关 的 更换 1) 请从转接连接器上拔下①开外罩的开关连接器。 2) 切断束线带,拆下 M4 螺栓,更换①外罩的开关主体。 3) 安装时,请按逆向步骤进行。 ※ 安装后,请确认安装在安全护罩上的②安全开关钥匙是否正确地插在护罩开关上。 这个安全开关钥匙事关 安全 ,使 用 特殊螺丝 ( 钥匙螺丝 ) 不易拆卸 。 要调整时必须使用专用的扳手 ( 六角扳手 (40080491)) 。 ① …

维修调整要领书
11-3
11-2
紧急停止开关的更换
1) 紧急停止开关的拆卸方法:先确认操作单元按钮没有被按下,再拆下手把制动器,扳倒锁把解
锁后,即可从操作部把接触单元卸下,请把锁紧的螺母拧松,卸下操作部。
2) 卸下电缆,更换开关。
(仅更换开关时为 HA006490000。)
3) 安装方法:拆下锁定螺母,确认橡皮垫圈正常安装后,将操作部从面板前面穿过面板孔。 使
操作单元的 TOP 标记朝正上方,拧紧锁定螺母。
再安装接触单元,提起锁定杆锁定,安装好拉杆制动器。
4) 如果是 EN 规格机型,请插入开关固定螺栓 (HA006260010)。
更换位置. 品号 品名 每台数量
前/后 40129025 EMG SW CABLE ASM 2
前/后(单个开关) HA006490000 SWITCH 2
紧急停止开关
ロックナット
※ 请将面板缺口部位、操作单元 TOP 标记一侧 G 部、
防旋转▲标记位置对齐。
突出部(▲标记)一侧
防旋转环
TOP 标记
G
部(无螺丝)部位沟槽
手把制动器
接触单元
拆下
螺母锁紧
面板
旋具
手把制动器
锁把
锁
定

维修调整要领书
11-4
11-3
外罩开关的更换
1) 请从转接连接器上拔下①开外罩的开关连接器。
2) 切断束线带,拆下 M4 螺栓,更换①外罩的开关主体。
3) 安装时,请按逆向步骤进行。
※ 安装后,请确认安装在安全护罩上的②安全开关钥匙是否正确地插在护罩开关上。
这个安全开关钥匙事关安全,使用特殊螺丝(钥匙螺丝)不易拆卸。要调整时必须使用专用的扳手
(六角扳手(40080491))。
①
A
前
后
前
后
②前侧
安全护罩
②后侧

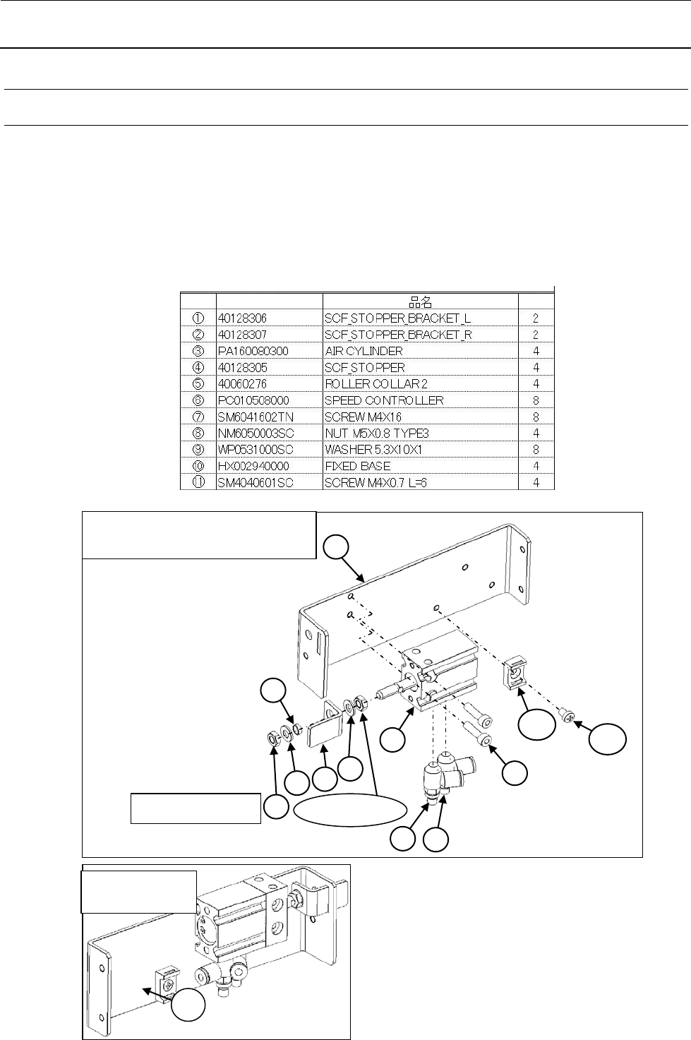
维修调整要领书
11-5
11-4
安全护罩锁定气缸的更换
11-4-1
制动气缸的组装
1) 按照⑨④⑤⑨⑧的顺序,将附带的螺母插入③的棒里。⑧要涂抹乐泰 243。
2) 将⑥安装到③上。
3) 将④插入①、②的方形孔里,用⑦固定③。使气缸处于水平状态。
4) 用⑪将⑩安装到①、②上。
5) 速度控制器的调整,需要从全关状态运转 3 次。
6) 分解后的组装,请按照逆向步骤进行。
表 11-4-1 零件列表
1
11
10
6
6
7
3
9
5
8
9
4
附带螺母
涂抹乐泰 243
图示为左前、右后用的组装。
右前、左后时要与图对称地组装。
右前、左后用
2
个数
货号