RX-6_维修调整要领书.pdf - 第321页
维修调整要领书 17 - 21 17 -7- 3 停止 传 感器的更 换 1) 打开传感器放大器保护罩,板起位于光纤插入口附近的手柄,拔出光纤。 2) 卸下停止传感器护盖(仅第 2 轨道、第 4 轨道实施)。 3) 卸下停止传感器。 4) 从停止传感器托架上卸下传感器。 5) 更换停止传感器。 6) 用附件中的套筒弯曲机将新的停止传感器的前端按下图所示弯曲。 ※ 请使用 R5 的位置弯曲成 90 度。 7) 安装时请按相反的操作顺序进行…

维修调整要领书
17-20
17-7-2
传感器放大器阈值的设定
1) 将基板宽度定为 250mm(双通道(M)最大宽度)。
2) 将 SET/RUN 切换开关设置为“SET”。
3) 按下操作键 MODE,设置为
,按下 DOWN 键将副数显部的“Lon”改变为“don”。
4) 接下来将操作键 MODE 按下几次,设置为
,按下 DOWN 键将副数显部的“oFF”改
变为“on”。
5) 继续按下操作键 MODE,设置为
,按 下 DOWN 键将副数显部的“oFF”变更为“Atc”。
6) 继续按下操作键 MODE,设置为
,确认是“PtUn”。如有不同,按下 DOWN 键将副
数显部更改为“PtUn”。
7) 继续按下操作键 MODE,设置为
,按 下 DOWN 键将副数显部的“2000”变 更 为“ FULL”。
8) 继续按下操作键 MODE,设置为
,按 下 DOWN 键将副数显部的“thrU”变 更 为“ LoFF”。
9) 继续按下操作键 MODE,设置为
,按 下 DOWN 键将副数显部的“on”变 更 为“oFF”。
10) 将 SET/RUN 切换开关设置为“RUN”。
11) 按下 UP/DOWN 键,将副数显部的显示改变为下述値。
・ FL(CN1072) / FR(CN1089) / RL(CN1172) / RR(CN1189) :“-90P”
・ FC(CN1088) / RC(CN1188) :“-80P”
※ 传感器的配置请参照【17-7 光纤传感器的更换】之附图。
12) 将 SET/RUN 切换开关设置为“SET”。
13) 将操作键 MODE 按下几次,设置为
,按下 DOWN 键使副数显部改变为
“¦¦¦¦¦¦¦¦”。
14) 将 SET/RUN 切换开关设置为“RUN”。
锁定杆
拆装光纤
主数显(显示红色)
显示受光量或功能内容
副数显(显示绿色)
显示阈值或功能的设定值
操作键
功能的设定操作
动作指示灯(ch1)
橙色亮灯输出 ON
熄灯输出 OFF
动作指示灯(ch2)
橙色亮灯输出 ON
熄灯输出 OFF
SET/RUN 切换开关
SET/RUN 模式的切换
通道切换开关
选择要进行设定或显示的通道

维修调整要领书
17-21
17-7-3
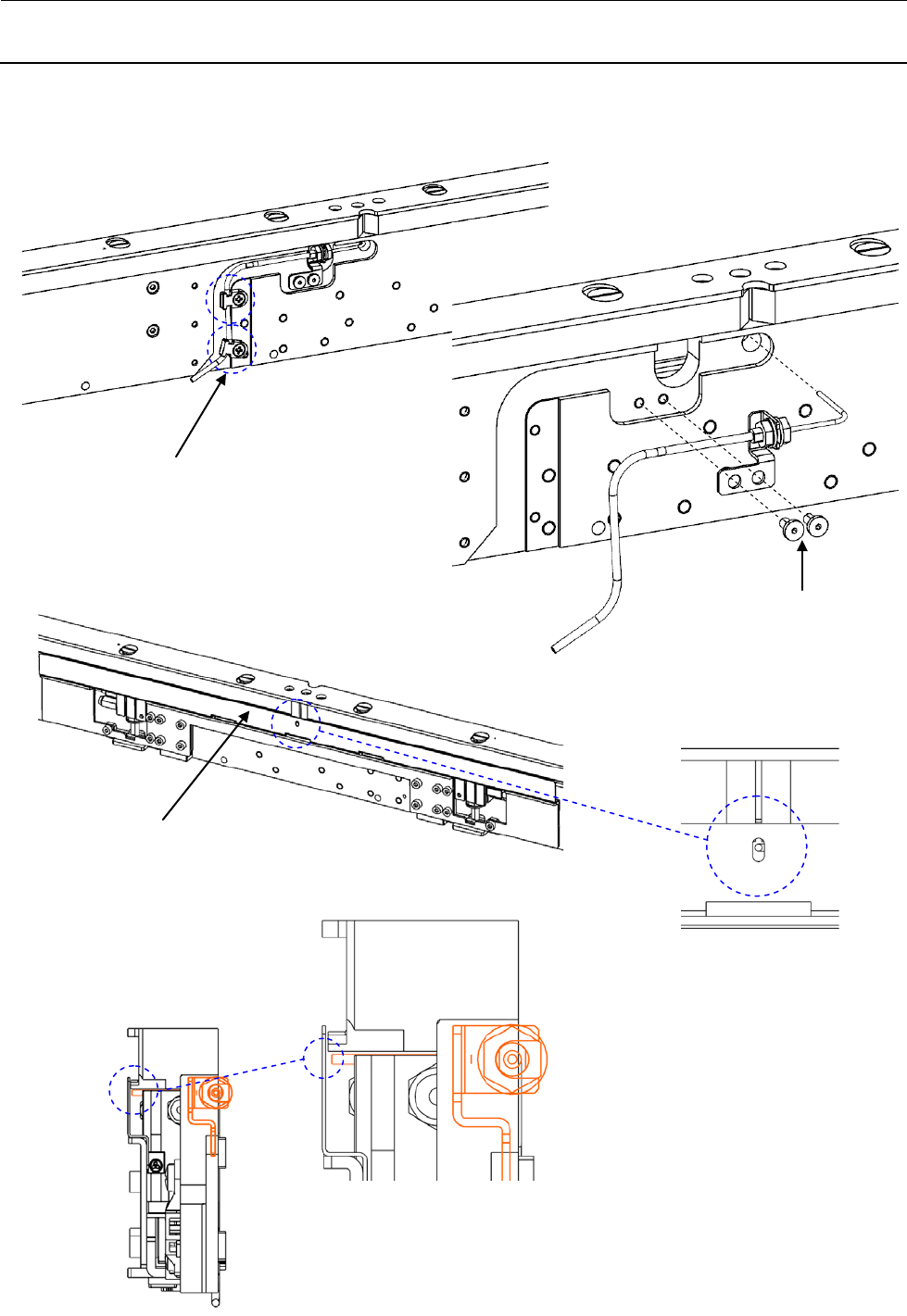
停止传感器的更换
1) 打开传感器放大器保护罩,板起位于光纤插入口附近的手柄,拔出光纤。
2) 卸下停止传感器护盖(仅第 2 轨道、第 4 轨道实施)。
3) 卸下停止传感器。
4) 从停止传感器托架上卸下传感器。
5) 更换停止传感器。
6) 用附件中的套筒弯曲机将新的停止传感器的前端按下图所示弯曲。
※ 请使用 R5 的位置弯曲成 90 度。
7) 安装时请按相反的操作顺序进行。
※ 第 1 轨道、第 3 轨道的停止传感器要装配在这样的位置上:在 传感器前端与夹紧板之间有空隙,
并且在降下夹紧板的状态下,传感器前端位于长孔内。
※ 第 2 轨道、第 4 轨道的停止传感器要安装得与保持板上面接触,接触程度以传感器前端不受到
负载为宜。同时,停止传感器护盖要安装在护罩端面不从保持板端面突出的位置。并且,请确
认传感器前端没有从护罩突出。
停止传感器(HD001070030)
15mm
17mm
R5
关于套筒弯曲机(E39-F11)
・ 不锈钢管子的弯曲半径要尽量取得大一些。如弯曲半径做
得小,检测距离将变短。
・ 请将不锈钢管子的前端插
入套筒弯曲机的槽内,沿
着角部的曲率缓缓弯曲。
Φ1.2mm 以下
Φ1.3mm 以上
光纤前端
位置标记
不锈钢管子
停止传感器托架

维修调整要领书
17-22
<第 1 轨道/第 3 轨道>
在下降夹紧板的状态下
传感器前端要位于长孔内
夹紧板
固定底座
埋头螺钉 M3X0.5 L=8(SM1030801SC)
极低头螺栓 M3 L=5
(EZ328248101)
要有空隙