RX-6_维修调整要领书.pdf - 第170页
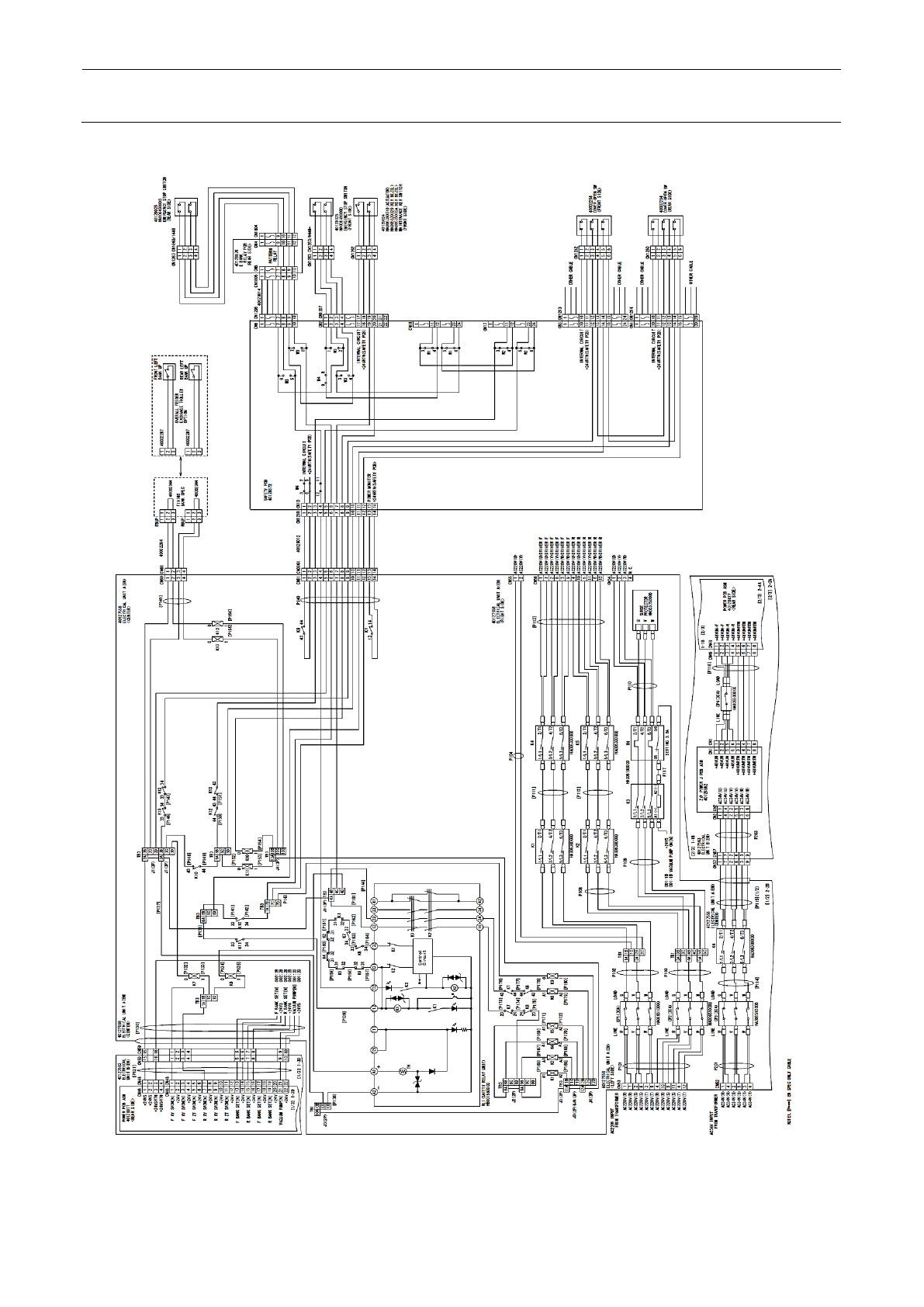
维修调整要领书 12 - 17 图 12-2-2-1-5 EU WIRIN G DIAGR AM [EN] (1/2 )

维修调整要领书
12-16
表 12-2-2-1‐1 电气装置单元 EN (单元 A) <零件清单>
No. JUKI 品号 零件名 零件数 位置 备注
1 HAOO651OOOO CIRCUIT PROTECTOR (3OA) 3 CP1, CP2, CP3
2 HAOO524OOOE CIRCUIT PROTECTOR (12A) 2 CP8, CP9
3 HAOO63OOOOO MAGNETIC CONTACTOR 5 K1, K2, K4, K5, K6
4 HAOO619OOOO MAGNETIC CONTACTOR 1 K3&TH
5 HBOO11OOOOO RELAY 2 RL3, RL4
6 HBOO139OOOO RELAY 7 K7~K13
7 HBOO139OO1O RELAY 7 K7~K13 继电器插座
8 HBOO158OOOO RELAY 1 RL
9
1O
11
表 12-2-2-1-2 电气装置单元 EN (单元 B) <零件清单>
No. JUKI 品号 零件名 零件数 位置 备注
1 4O128877 POWER PCB ASM 1 PCB
2 4O128882 ZT POWER J PCB ASM 1 PCB
3 HAOO65OOOOO CIRCUIT PROTECTOR (3OA) 2 CP4, CP1O
4 HAOO524OOOC CIRCUIT PROTECTOR (1OA) 1 CP6
5 HAOO524OOOD CIRCUIT PROTECTOR (15A) 2 CP5, CP7
6 HAOO542OOOA CIRCUIT PROTECTOR (5A) 2 CP12, CP13
7 HAOO542OOOD CIRCUIT PROTECTOR (15A) 1 CP11 适用于单元 Rev.1
HA00542000B CIRCUIT PROTECTOR(8A) 1 CP11 适用于单元 Rev.2
8 HBOO128OOOC RELAY 2 RL1, RL2
9 HBOOO58OO1O RELAY 2 RL1, RL2 继电器固定金属件
1O HXOO543OOOA POWER SUPPLY 1 PS2
300W
适用于单元 Rev.1
HX007190000 POWER SUPPLY 1 PS2
15OW
适用于单元 Rev.2
11 HXOO692OOOA POWER SUPPLY 1 PS1
4OOW 峰值 75OW
适用于单元 Rev.1
HX007180000 POWER SUPPLY 1 PS1
6OOW
适用于单元 Rev.2
12 HXOO692OOOA POWER SUPPLY 1 PS3
13 4O129141 DC FAN ASM 1 -
14
15

维修调整要领书
12-17
图 12-2-2-1-5 EU WIRING DIAGRAM [EN] (1/2)

维修调整要领书
12-18
图 12-2-2-1-6 EU WIRING DIAGRAM [EN] (2/2)