RX-6_维修调整要领书.pdf - 第160页
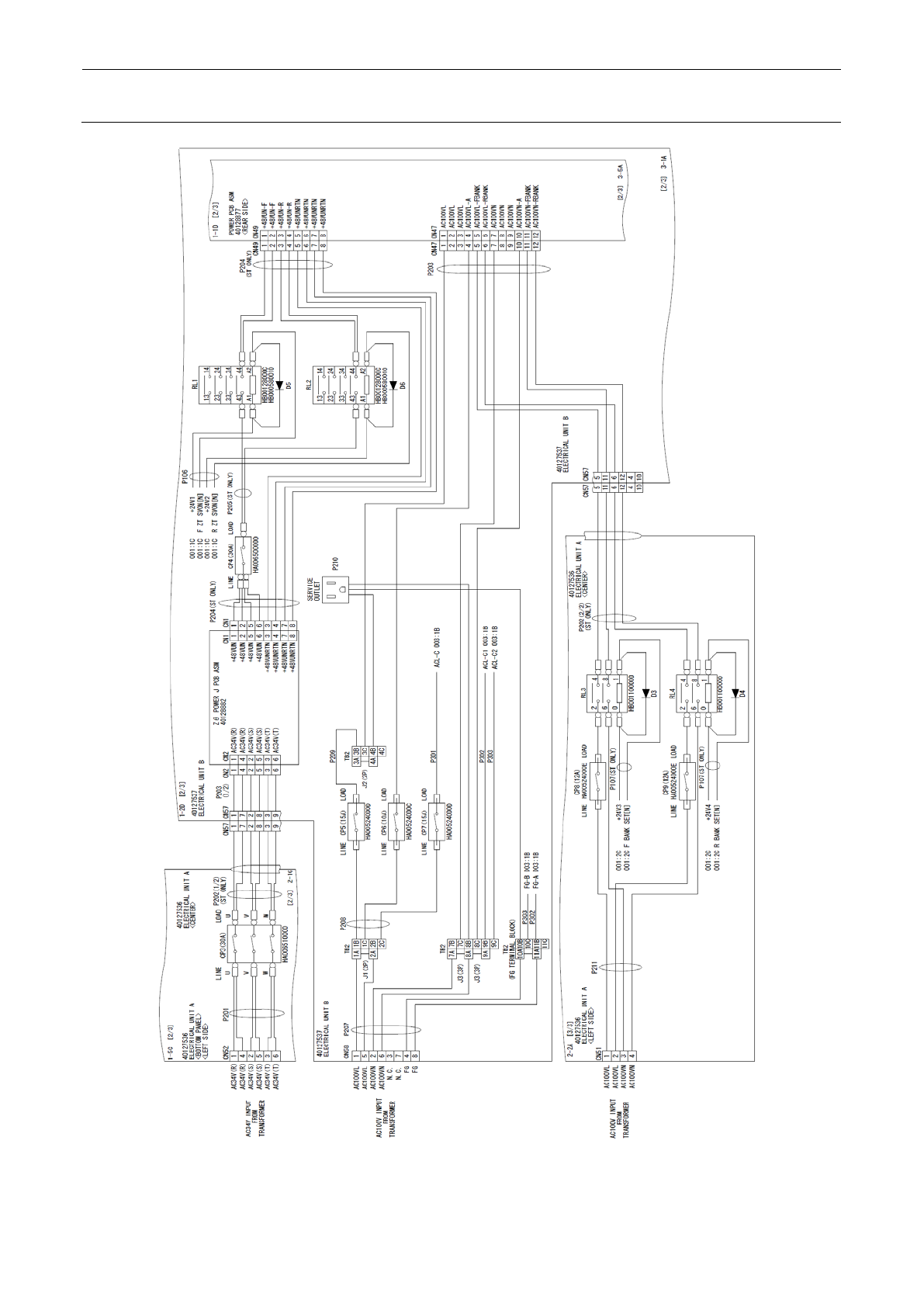
维修调整要领书 12 -7 图 12-2-1-1-8 EU WIRI NG DIAG RAM [ST] (1/ 3)

维修调整要领书
12-6
表 12-2-1-1-1 电气装置单元 ST (单元 A)
<零件清单>
No. JUKI 品号 零件名 零件数 位置 备注
1 HAOO651OOOO CIRCUIT PROTECTOR (3OA) 3 CP1, CP2, CP3
2 HAOO524OOOE CIRCUIT PROTECTOR (12A) 2 CP8, CP9
3 HAOO63OOOOO MAGNETIC CONTACTOR 2 K1, K2
4 HAOO619OOOO MAGNETIC CONTACTOR 1 K3&TH
5 HBOO11OOOOO RELAY 2 RL3, RL4
6 HNOO375OOOO SURGE PROTECTOR 1 SP
7
8
9
1O
11
表 12-2-1-1-2 电气装置单元 ST (单元 B)
<零件清单>
No. JUKI 品号 零件名 零件数 位置 备注
1 4O128877 POWER PCB ASM 1 PCB
2 4O128882 ZT POWER J PCB ASM 1 PCB
3 HAOO65OOOOO CIRCUIT PROTECTOR (3OA) 2 CP4, CP1O
4 HAOO524OOOC CIRCUIT PROTECTOR (1OA) 1 CP6
5 HAOO524OOOD CIRCUIT PROTECTOR (15A) 2 CP5, CP7
6 HAOO542OOOD CIRCUIT PROTECTOR (15A) 1 CP11 适用于单元 Rev.1
HA00542000B CIRCUIT PROTECTOR(8A) 1 CP11 适用于单元 Rev.2
7 HBOO128OOOC RELAY 2 RL1, RL2
8 HBOOO58OO1O RELAY 2 RL1, RL2 继电器固定金属件
9 HXOO543OOOA POWER SUPPLY 1 PS2
3OOW
适用于单元 Rev.1
HX007190000 POWER SUPPLY 1 PS2
15OW
适用于单元 Rev.2
1O HXOO692OOOA POWER SUPPLY 1 PS1
4OOW 峰值 75OW
适用于单元 Rev.1
HX007180000 POWER SUPPLY 1 PS1
6OOW
适用于单元 Rev.2
11 4O129141 DC FAN ASM 1 -
12
13

维修调整要领书
12-7
图 12-2-1-1-8 EU WIRING DIAGRAM [ST] (1/3)

维修调整要领书
12-8
图 12-2-1-1-9 EU WIRING DIAGRAM [ST] (2/3)