00191504-01.pdf - 第241页
Használ ati utasí tás a SIPLAC E 80S-20/F4 /F4-6/F5 tipushoz 5.V izuális funkci ók 98/03-as kiadás az SR.40 4.xx szoftverv erziótól 5.7 Út mut ató a ház formák le írásáh oz 5-17 iE UD .D PHUDUHQGV] HUHNDQ\iNODS…

5.Vizuális funkciók Használati utasítás a SIPLACE 80S-20/F4/F4-6/F5 tipushoz
5.1 A vizuális rendszer 98/03-as kiadás az SR.404.xx szoftververziótól
áttekintése a SIPLACE 80S-20/F4/F4-6/F5 automatán
5-16
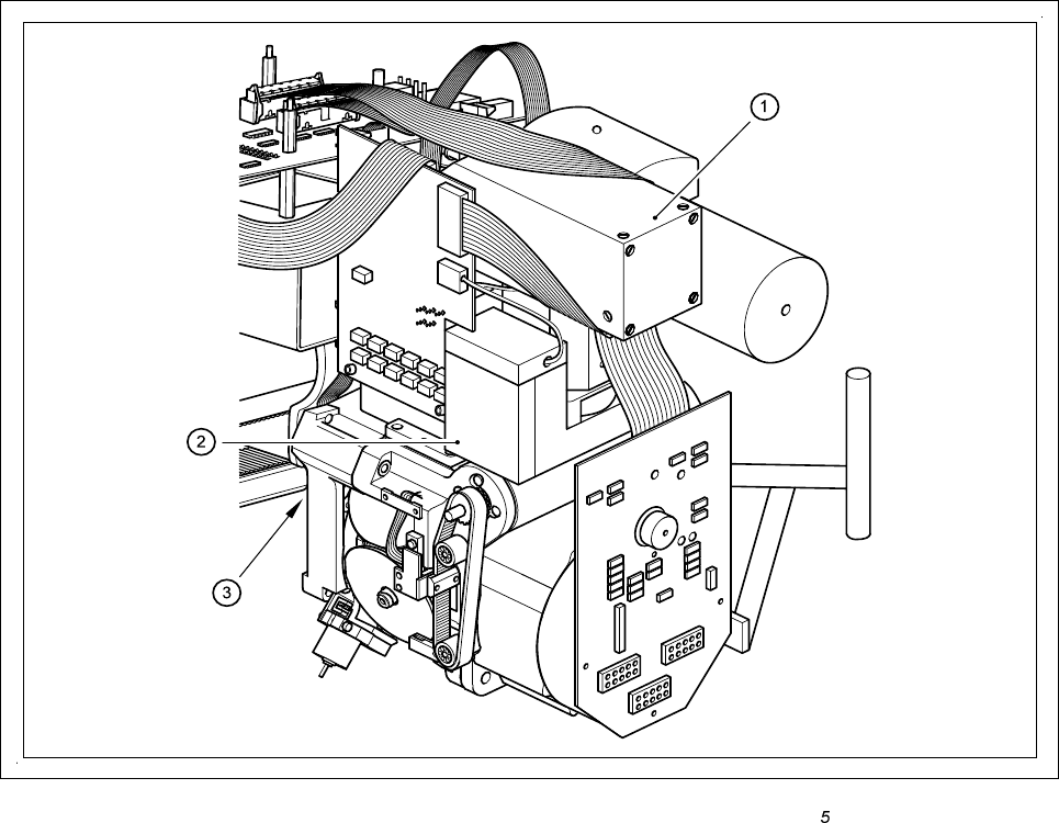
iEUD 9L]XiOLVNLértékelõ egység a SIPLACE 80F
-beültetõ automatán

Használati utasítás a SIPLACE 80S-20/F4/F4-6/F5 tipushoz 5.Vizuális funkciók
98/03-as kiadás az SR.404.xx szoftververziótól 5.7 Útmutató a házformák leírásához
5-17
iEUD .DPHUDUHQGV]HUHNDQ\iNODSpVHOHPKHO\]HWIHOLVPHUpVV]iPiUDDRVUHYROYHUIHMHQHOHPYL
]XiOLVUHQGV]HUD)OLS&KLSSHND%DUH'LHVRNpVDVWDQGDUGHOHPHNV]iPiUDD])
DXWRPDWiNQiO
0DJ\DUi]DWD]iEUiKR]
1 Átirányító tükörés elem-optika 2 Elem-kamera
3 Nyáklap kamera a portál alsó részén
A kiétékelési egység (ICOS-MVS-rendszer) az automata irányítási betoló-egységén került
elhelyezésre (lásd 5.1.13 ábra, 5 - 16 oldal), és a 6-os revolverfej és az IC-beültetõfej
nyáklap és elemkamera rendszereinek jelzéseit dolgozza fel és értékeli ki. A tervszám
eltérésekbõl jönnek ki a korrektura értékek, amelyeket ismét beadunk a beültetési pozíciók
és a forgásszög újbóli kiszámításakor a beültetendõ elemek számára.
5.Vizuális funkciók Használati utasítás a SIPLACE 80S-20/F4/F4-6/F5 tipushoz
5.1 A vizuális rendszer 98/03-as kiadás az SR.404.xx szoftververziótól
áttekintése a SIPLACE 80S-20/F4/F4-6/F5 automatán
5-18