00191504-01.pdf - 第38页
0 Elõszó Használa ti ut asítás a SIPLACE 80S-20/F4/F4 -6/F5 tipus hoz 0.4 A gépc sopo rt áttek intése 98/03 -as kiadá s az SR.404.xx s z oftv erverziótó l 0-34 $ ],&IHM WHOMHVNpSH iEUD$ ],&IHM …

Használati utasítás a SIPLACE 80S-20/F4/F4-6/F5 tipushoz 0 Elõszó
98/03-as kiadás az SR.404.xx szoftververziótól 0.4 A gépcsoport áttekintése
0-33
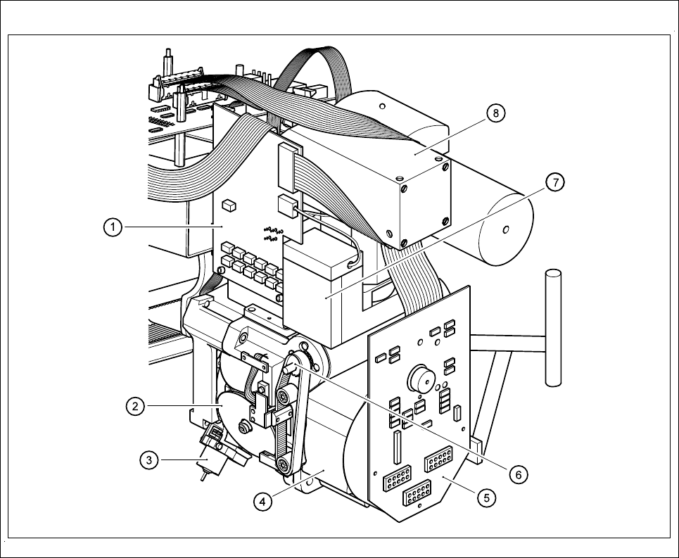
$RVUHYROYHUIHMWHOMHVNpSHHOHPYL]XiOLVUHQGV]HUUHOD)OLS
&KLS HOHPHND%DUH'LHVHNpVD6WDQGDUGHOHPHNV]iPiUD
'&$RSFLy
iEUD $RVUHYROYHUIHMWHOMHVNpSHHOHPYL]XiOLVUHQGV]HUUHOD)OLS&KLSHOHPHND%DUH'LHVHNpVD
6WDQGDUGHOHPHNV]iPiUD'&$RSFLy
0DJ\DUi]DWDiEUiKR]
1 Lapka az elem-megvilágítási vezérléshez 2 Szegnyereg (1-tõl 6-ig)
3 Beállító egység a ledobó pozíció 4 Csillagmeghajtás
számára (ürítés)
5 Köztes elosztólapka 6 Z-tengely meghajtás
7 Elem kamera 8 Elem megvilágítási rendszer a Flip-Chip
elemek, a Bare Dies-ek és a Standard
elemek számára (DCA-pozíció)

0 Elõszó Használati utasítás a SIPLACE 80S-20/F4/F4-6/F5 tipushoz
0.4 A gépcsoport áttekintése 98/03-as kiadás az SR.404.xx szoftververziótól
0-34
$],&IHMWHOMHVNpSH
iEUD$],&IHMWHOMHVNpSH
0DJ\DUi]DWDiEUiKR]
1 Szegnyereg 2 Vákuumfuvóka
3 Pipetta 4Elem-vizuális rendszer
5 Flip-Chip vizuális rendszer
1
2
3
4
5

Használati utasítás a SIPLACE 80S-20/F4/F4-6/F5 tipushoz 0 Elõszó
98/03-as kiadás az SR.404.xx szoftververziótól 0.4 A gépcsoport áttekintése
0-35
$SRUWiOWHOMHVNpSH
iEUD $SRUWiOWHOMHVNpSH
0DJ\DUi]DWDiEUiKR]
1 Revolverfej 2 Védõ tetõ
3 Kábeltovábbító 4 Átrakólapka-portáltengelyek
5 X-tengely 6 Y-tengely