00191504-01.pdf - 第538页
Használ ati utasí tás a SIPLAC E 80S-20/F4 /F4-6 tipushoz 9 Karba ntartás/Gond ozás 98/03-as kiadás az SR.40 3.xx sz oftververz iótól 9.7 6-os re volve rfej (80 00) 9-85 $ ]PHJKDM WyHJ\ Vp J]VtU]iV D 0XQNDH V]N…

9 Karbantartás/Gondozás Használati utasítás a SIPLACE 80S-20/F4/F4-6 tipushoz
9.7 6-os revolverfej (8000) 98/03-as kiadás az SR.403.xx szoftververziótól
9-84
- Fogjuk meg a pipettát a hegyénél fogva és húzzuk le a szegnyeregrõl (A).
- Biztosítsuk egy kézzel, hogy a szegnyereg ne forduljon el, úgy hogy az ujjainkkal a
meghajtó felületen nyúlunk hozzá (B).
- Helyezzük fel az új pipettát a szegnyeregre koccanásig (C).
- Amennyiben a pipetta már nem fordítható tovább a szegnyereg felé, akkor az akasztó
stift (lásd 4 pont) beakadt az akasztó horganyba (3).
- Amennyiben a pipetta még nem akadt be, akkor addig forgassuk az óramutató járásának
megfelelõ irányba, amíg érezhetõen beakadt.
),*<(/(0
Ne gyakoroljunk nagy nyomást, amikor a pipettát a szegnyereg felé fordítjuk, mert különben
a pipetta színjelzését az akasztó stift (4) károsíthatja.
$KDQJWRPStWyNLFVHUpOpVH
$ONDWUpV]+DQJWRPStWyDFLNNV]iPWyO
- Oldjuk ki kézzel a hangtompítót balra fordítással
- Húzzuk ki a menet-rudat és vegyük ki a tölcsért a hangtompítóból.
- Cseréljük ki a hangtompítót.
- Visszahelyezéshez a fordított sorrendszer alkalmazzuk.
iEUD $KDQJWRPStWyNLFVHUpOpVH
-0DJ\DUi]DWDiEUiKR]
1 Menetrúd
2 Hangtompító
3 Tölcsér
3
1
2

Használati utasítás a SIPLACE 80S-20/F4/F4-6 tipushoz 9 Karbantartás/Gondozás
98/03-as kiadás az SR.403.xx szoftververziótól 9.7 6-os revolverfej (8000)
9-85
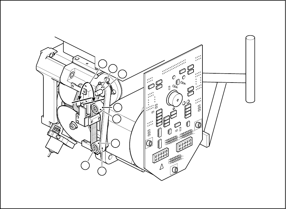
$]PHJKDMWyHJ\VpJ]VtU]iVD
0XQNDHV]N|]
Szöszmentes, tiszta kendõ
Staburags N12 kenõzsír, a 02100611-01 cikkszámtól
iEUD =PHJKDMWyHJ\VpJ]VtU]iVD
0DJ\DUi]DWDiEUiKR]
1 Syncroflex-fogszíj
2 szinkron-tárcsa
3 átirányító görgõk
- Vigyük a z-tengelyt felsõ végállásba
- Vigyünk fel egy tiszta szöszmentes kendõre kevés Staburags-ot.
- Takarékosan zsírozzuk be a fogszíjat a 9.7.7 ábrán jelzett felületen (A).
- Takarékosan vigyünk fel zsírzó anyagot a szinkron tárcsára (B)
- Takarékosan vigyünk fel zsírzó anyagot mindkét átirányító görgõre (C)
- Mozgassuk meg többször a z-tengelyt fel-le.
- Kendõ segítségével töröljük le a felesleges zsírzó anyagot.
1
2
B
3
3
A
C
C

9 Karbantartás/Gondozás Használati utasítás a SIPLACE 80S-20/F4/F4-6 tipushoz
9.7 6-os revolverfej (8000) 98/03-as kiadás az SR.403.xx szoftververziótól
9-86
$V]HOHSHNYiNXXPI~YyOHYHJ}WLV]WtWiVD
$ V]HOHSWRNRNNLYpWHOH
- Az érintett portált a revolver beültetõ fejjel vigyük el a nyáklap továbbító fölött.
- Kapcsoljuk ki az automatát és szakítsuk meg a hálózati csatlakozást.
- Szakítsuk meg a sûrített levegõellátást.
- Az érintett elemcsere asztal közepérõl vegyünk le több elem továbbítót.
- Kézzel óvatosan toljuk ki a portált koccanásig.
Attól függõen, hogy mely egységnél lépett fel a hiba, a csillagot egy meghatározott szögben
kell elfordítanunk, hogy az érintett szelepet kivehessük és tisztíthassuk:
+LEDD]pUNH] WHWpVEHOWHWpVHJ\VpJQpO
Ez az egység az 1. csillagállomáson található (lásd 1. poz. a 9.7.8 ábrán). Fordítsuk a csil-
lagot óvatosan ujjunkkal 15°-ba az óramutató ellenkezõ járásban. A 15° megfelel egy fél csil-
lag pozíciónak.
+LEDDOHGREiVHJ\VpJpQpO
Ez az egység a 3-as csillagállomáson található. (Lásd 3. poz. a 9.7.8. ábrán). Az ujjunkkal
óvatosan fordítsuk el a csillagot 75°-kal az óramutatóval ellenkezõ járásban. A 75° két és fél
csillagpozíciónak felel meg.
iEUD $RVFVLOODJSR]tFLRQiOiVDDV]HOHSWRNNLYpWHOpKH]
-0DJ\DUi]DWDiEUiKR]
1 Az „érkeztetés/beültetés” egység pozíciója 3 A „ledobás” egység pozíciója