S 20 Series Maintenance I.pdf - 第131页
S 20 系列维修培训指南 I 20 00 年 6 月版 2 综述 73 2. 1 6. 1 .2 2. 1 6. 1 .2 2. 1 6. 1 .2 2. 1 6. 1 .2 工作 顺 序 工作 顺 序 工作 顺 序 工作 顺 序 ! 机器开动后 ( 压 缩空 气供气 直 流电机 未 动 作 ) 压力 杆从 空 料带 槽 摆 出 → 在供料器组件的 工 作循 环期间 空 料带 会 滑 入空 料带 槽 中 ! ( 目 前 ) 每 个 第…

2000 年 6 月版 S 20 系列维修培训指南 I
2 综述
72
2.16
2.162.16
2.16 料带割刀
料带割刀料带割刀
料带割刀
2.16.1
2.16.12.16.1
2.16.1 空料带切割装置 ( 旧型号 -- 滚式割刀 )
空料带切割装置 ( 旧型号 -- 滚式割刀 )空料带切割装置 ( 旧型号 -- 滚式割刀 )
空料带切割装置 ( 旧型号 -- 滚式割刀 )
2.16.1.1
2.16.1.12.16.1.1
2.16.1.1电力/ 气动系统
电力 / 气动系统电力 / 气动系统
电力 / 气动系统
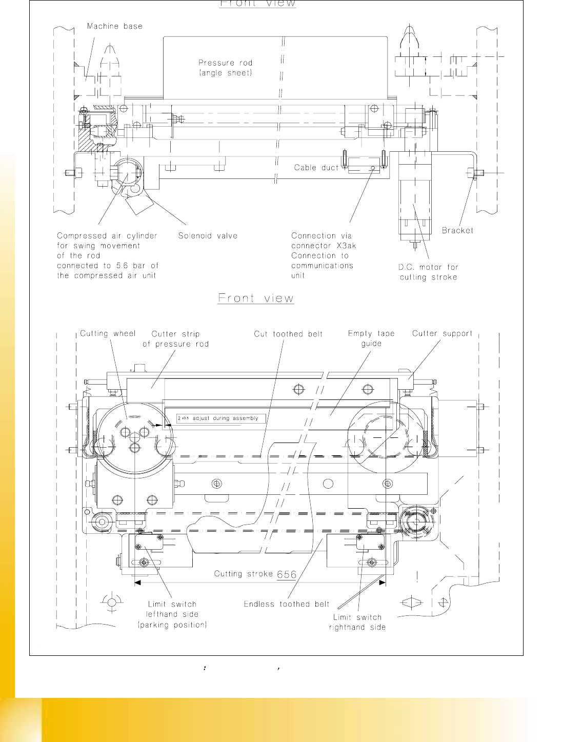
电压输送 ( 直流 30V) 和空料带切割装置由相应的通信单元控制 料带切割装置上的 X3ak 插头
→
料带割刀接口板 电缆 Y543-W1 → 机座上的插头 X37 → 元 件台接口 电缆 Y559-W1
→ 通信单元
如果过载 直流齿轮马达 ( 直流 30V) 就会被 PTC 热敏电阻 ( 通信单元 ) 断开 起因消除 ( 稳
定 ) 且电阻器冷却后
切割循环可重新起动
( 双向差动 ) 气缸直接连接到压缩空气装置上的 5.6 巴压缩空气支管上 (= 预先设定的固定工
作压力 )
通上压缩空气 ( 使二位三通电磁阀 动作 ), 活塞即后退
电磁阀进一步动作后 (=0 压力状态 ) 活塞在位于料带切割装置左 右方的拉力弹簧作用下
复位
这将导致压力杆摆入
在供气和排气接头处插入管式节流器 使端部位置产生阻尼
电机 ( 切割行程 ) 和电磁阀 ( 摆动运动 ) 并联工作
机器关闭时 由于料带切割装置左 右方的拉力弹簧作用 压力杆仍保持摆入位置

S 20 系列维修培训指南 I 2000 年 6 月版
2 综述
73
2.16.1.2
2.16.1.22.16.1.2
2.16.1.2 工作顺序
工作顺序工作顺序
工作顺序
!
机器开动后 ( 压缩空气供气 直流电机未动作 ) 压力杆从空料带槽摆出 → 在供料器组件的工
作循环期间
空料带会滑入空料带槽中
!
( 目前 ) 每个第 4 条输送带的工作循环后 空料带切割装置的电机就开动 气缸处的电磁阀也同
时动作
!
气缸为零压力 → 两个拉力 弹簧使压力杆摆入 → 带 割刀轮子的托架行至右方 (= 切割行程 )→
空料带被切开
!
当切割行程 (656mm)终止时 托架启动了 右侧的限位开关 → 电机的旋转方向改变→ 托架 回到
起始位置
又触发了左侧的限位开关 (= 停止位置 ) → 电机电流被切断 → 电磁阀换向 , 气缸
后退 → 压力杆 ( 角钢截面 ) 摆出并松开了空料带
空料带随后落入废料容器中
!
重复以上步骤 ( 从第 2 段开始 )

2000 年 6 月版 S 20 系列维修培训指南 I
2 综述
74
Fig. 2.16 - 1
空料带切割装置 安装在机器基座上 结构和连接