2OM-1104-001.pdf - 第296页
Section 3 Material 0004-001 Chpter 3 3 1 AFU01EMTP This section describes the aie piping diagrams, the parts location, the location of sensors and loads, the electrical circuit diagrams, etc. As this section contains hig…

0004-001 Chapter 3 2 8 AFU01EINP

Section 3
Material
0004-001 Chpter 3 3 1 AFU01EMTP
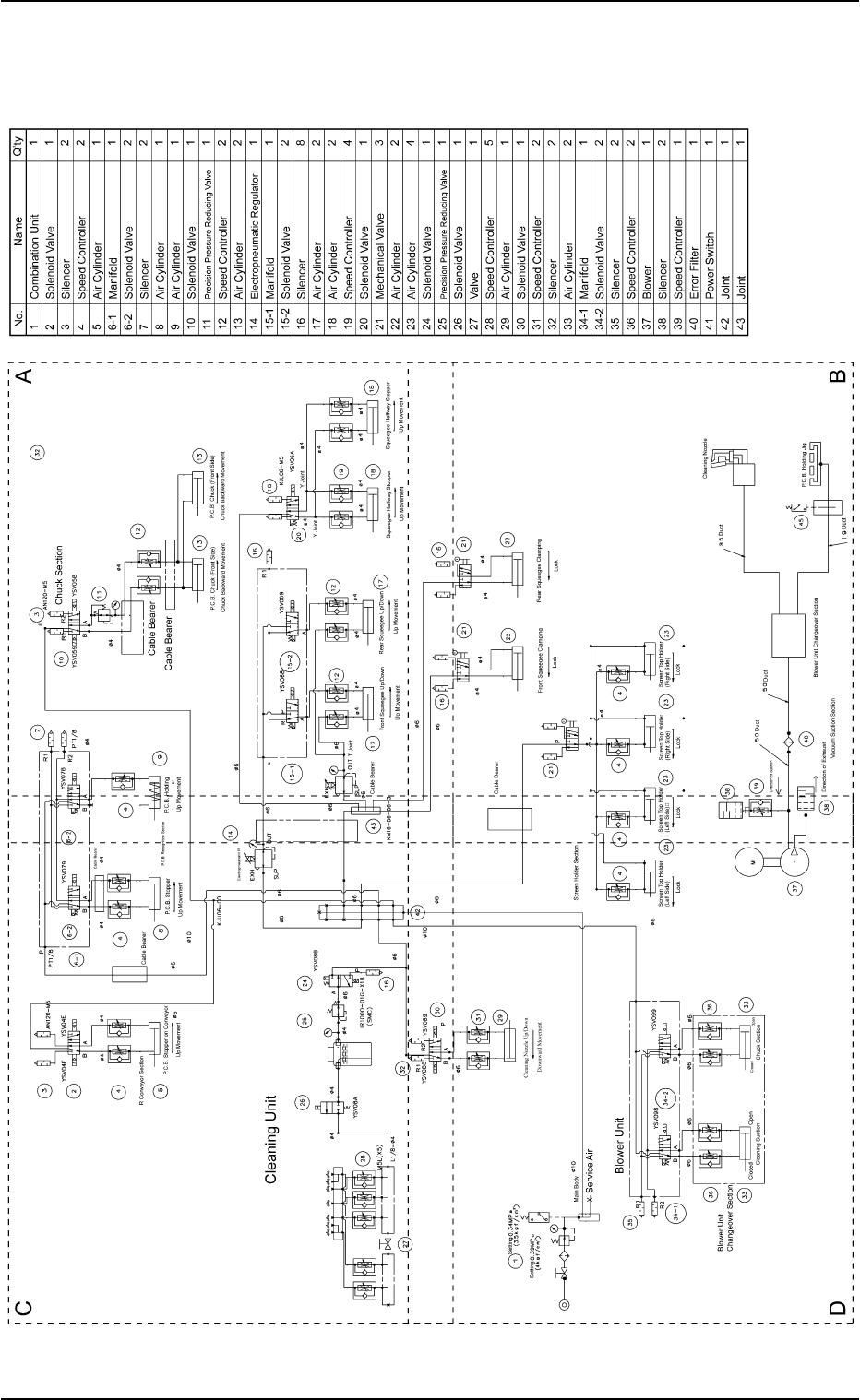
This section describes the aie piping diagrams, the parts
location, the location of sensors and loads, the electrical
circuit diagrams, etc.
As this section contains highly sophisticated contents, it
should carefully be referred to.

1. Air Piping Diagrams
1. Air Piping Diagrams
0009-002 - (M748XA---0001) Chapter 3 3-2 AFU01EMTP