2OM-1104-001.pdf - 第370页
Squeegee Head I/O Squeegee Head I/O 0106-002 - (M748WF A--0001) Chapter 3 3 75 AFU01EMTP

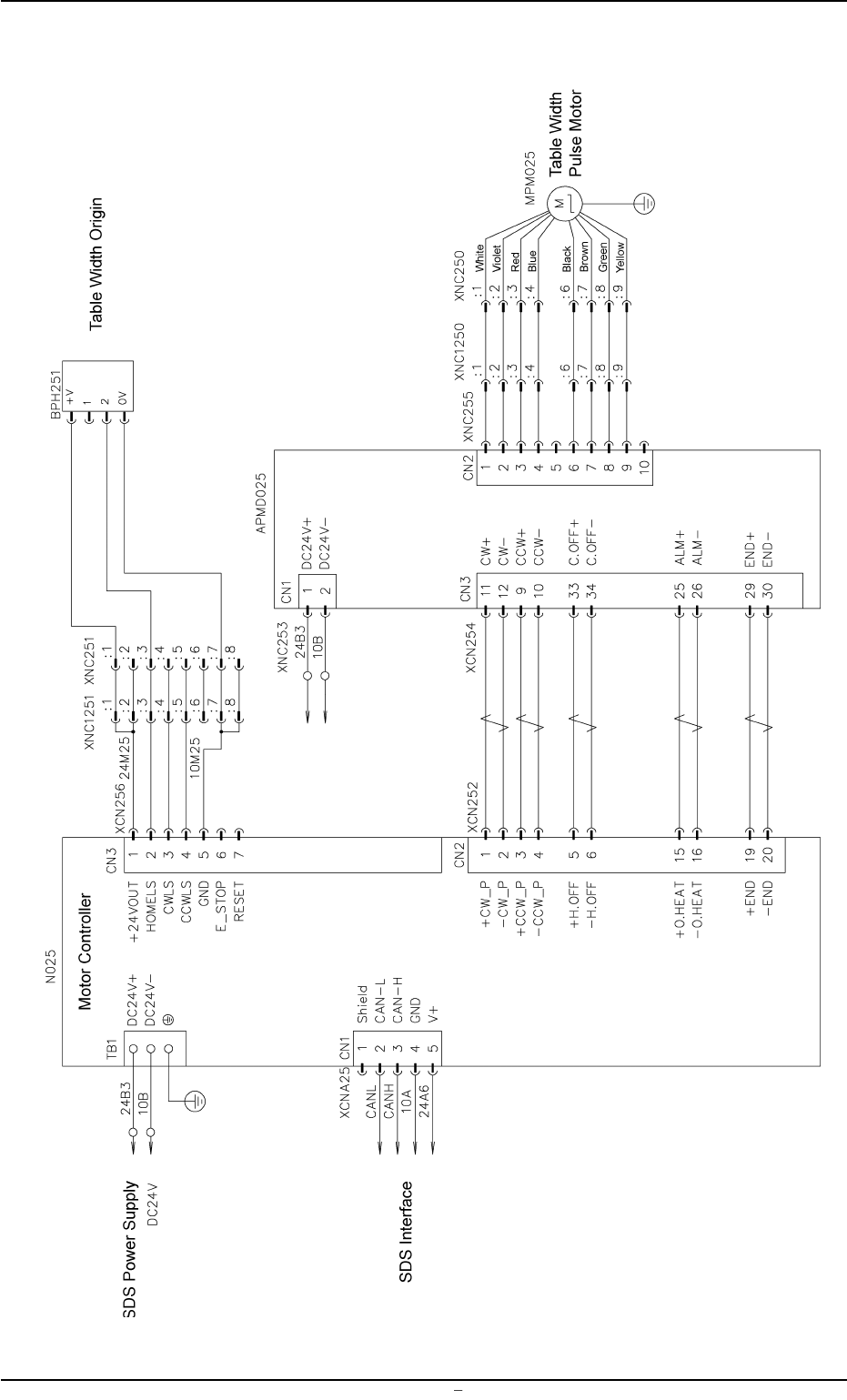
Table Width Pulse Motor
0004-001 - (M748WE---0003) Chapter 3 3 74 AFU01EMTP
Table Width Pulse Motor

Squeegee Head I/O
Squeegee Head I/O
0106-002 - (M748WFA--0001) Chapter 3 3 75 AFU01EMTP

Squeegee Head Section Motor 1
Squeegee Head Section Motor 1
0004-001 - (M748WFA--0002) Chapter 3 3 76 AFU01EMTP