2OM-1104-001.pdf - 第363页
Relay P .C.B. Circuit Diagram 1 0106-002 - (M748WBD--0010) Chapter 3 3 68 AFU01EMTP Relay P .C.B. Circuit Diagram 1

Relay Sequence Section
Relay Sequence Section
0004-001 - (M748WBD--0003) Chapter 3 3 67 AFU01EMTP

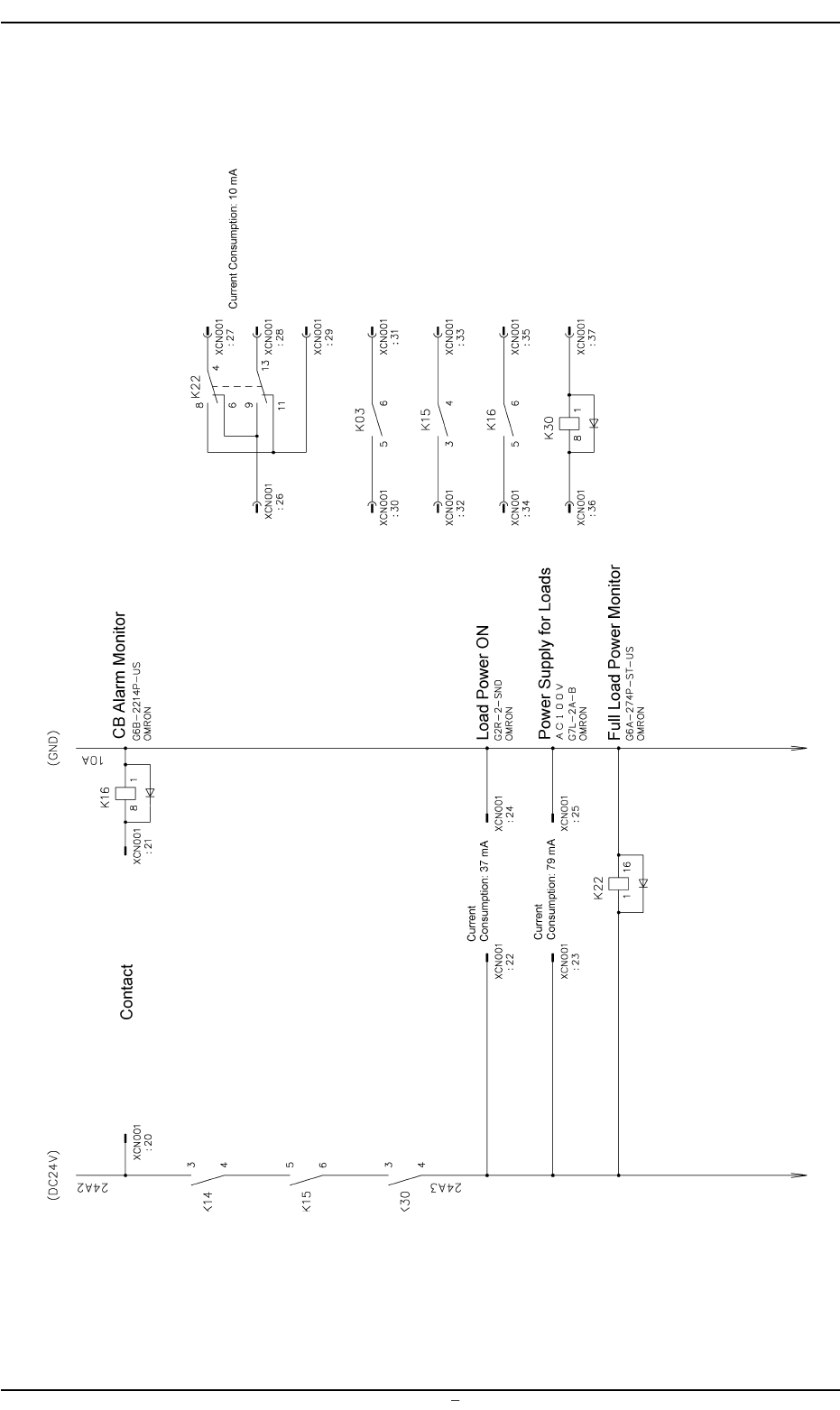
Relay P.C.B. Circuit Diagram 1
0106-002 - (M748WBD--0010) Chapter 3 3 68 AFU01EMTP
Relay P.C.B. Circuit Diagram 1

Relay P.C.B. Circuit Diagram 2
0004-001 - (M748WBD--0011) Chapter 3 3 69 AFU01EMTP
Relay P.C.B. Circuit Diagram 2