2OM-1104-001.pdf - 第384页
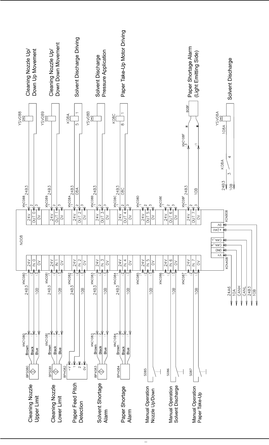
Cleaning Section I/O Cleaning Section I/O 0004-001 - (M748WM---0001) Chapter 3 3 89 AFU01EMTP

R Conveyor Width Pulse Motor
R Conveyor Width Pulse Motor
0004-001 - (M748WH---0004) Chapter 3 3 88 AFU01EMTP

Cleaning Section I/O
Cleaning Section I/O
0004-001 - (M748WM---0001) Chapter 3 3 89 AFU01EMTP

Cleaning Section Take-Up Motor
Cleaning Section Take-Up Motor
0004-001 - (M748WM---0002) Chapter 3 3 90 AFU01EMTP