2OM-1104-001.pdf - 第374页
T able Section Z-Axis Servomotor 0004-001 - (M748WFC--0001) Chapter 3 3 79 AFU01EMTP T able Section Z-Axis Servomotor

Printing Pressure Control Section
Printing Pressure Control Section
0004-001 - (M748WFA--0004) Chapter 3 3 78 AFU01EMTP

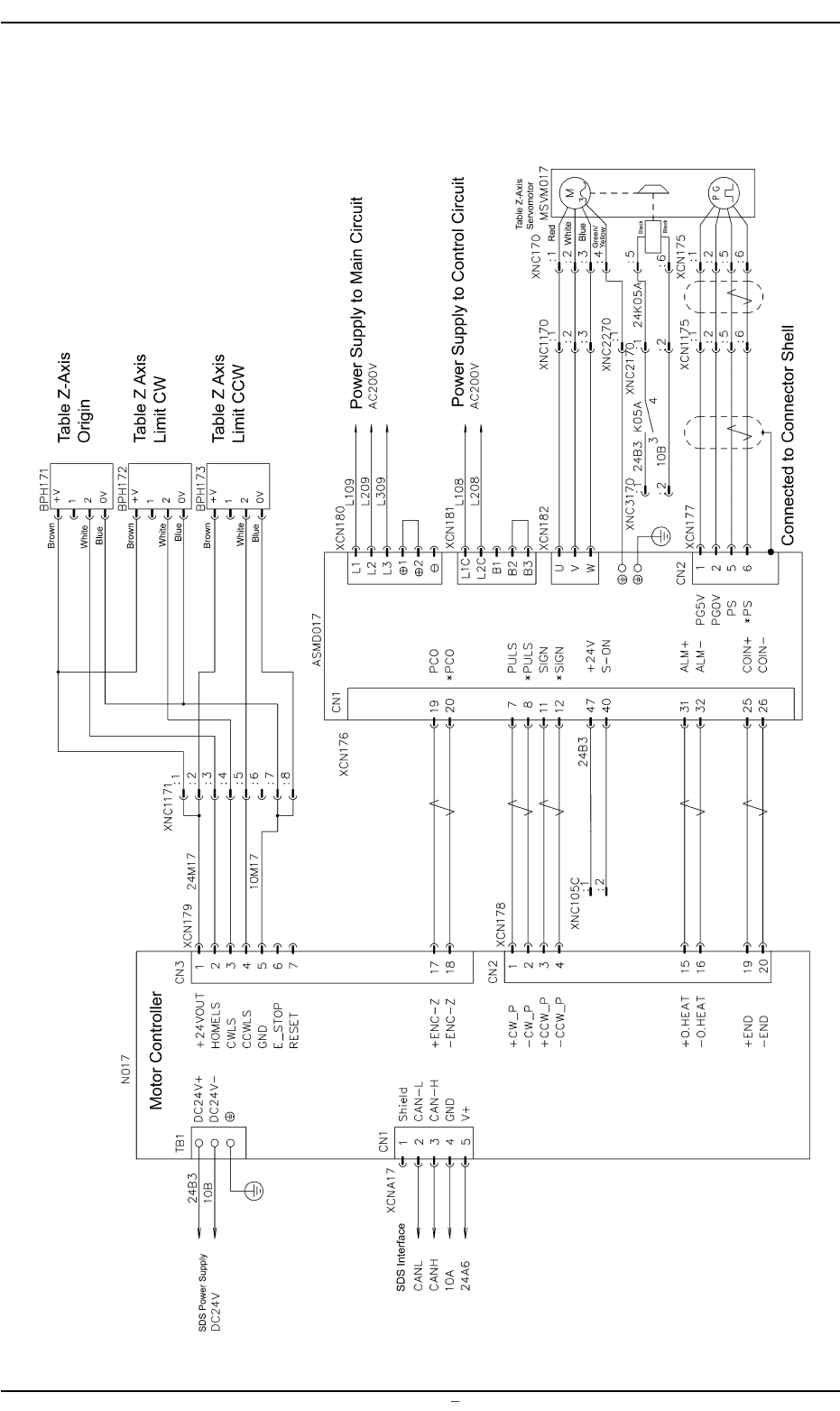
Table Section Z-Axis Servomotor
0004-001 - (M748WFC--0001) Chapter 3 3 79 AFU01EMTP
Table Section Z-Axis Servomotor

Table Section Pulse Motor
0004-001 - (M748WFC--0002) Chapter 3 3 80 AFU01EMTP
Table Section Pulse Motor