2OM-1104-001.pdf - 第369页
T able Width Pulse Motor 0004-001 - (M748WE---0003) Chapter 3 3 74 AFU01EMTP T able Width Pulse Motor

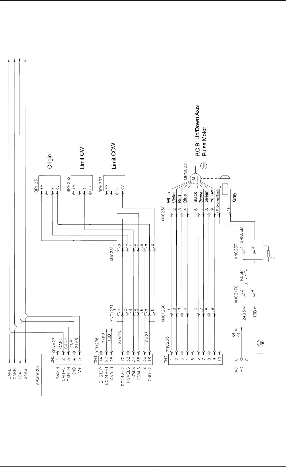
P.C.B. Up/Down Axis Motor
P.C.B. Up/Down Axis Motor
0004-001 - (M748WE---0002) Chapter 3 3 73 AFU01EMTP

Table Width Pulse Motor
0004-001 - (M748WE---0003) Chapter 3 3 74 AFU01EMTP
Table Width Pulse Motor

Squeegee Head I/O
Squeegee Head I/O
0106-002 - (M748WFA--0001) Chapter 3 3 75 AFU01EMTP