2OM-1104-001.pdf - 第385页
Cleaning Section T ake-Up Motor Cleaning Section T ake-Up Motor 0004-001 - (M748WM---0002) Chapter 3 3 90 AFU01EMTP

Cleaning Section I/O
Cleaning Section I/O
0004-001 - (M748WM---0001) Chapter 3 3 89 AFU01EMTP

Cleaning Section Take-Up Motor
Cleaning Section Take-Up Motor
0004-001 - (M748WM---0002) Chapter 3 3 90 AFU01EMTP

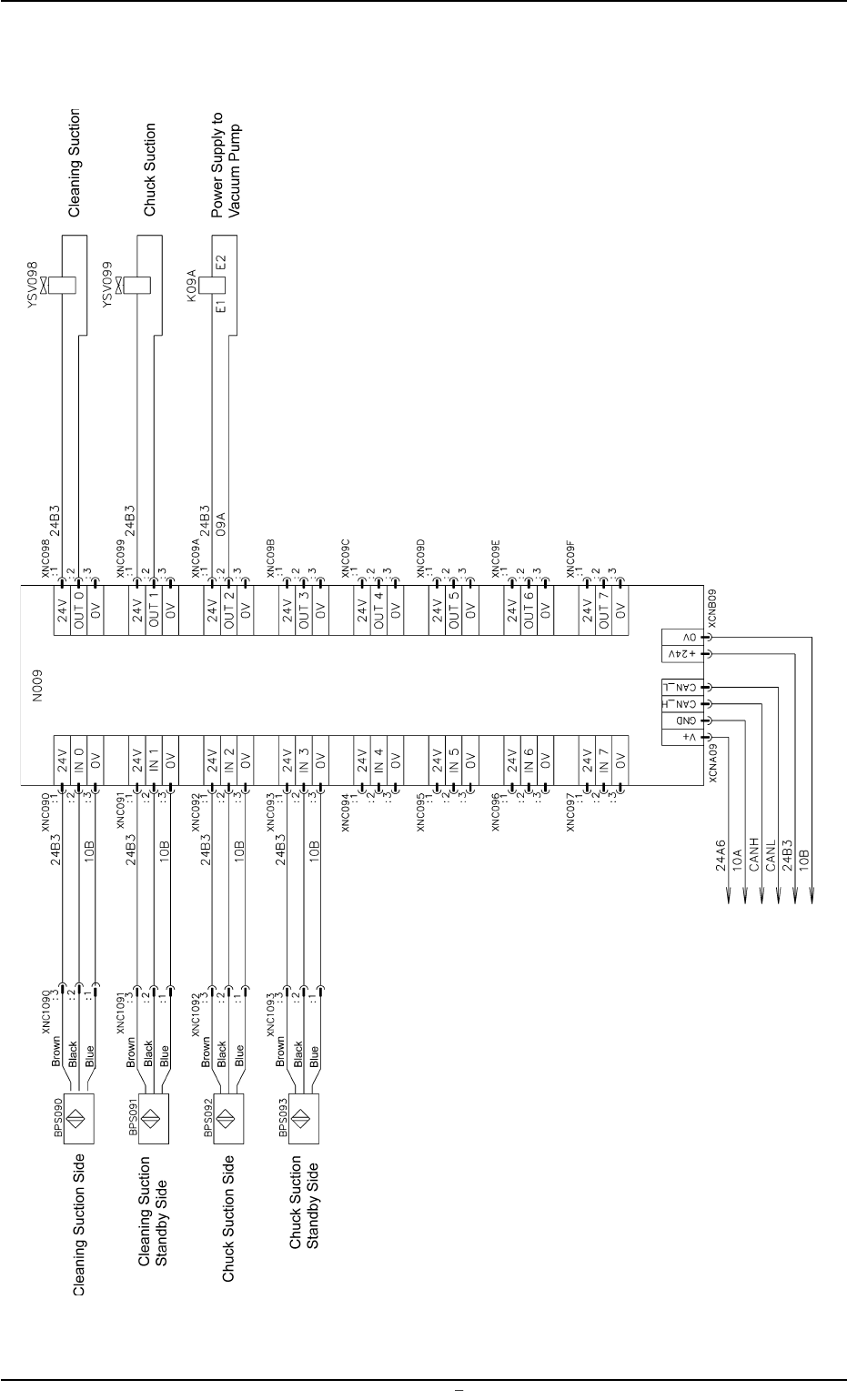
Utility Section I/O
Utility Section I/O
0004-001 - (M748WMM--0001) Chapter 3 3 91 AFU01EMTP