2OM-1104-001.pdf - 第376页
0004-001 - (M748WFH--0001) Chapter 3 3 81 AFU01EMTP Front and Rear Interface I/O Front and Rear Interface I/O

Table Section Pulse Motor
0004-001 - (M748WFC--0002) Chapter 3 3 80 AFU01EMTP
Table Section Pulse Motor

0004-001 - (M748WFH--0001) Chapter 3 3 81 AFU01EMTP
Front and Rear Interface I/O
Front and Rear Interface I/O

0004-001 - (M748WG---0001) Chapter 3 3 82 AFU01EMTP
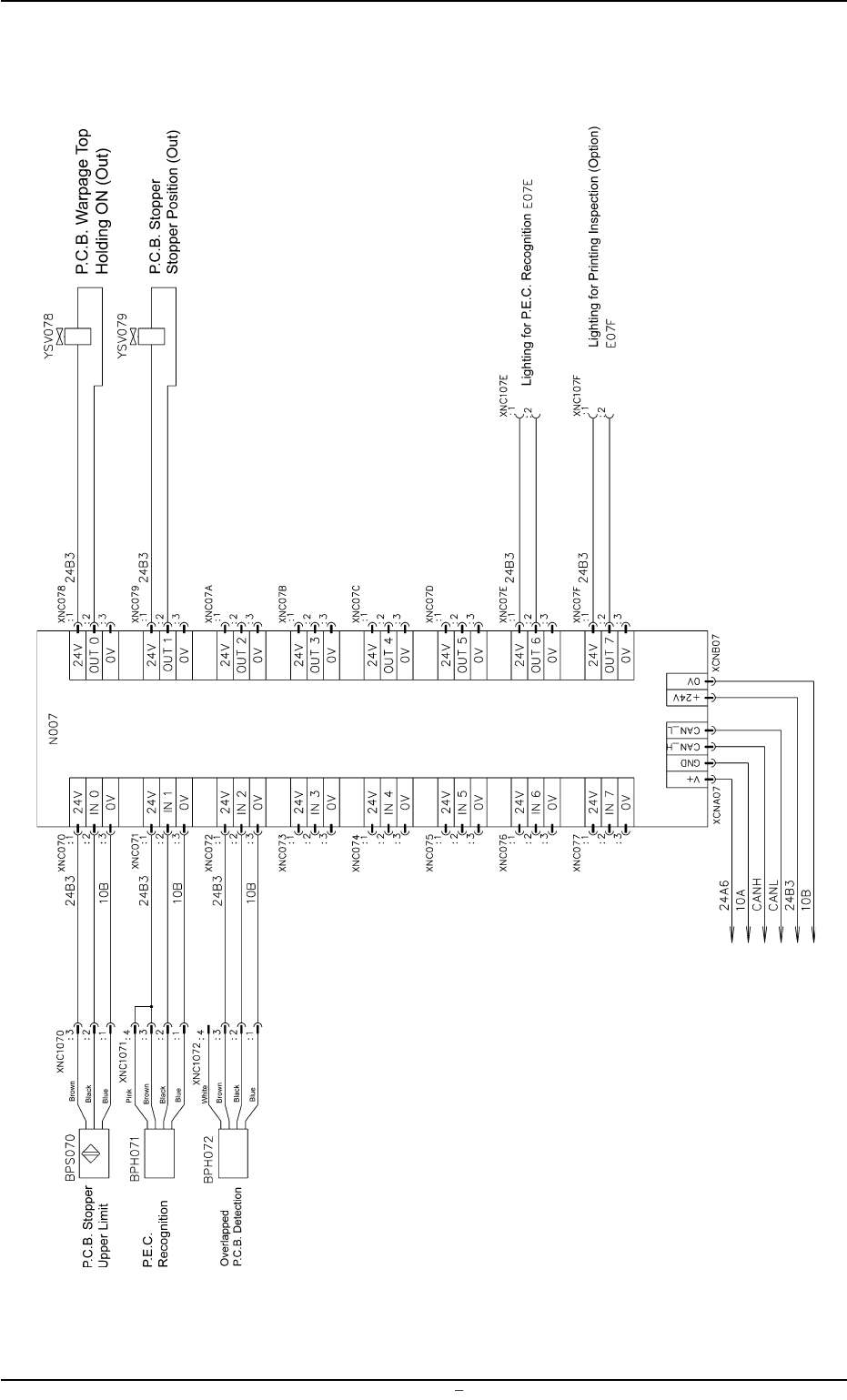
P.C.B. Recognition Section I/O
P.C.B. Recognition Section I/O