2OM-1104-001.pdf - 第300页
Air Piping Diagram (Details C) Air Piping Diagram (Details C) 0009-002 - (M748XA---0001) Chapter 3 3 5 AFU01EMTP

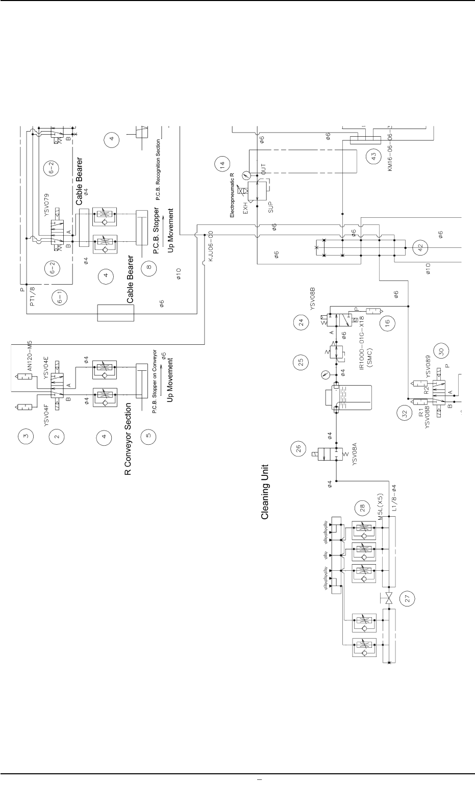
Air Piping Diagram (Details B)
Air Piping Diagram (Details B)
0004-001 - (M748XA---0001) Chapter 3 3 4 AFU01EMTP

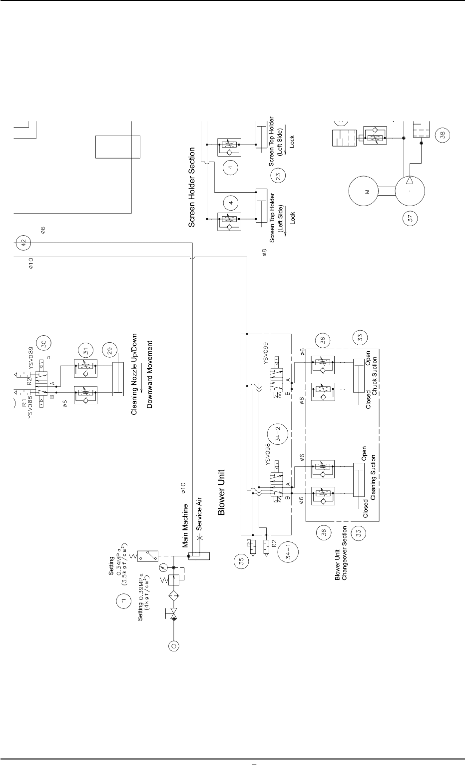
Air Piping Diagram (Details C)
Air Piping Diagram (Details C)
0009-002 - (M748XA---0001) Chapter 3 3 5 AFU01EMTP

Air Piping Diagram (Details D)
Air Piping Diagram (Details D)
0009-002 - (M748XA---0001) Chapter 3 3 6 AFU01EMTP