2OM-1104-001.pdf - 第380页
P .C.B. T ransfer I/O P .C.B. T ransfer I/O 0106-002 - (M748WH---0001) Chapter 3 3 85 AFU01EMTP

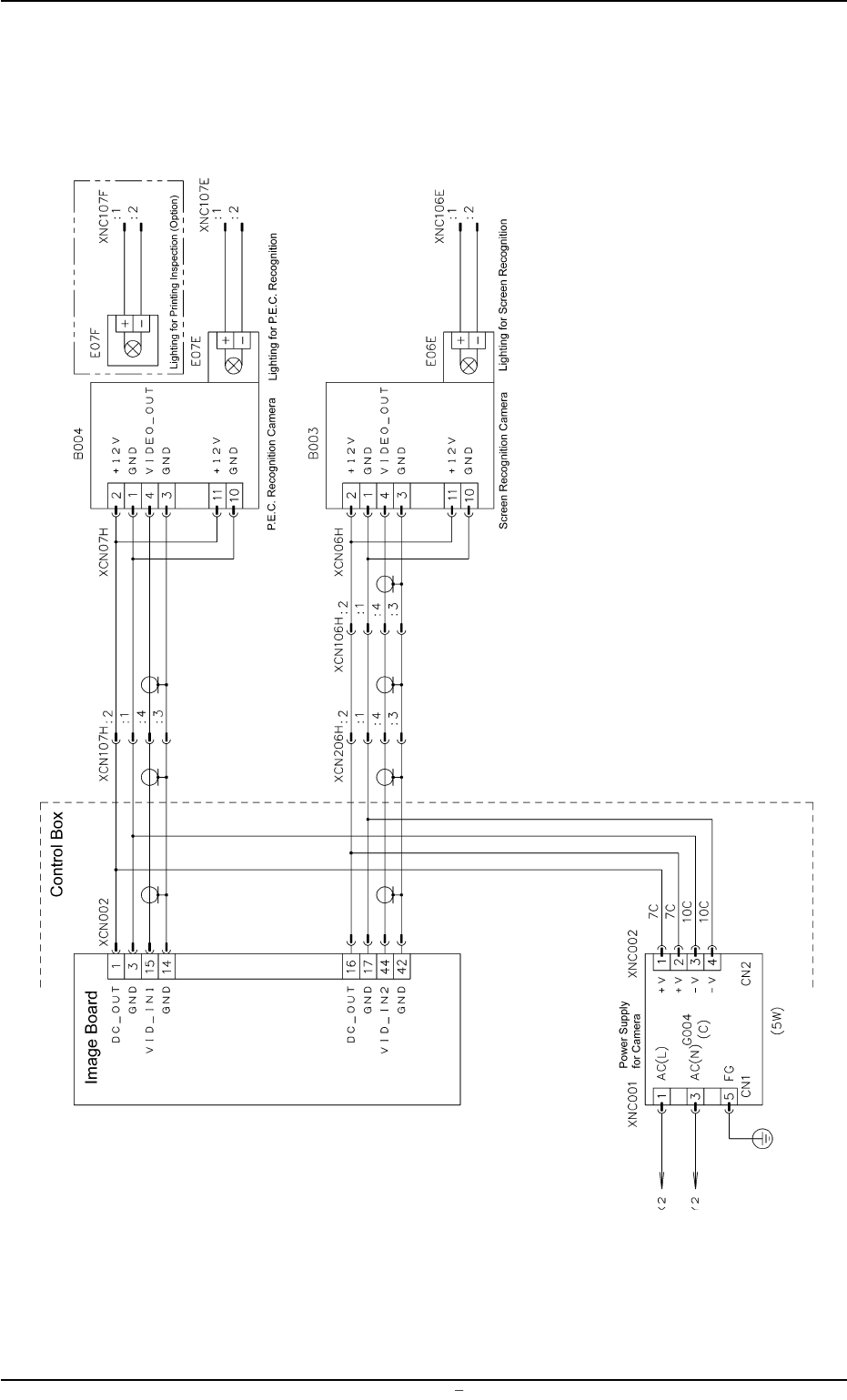
Recognition Camera Connection Diagram
Recognition Camera Connection Diagram
0004-001 - (M748WG---0003) Chapter 3 3 84 AFU01EMTP

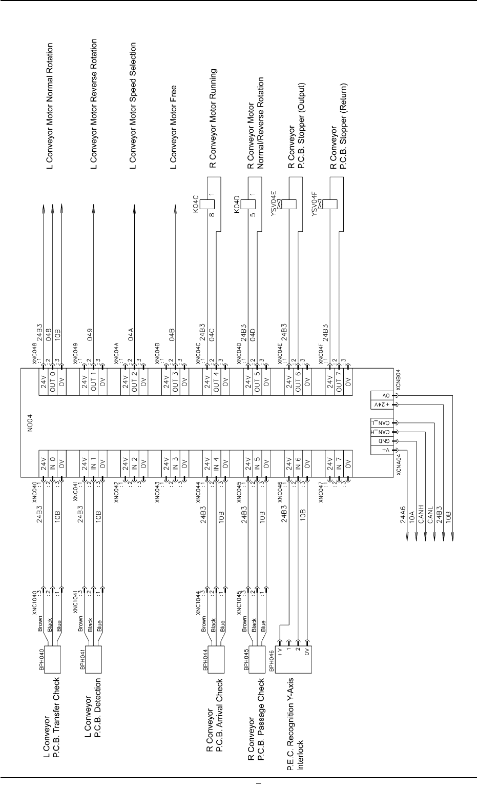
P.C.B. Transfer I/O
P.C.B. Transfer I/O
0106-002 - (M748WH---0001) Chapter 3 3 85 AFU01EMTP

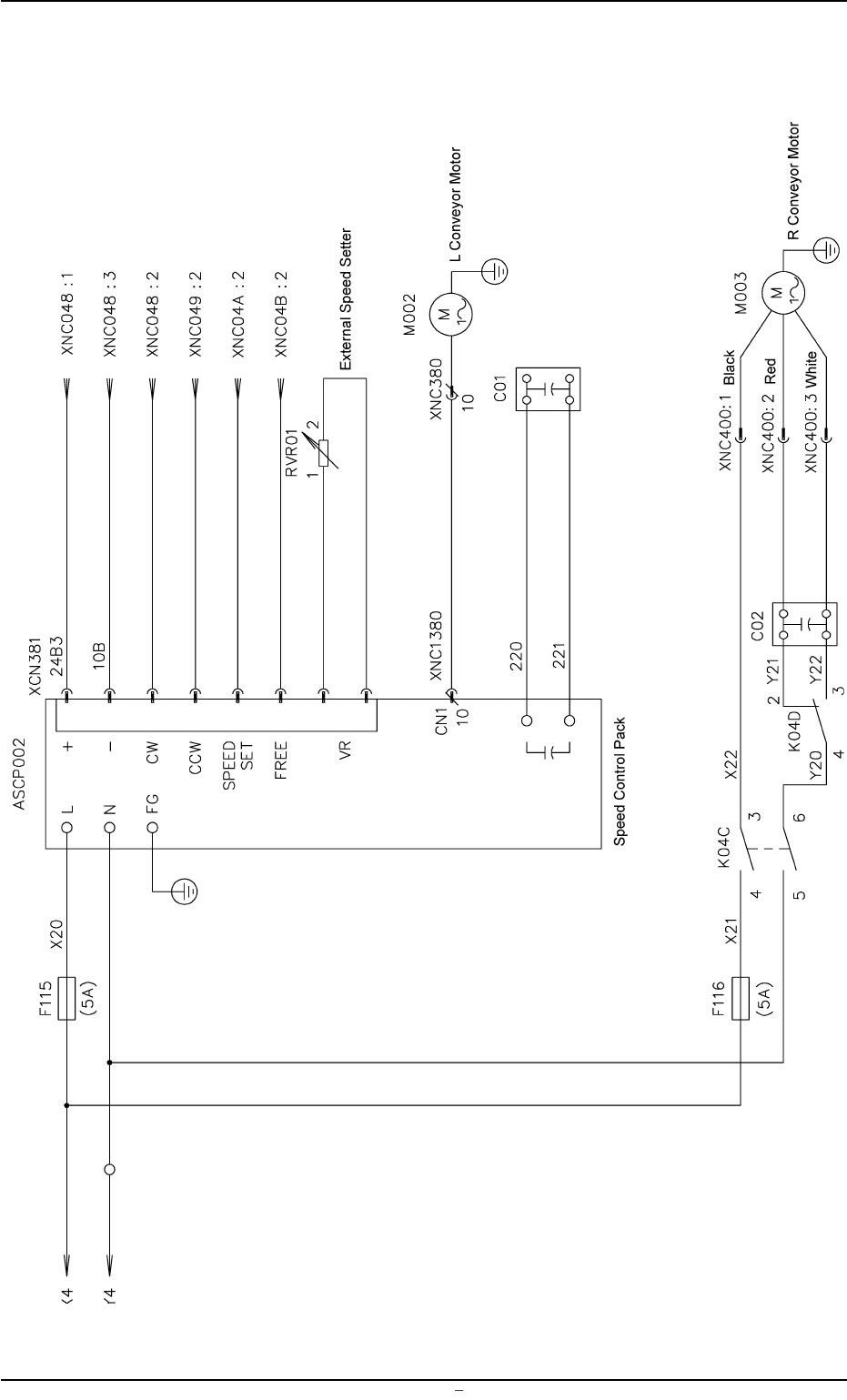
P.C.B. Transfer Motor
P.C.B. Transfer Motor
0004-001 - (M748WH---0002) Chapter 3 3 86 AFU01EMTP