2OM-1104-001.pdf - 第371页
Squeegee Head Section Motor 1 Squeegee Head Section Motor 1 0004-001 - (M748WF A--0002) Chapter 3 3 76 AFU01EMTP

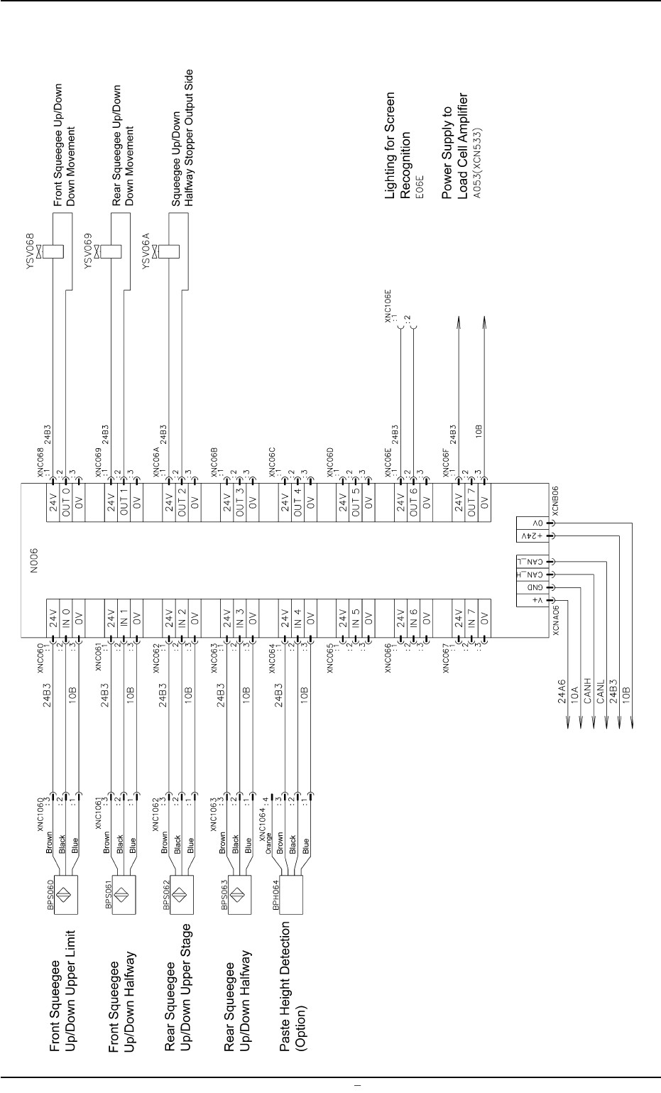
Squeegee Head I/O
Squeegee Head I/O
0106-002 - (M748WFA--0001) Chapter 3 3 75 AFU01EMTP

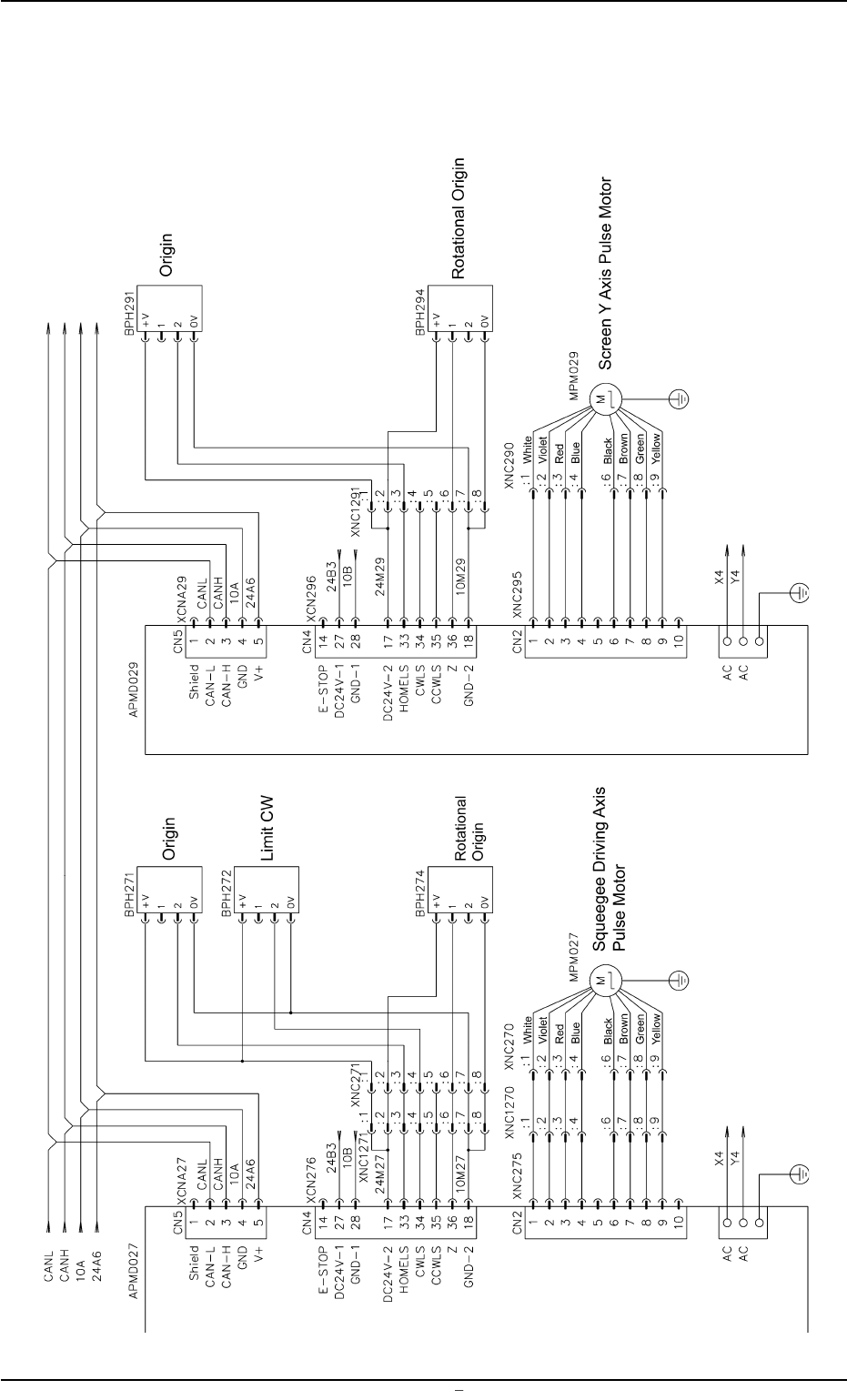
Squeegee Head Section Motor 1
Squeegee Head Section Motor 1
0004-001 - (M748WFA--0002) Chapter 3 3 76 AFU01EMTP

0004-001 - (M748WFA--0003) Chapter 3 3 77 AFU01EMTP
Squeegee Head Section Motor 2
Squeegee Head Section Motor 2