2OM-1104-001.pdf - 第358页
Power Circuit Diagram 1 Power Circuit Diagram 1 0004-001 - (M748WBA--0001) Chapter 3 3 63 AFU01EMTP

SDS Block Diagram
SDS Block Diagram
0004-001 - (M748WA---0002) Chapter 3 3 62 AFU01EMTP

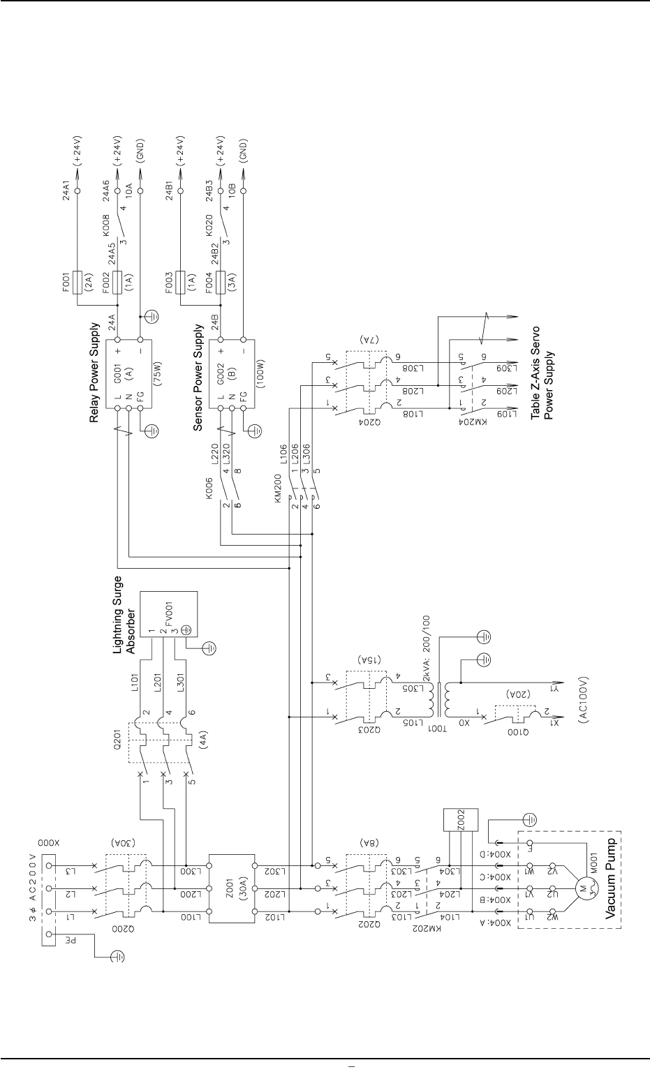
Power Circuit Diagram 1
Power Circuit Diagram 1
0004-001 - (M748WBA--0001) Chapter 3 3 63 AFU01EMTP

Power Circuit Diagram 2
Power Circuit Diagram 2
0004-001 - (M748WBA--0002) Chapter 3 3 64 AFU01EMTP