2OM-1104-001.pdf - 第382页
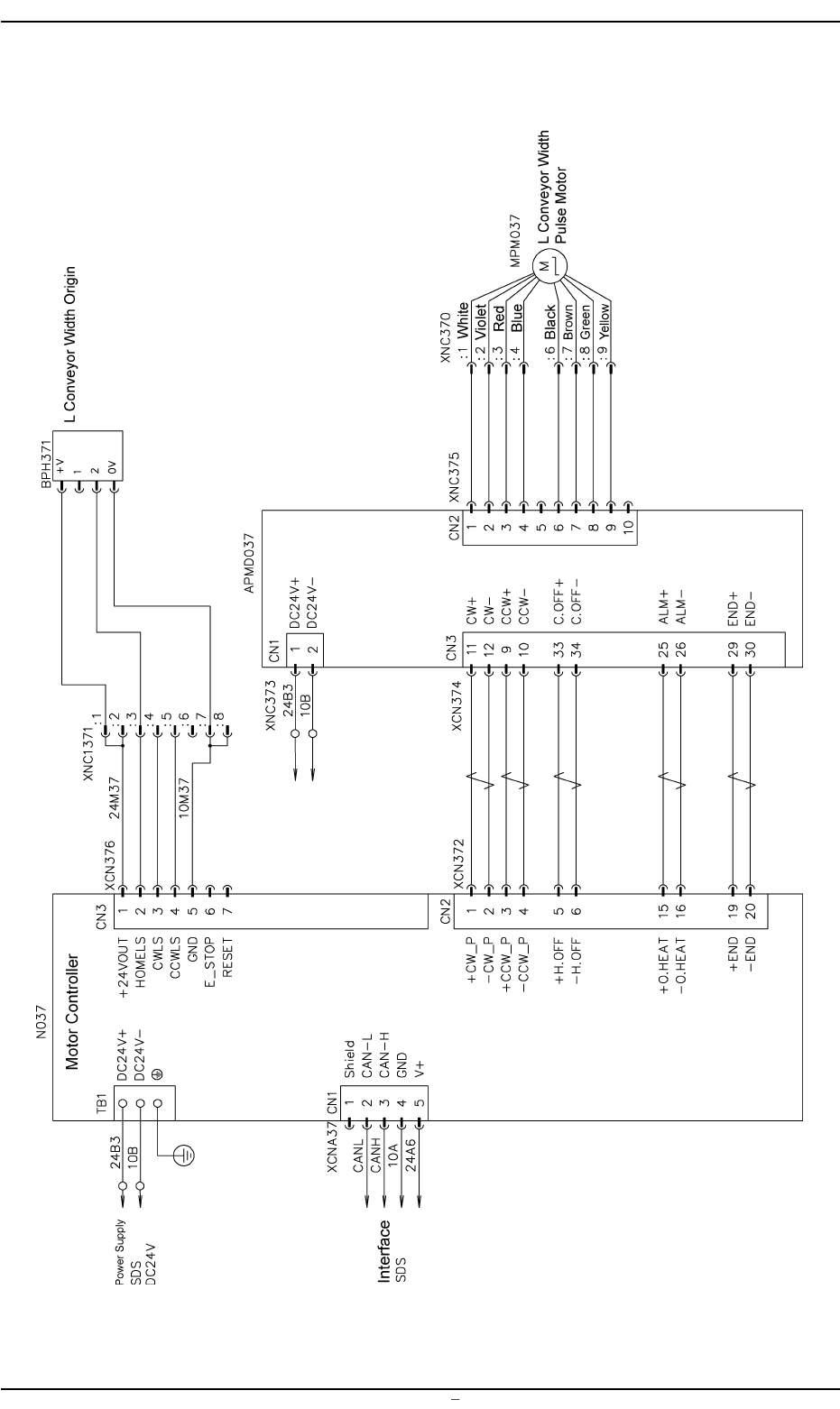
L Conveyor Width Pulse Motor L Conveyor Width Pulse Motor 0004-001 - (M748WH---0003) Chapter 3 3 87 AFU01EMTP

P.C.B. Transfer Motor
P.C.B. Transfer Motor
0004-001 - (M748WH---0002) Chapter 3 3 86 AFU01EMTP

L Conveyor Width Pulse Motor
L Conveyor Width Pulse Motor
0004-001 - (M748WH---0003) Chapter 3 3 87 AFU01EMTP

R Conveyor Width Pulse Motor
R Conveyor Width Pulse Motor
0004-001 - (M748WH---0004) Chapter 3 3 88 AFU01EMTP