FlexTRAK OH Material Handler Manual.pdf - 第272页
FlexTRAK-OH Material Handli ng System IOM Manual Specifications 8-12 © 2023 Nordson C orporation 8.7.6 Unloader Li fter Module Figure 8- 10 Pneumatic Diagra m – Unloader Lifte r Module

FlexTRAK-OH Material Handling System IOM Manual Specifications
8-10 © 2023 Nordson Corporation
8.7 Pneumatic Diagrams
This section displays the pneumatic diagrams that may help in understanding FlexTRAK-OH operation
and aid in troubleshooting.
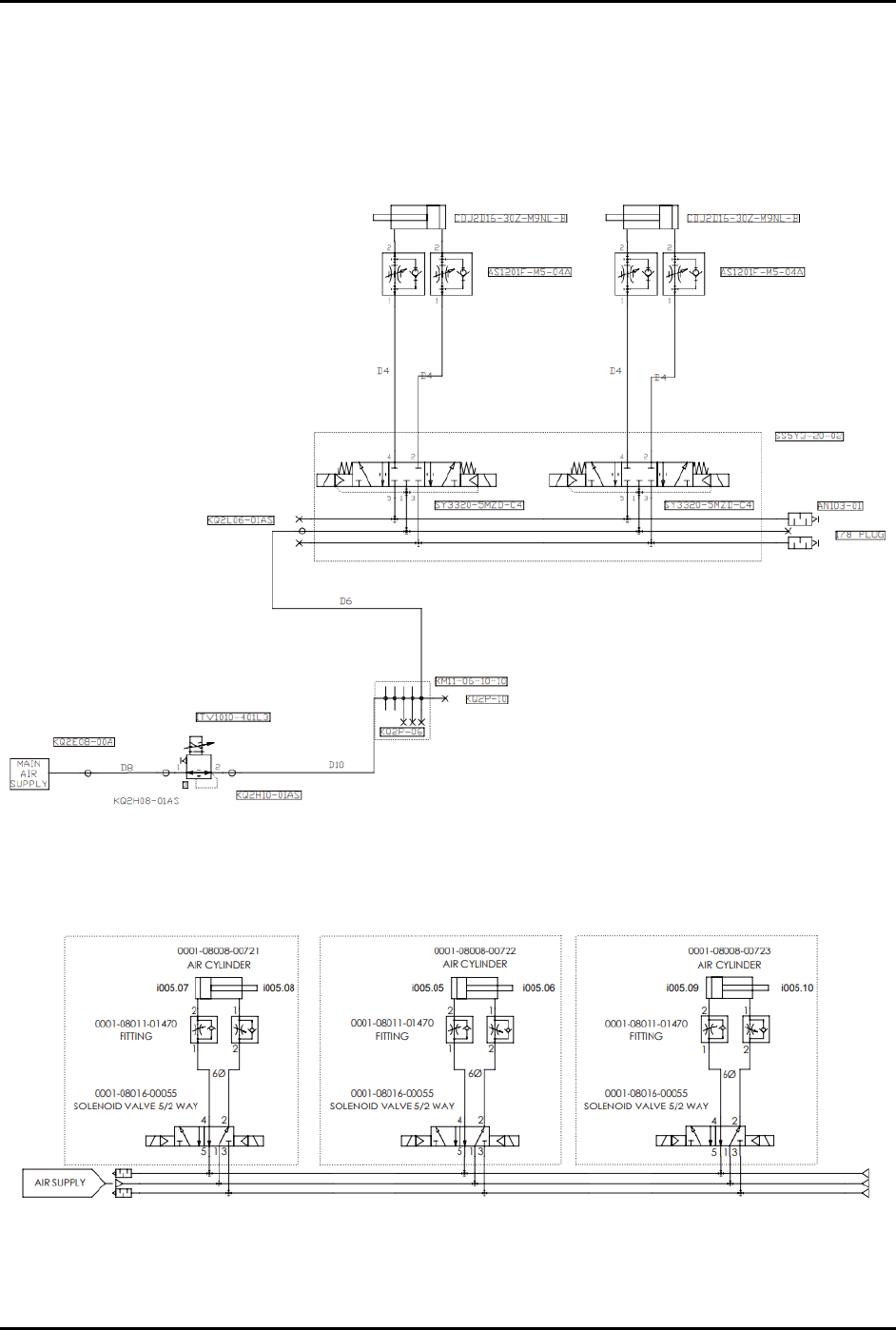
8.7.1 Claw Module
Figure 8-5 Pneumatic Diagram – Claw Module
8.7.2 Loader Magazine Port Module
Figure 8-6 Pneumatic Diagram – Loader Magazine Port Module

FlexTRAK-OH Material Handling System IOM Manual Specifications
© 2023 Nordson Corporation 8-11
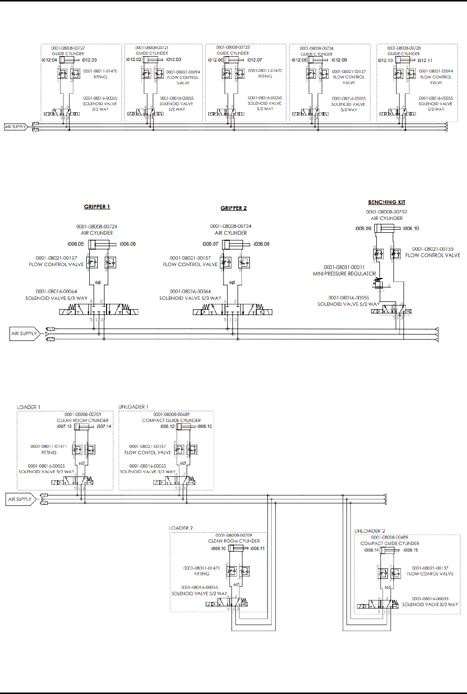
8.7.3 Unloader Magazine Port Module
Figure 8-7 Pneumatic Diagram – Unloader Magazine Port Module
8.7.4 Loader Lifter Module
Figure 8-8 Pneumatic Diagram – Loader Lifer Module
8.7.5 Return Conveyor Module
Figure 8-9 Pneumatic Diagram – Return Conveyor Module

FlexTRAK-OH Material Handling System IOM Manual Specifications
8-12 © 2023 Nordson Corporation
8.7.6 Unloader Lifter Module
Figure 8-10 Pneumatic Diagram – Unloader Lifter Module