NXT2机械手册.pdf - 第372页
7. 消耗品的更换 QD145-13 348 NXT II 机械手册 7.6 贴装工作头电池 7.6.1 电池的种类 *1:保证期间从电池的制 造年月日开始。 *2:电池寿命根据使用环 境有可能降低。 7.6.2 更换时期 请根据操作画面的报警显 示进行对应 7.6.3 更换方法 电池的更换操作,需要贴装工作 头在通电状态下进行。 首先, 为了取下电池盖板, 从模组取下贴装 工作头。 再次将贴装工作头安装到模组上, 在通 电的状态 ( …

QD145-13 7. 消耗品的更换
NXT II 机械手册 347
2. 一边保持模组后侧下部的反面盖板不要落下,一边拆下固定螺栓。
3. 将冷却风扇从反面盖板中取出,在风扇运转的状态下将导线处于垂下来的状态。
4. 因为接通了伺服电源,请使用任意的 Job 开始生产,立即临时停止生产。
a. 请按下 「STATE」按键,开始生产。
b. 在工作头开始动作的时候,请按下「CYCLE STOP」按键。进入工作头接通电源的状态。
5. 从拆下的反面的开口部分用手伸进模组, 找到要更换的电池盒。
6. 请打开电池盒,将电池与新品更换。
7. 将冷却风扇安装到反面盖板上。
8. 将反面盖板安装到模组上。
01MEC-0287S
ড䴶Ⲫᵓ
Ԏ᳡ㆅ

7. 消耗品的更换 QD145-13
348 NXT II 机械手册
7.6 贴装工作头电池
7.6.1 电池的种类
*1:保证期间从电池的制造年月日开始。
*2:电池寿命根据使用环境有可能降低。
7.6.2 更换时期
请根据操作画面的报警显示进行对应
7.6.3 更换方法
电池的更换操作,需要贴装工作头在通电状态下进行。
首先,为了取下电池盖板,从模组取下贴装工作头。再次将贴装工作头安装到模组上,在通
电的状态 ( 清扫模式 ) 下更换电池。
碗带的连接口 (EARTH BONDING POINT)设置在基座的正面以及背面。
为了防止静电,请使用控制电流用的内存电阻 ( 电阻值在 1MΩ 以上 ) 的防静电腕带。
备注 )在串行号 No.798 以前的 4M-2 基座、串行号 No.189 以前的 2M-2 基座上,没有背面的
防静电腕带接口。请使用基座内部的地线 BKT。
1. 使用手动模式的贴装工作头更换指令,从模组上取下贴装工作头 ( 参考 「5.8 贴装工作
头的拆除 / 安装」)。
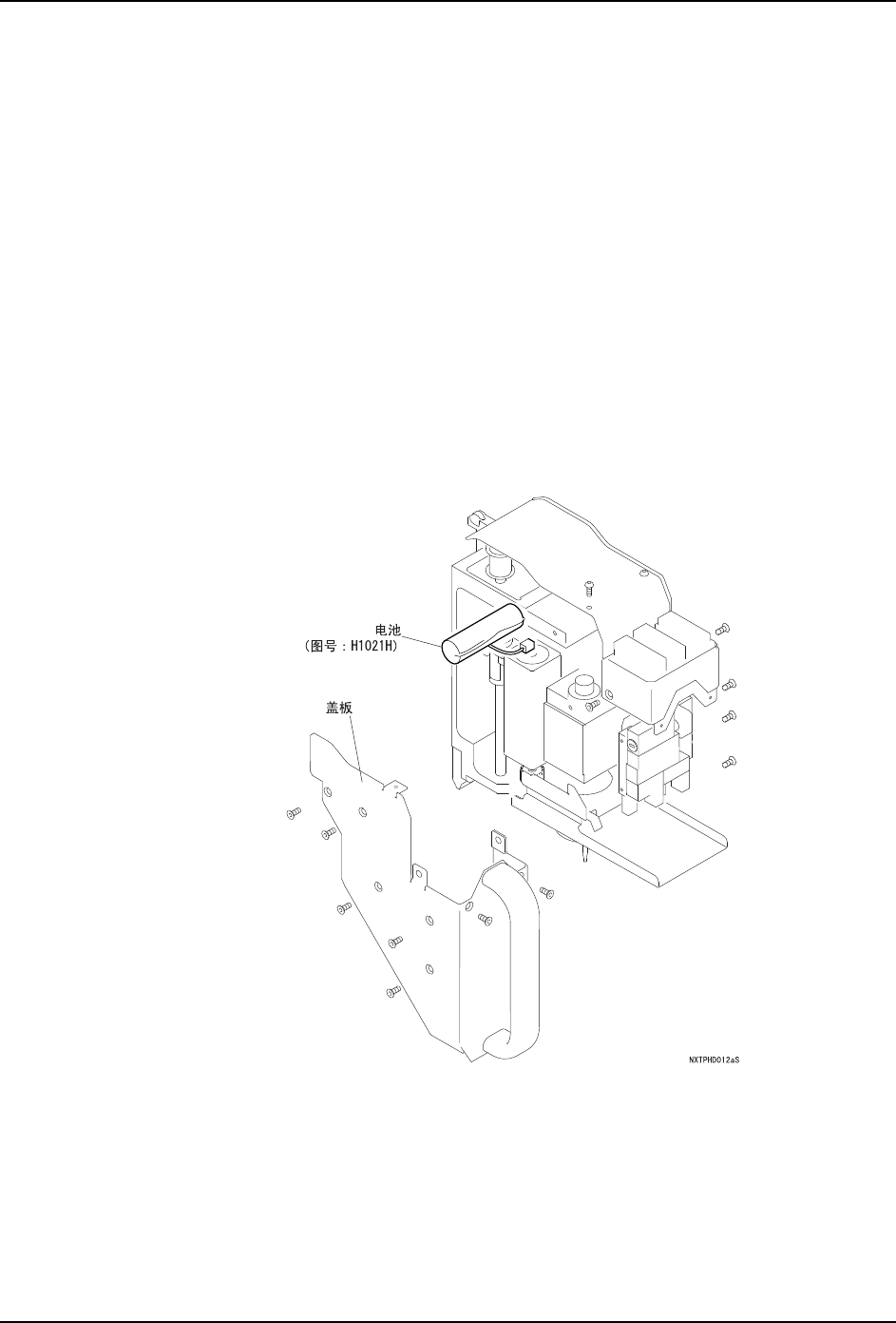
2. 取下贴装工作头的电池盖板 ( 参考下图 )。在此,请不要取下电池。
图号 H1021H
名称 电池
规格 ER6VLY
使用寿命 4 年 (周围温度 40 ℃、无运转)*2
显示报警 内容
Seek Number: 3A21 电池余量降低 (按照本项记载的要领尽早地更换电池)
Seek Number: 3A1F 电池备份数据消失 (在更换电池的同时,需要进行伺服马达的重
新设定。请与弊公司的代理店联络。)
注意
·请不要使用指定以外的电池。
·请在不切断机器电源状态下更换电池。没有接通电源的状态下拆下电池时,有必要重
新设定马达的原点。
·使用完的电池请根据进行处理的地区的规定进行处理。
·在携带静电的状态下继续操作时,有可能使电子元件破坏。

QD145-13 7. 消耗品的更换
NXT II 机械手册 349
3. 在取下电池盖板的状态下,重新将贴装工作头安装到模组上,插入模组 ( 参考 「5.8 贴
装工作头的拆除 / 安装」)。
4. 因为工作头接通了电源,请使用任意的 Job 开始生产,立即临时停止生产。
a. 请按下 「STATE」按键,开始生产。
b. 在工作头开始动作的时候,请按下「CYCLE STOP」按键。进入工作头接通电源的状态。
5. 使用手动模式的清扫指令,拉出模组。
( 请参考 「NXT II 系统手册」的 「手动模式指令」)。
6. 在模组安装了贴装工作头的状态下,拆下旧的电池的导线接插头,取下电池。将新电池
安装到贴装工作头上,连接导线接插头 ( 参考下图 )。
7. 插入模组 ( 参考 「5.8 贴装工作头的拆除 / 安装」)。
8. 按下 CANCEL 按键、MANUAL 按键。模组变为 START 等候状态。
9. 请按 1. 项的要领取下贴装工作头,安装盖板。
〈H01 工作头〉