NXT2机械手册.pdf - 第401页
QD145-13 7. 消耗品的更换 NXT II 机械手册 377 4. 打开控制器前面的电池盖板。 5. 拆下电池的导线插头,与新品的电池更换 。 6. 安装电池后,确认 「BAT」LED 已经熄灭。 7. 关上电池盖板。 8. 关紧控制器的安全门。

7. 消耗品的更换 QD145-13
376 NXT II 机械手册
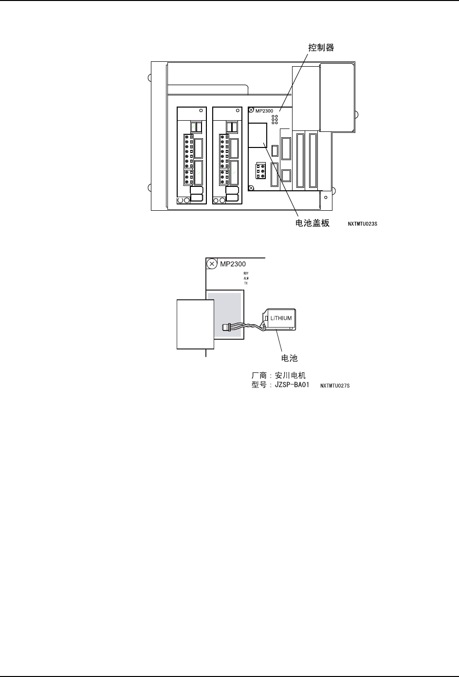
7.15 料盘单元 -L 伺服控制器的电池
对料盘单元 -L 的运转必要的数据保存在控制器 (MP2300) 内部的存储器中,这个存储器用
电池备份。 为了稳定运行料盘单元 -L,请每 2 年必须更换电池。
7.15.1 电池的种类
7.15.2 更换方法
1. 请接通模组的电源,安装料盘单元 -L。
2. 拧松螺丝,打开控制器的安全门。
3. 确认控制的 「RDY」LED( 绿色 ) 处于点亮状态。
图号 H10212
名称 电池
型号 JZSP-BA01
规格 1日8小时运转:约3年
注意
·请不要使用指定以外的电池。
·请在不切断机器电源状态下更换电池。没有接通电源的状态下拆下电池时,有必要重
新设定马达的原点。
·使用完的电池请根据进行处理的地区的规定进行处理。

QD145-13 7. 消耗品的更换
NXT II 机械手册 377
4. 打开控制器前面的电池盖板。
5. 拆下电池的导线插头,与新品的电池更换。
6. 安装电池后,确认 「BAT」LED 已经熄灭。
7. 关上电池盖板。
8. 关紧控制器的安全门。

7. 消耗品的更换 QD145-13
378 NXT II 机械手册
7.16 料盘单元 -L 的 TY 轴 ·TZ 轴伺服放大器的电池
7.16.1 更换时期
电池报警时。
7.16.2 更换方法
1. 请接通模组的电源,安装料盘单元 -L。
2. 请打开在 TY 轴和 TZ 轴马达旁边的各个电池盒,将电池与新品更换。
3. 装上料盘单元 -L 主体的盖板。
注意
·请不要使用指定以外的电池。
·请在不切断机器电源状态下更换电池。没有接通电源的状态下拆下电池时,有必要重
新设定马达的原点。
·使用完的电池请根据进行处理的地区的规定进行处理。