NXT2机械手册.pdf - 第490页
8. 部件的更换 QD145-13 466 NXT II 机械手册 8.15.3 三搬运轨道控制器的更换方法 更换准备 1. 拉出要更换控制器的模组的相邻模组。 2. 把主开关 OFF。 3. 从机器背面确认控制器位置。 4. 拆除 4 个螺栓,拆除顶盖板。 5. 拆除固定筋板的 4 个螺栓 (B)。 6. 一边注意不要强烈地拉电缆,一边向机器 前方倾斜筋板。 7. 慢慢地拉出通道 3 用的搬运轨道控制器。 注意 )即使取下通道 1·2…

QD145-13 8. 部件的更换
NXT II 机械手册 465
6. 拆下螺栓 (4 根 ),将搬运轨道控制箱与固定外壳一起拆下。
7. 拆下螺丝 (4 根 ),将搬运轨道控制箱从固定外壳上拆除并更换。
01MEC-0297S
ᅮ
ᨀ䖤䔼䘧ࠊㆅ
ᅮ
ᨀ䖤䔼䘧ࠊㆅ
ঠᨀ䖤䔼䘧!
ऩᨀ䖤䔼䘧!
01MEC-0299S
ᨀ䖤䔼䘧ࠊㆅ
ᅮ
ঠᨀ䖤䔼䘧!
01MEC-0300S
ᨀ䖤䔼䘧ࠊㆅ
ऩᨀ䖤䔼䘧!
ᅮ

8. 部件的更换 QD145-13
466 NXT II 机械手册
8.15.3 三搬运轨道控制器的更换方法
更换准备
1. 拉出要更换控制器的模组的相邻模组。
2. 把主开关 OFF。
3. 从机器背面确认控制器位置。
4. 拆除 4 个螺栓,拆除顶盖板。
5. 拆除固定筋板的 4 个螺栓 (B)。
6. 一边注意不要强烈地拉电缆,一边向机器前方倾斜筋板。
7. 慢慢地拉出通道 3 用的搬运轨道控制器。
注意 )即使取下通道 1·2 的控制器,为了确保取出空间,有必要临时拆除通道 3 用的控制器。
A
乊Ⲫ
01NST-0501S
B
01NST-0502S
ᴎ఼ࠡջؒ᭰

QD145-13 8. 部件的更换
NXT II 机械手册 467
通道 3 用控制器的更换
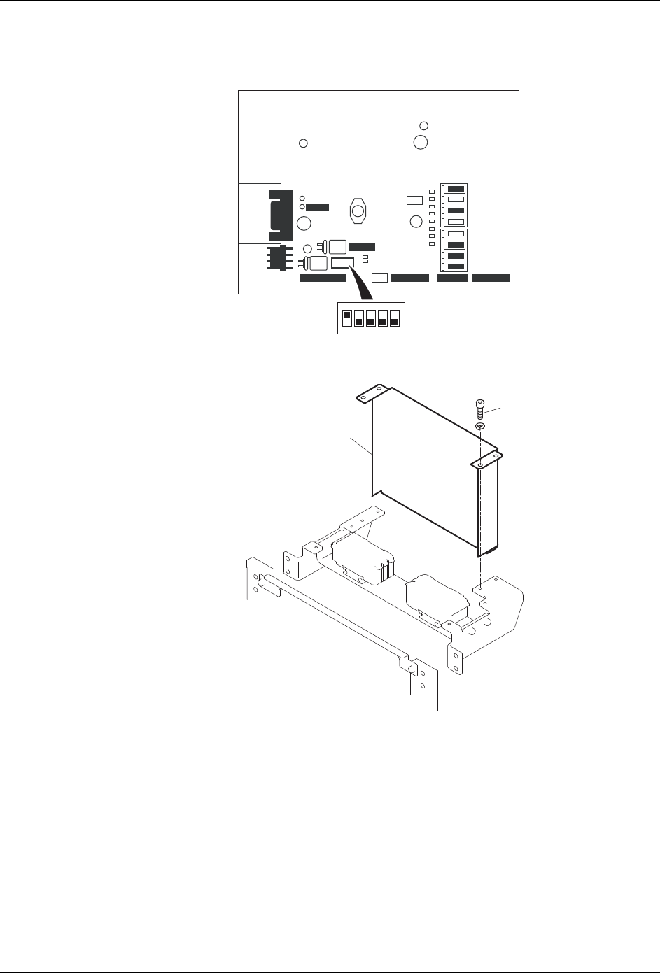
8. 从搬运轨道控制器上,拆除■显示部分的接插头。
9. 拆除固定筋板和轨道 3 用的控制器上的螺栓 (C),取下控制器。
10.在确认电路板上的双列直插开关上只有 No.1 处于 ON,其他全部处于 OFF 后,装载新的
控制器。
11.如果仅仅更换通道 3 用的控制器时,按从步骤 10 到步骤 1 的顺序进行复原操作。如果更
换通道 1·2 用的控制器时请进行下列的步骤 12 以后进行。
CN2
CN1
C13
CN3
CNB-1
CN4
CN9-2
CN10-1
a-1
b-1
a-2
b-2
a-3
b-3
a-4
b-4
CN5-3CN5-1CN9-1 CN5-2
01MEC-0650
ON
12345
C
01NST-0503S
䗮䘧⫼ࠊ఼