文档中心
/
RX-7R_维修手册.pdf
RX-7R_维修手册.pdf - 第435页
第 6 章 配管图
目录
100%
显示:宽度
宽度
1 / 508
回到旧版
旧版
?
第
5
章
设置图
5-
12.
电气设备箱
端子台分配
5-
12.
电气设备箱端子
台分配
电气设备箱从正面看的上侧
电气设备箱从正面看的近身侧
22
第
6
章
配管图
第
6
章
配管图
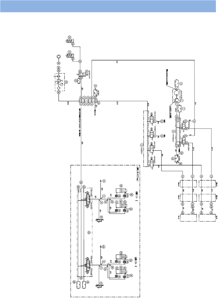
6-1.
总体配管图
2
6-1.
总体配管图
图中红色数字是用于在另外的零件清
单中进行零件检索的编号。要确认零件编号及型号时,
请参阅零件
清单。
该页面需要启用 JavaScript 才能进行交互式预览。