RX-7R_维修手册.pdf - 第441页
第 6 章 配管图 6-2. 传送带周围空气配管图 7 6-2-2. 电磁阀(机械止动器) RX-7R CONVEYOR SINGLE RX-7R CONVEYOR DUAL

第
6
章
配管图
6-2.
传送带周围空气配管图
6
6-2.
传送带周围空气配管图
图中红色数字是用于在另外的零件清单中进行零件检索的编号。要确认零件编号及型号时,请参阅零件
清单。
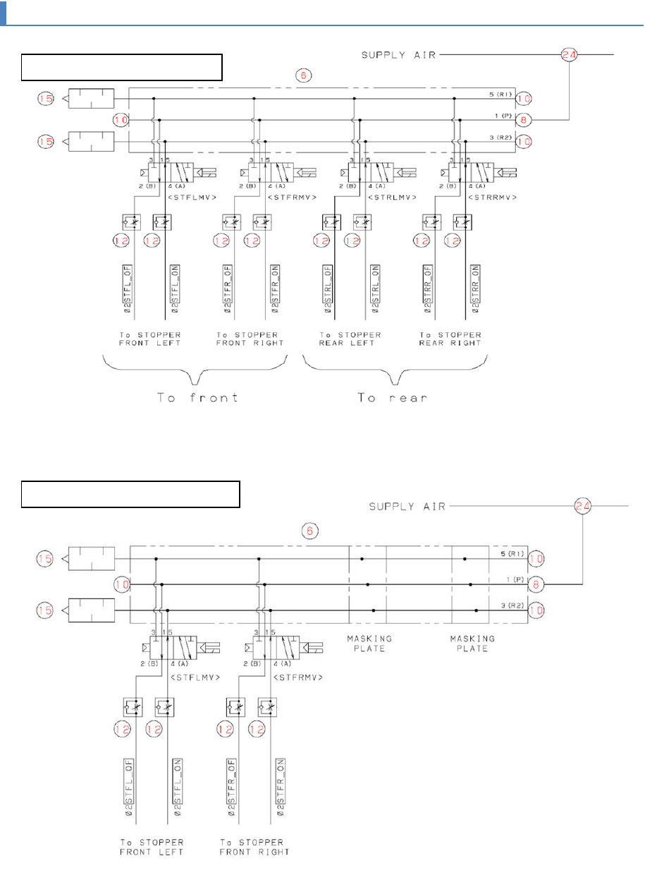
6-2-1.
电磁阀
RX-7R CONVEYOR DUAL
RX-7R CONVEYOR SINGLE

第
6
章
配管图
6-2.
传送带周围空气配管图
7
6-2-2.
电磁阀(机械止动器)
RX-7R CONVEYOR SINGLE
RX-7R CONVEYOR DUAL

第
6
章
配管图
6-2.
传送带周围空气配管图
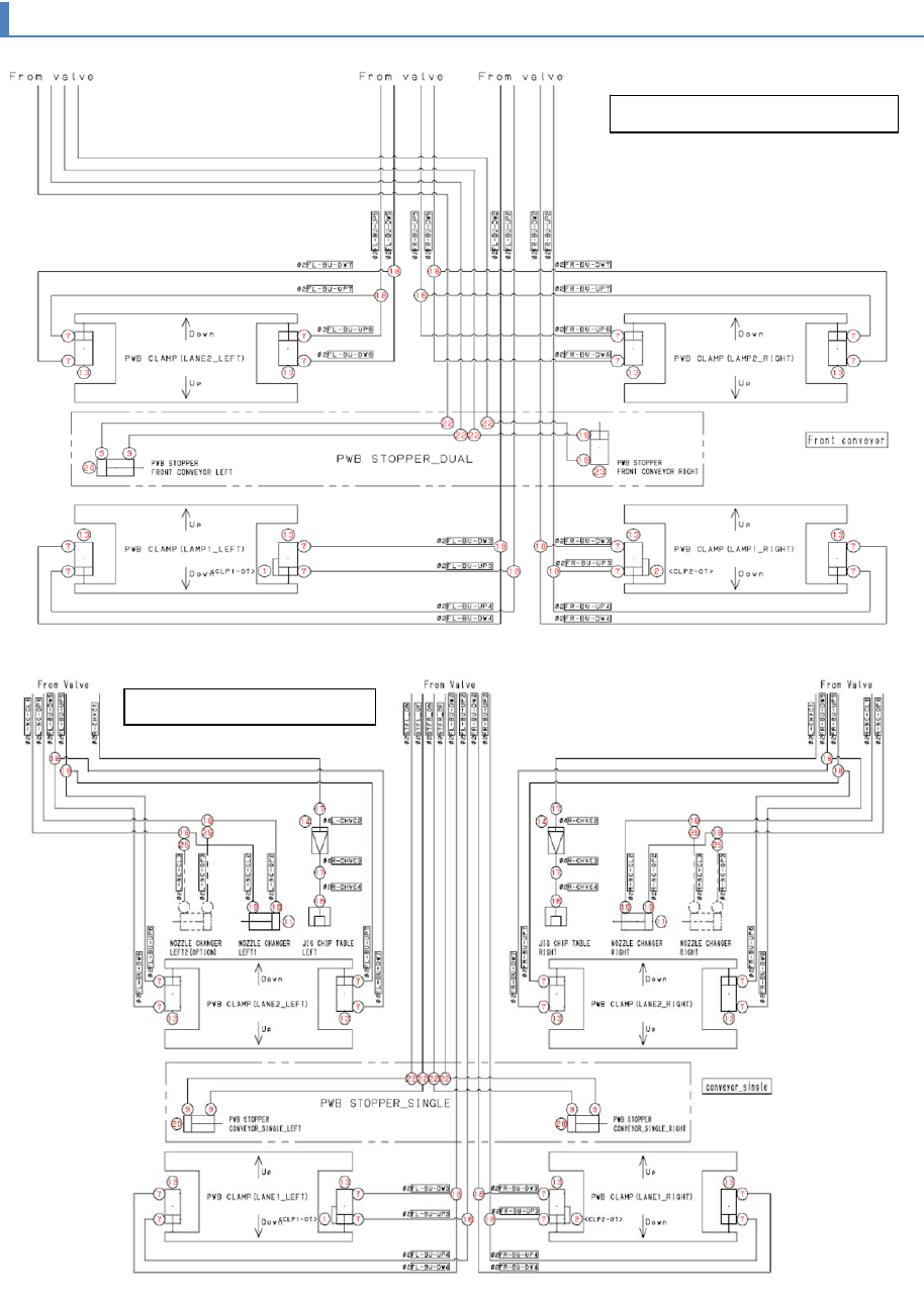
8
6-2-3.
传送带周围(前侧)
RX-7R_CONVEYOR_SINGLE
RX-7R CONVEYOR DUAL