RX-7R_维修手册.pdf - 第452页
第 7 章 故障分析 7- 1. 伺服放大器 (MR- J 4) 7-1- 3 . 警报 ・ 警告列表 运行过程中发生 故障时, 会显示 警报或 警告。 发生 警报及 警告时,请按照另外 编写的 “ MELSE RVO-J4 伺服 放大器技术资 料集( 故障分析篇) ” 实施恰当的 处理 。当警报发 生后, ALM (故 障)变为 OFF 。 排除警报原因后 ,可用下表 警报复位栏 内标有○的 某种方法予以 解除。警告则 在排除发 生原…

第
7
章
故障分析
7-1.
伺服放大器 (MR-J4)
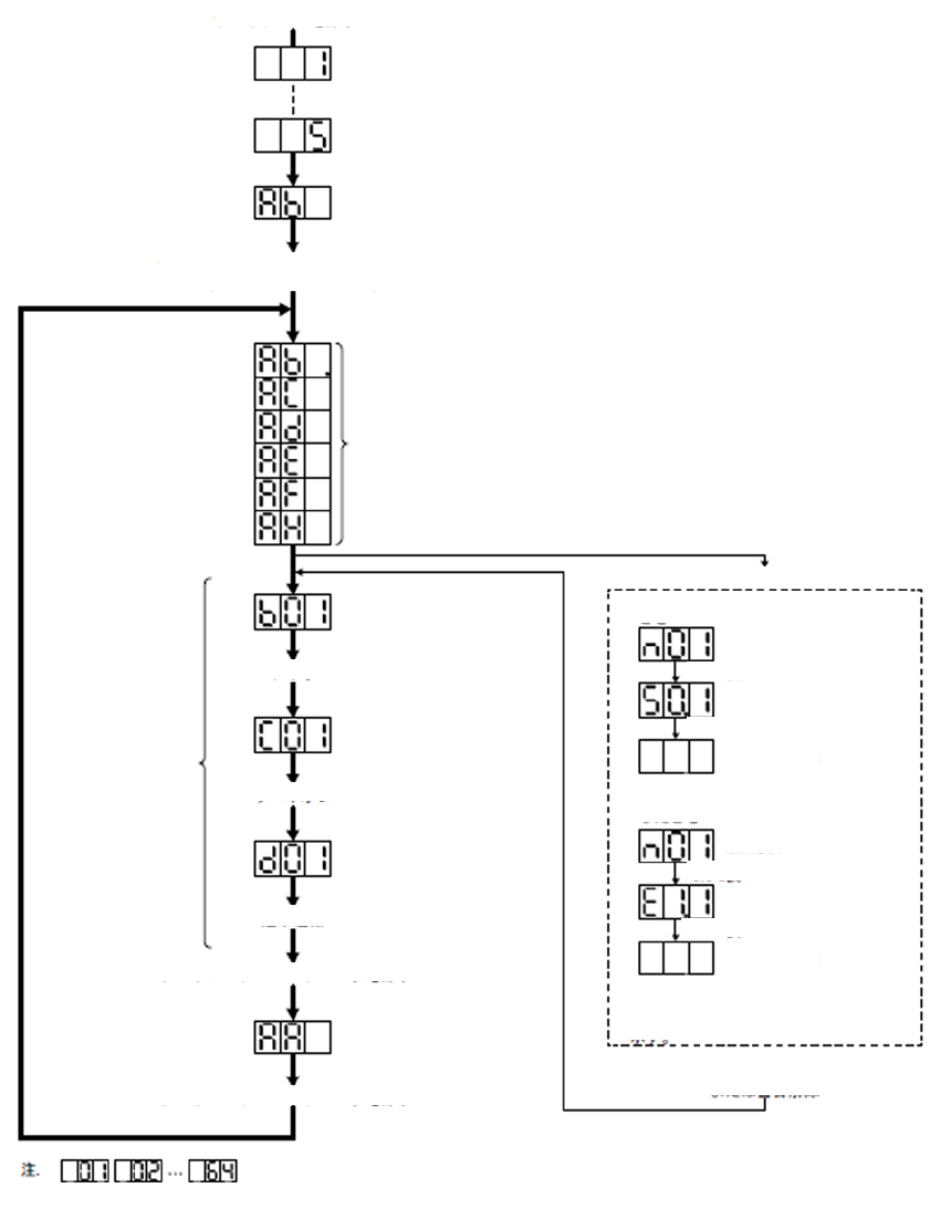
轴的状态显示
显示的流程
伺服放大器电源 ON
系统检测中
伺服系统控制器
等待电源 ON(SSCNETⅢ/H 通信)
伺服系统控制器电源 ON
(SSCNETⅢ/H 通信开始)
与伺服系统控制器交换
初始数据(初始化通信)
(
注
)
(
注
)
(
注
)
如发生警报
即显示警报代码。
READY OFF,伺服 OFF
READY ON
READY ON,伺服 OFF
伺服 ON
READY ON,伺服 ON
后 2 位的显示段表示轴编号。
伺服系统控制器电源 ON
伺服系统控制器电源
OFF
第 64 轴
第 1 轴 第 2 轴
警报及警告编号的场合
例:第 1 轴发生 [AL. 50 过负载 1]
时
闪烁显示
0.8s 后
闪烁显示
0.8s
后
空白显示
例:第
1
轴发生
[AL. E1
过负载警告
1] 时
闪烁显示
0.8s
后
闪烁显示
0.8s
后
空白显示
・ 非伺服 OFF 的警告时,以第 3 位的
小数点 LED 表示现在是伺服 ON。
警报复位
或警告解除
正常运行
5

第
7
章
故障分析
7-1. 伺服放大器 (MR-J4)
7-1-3.
警报・警告列表
运行过程中发生故障时,会显示警报或警告。发生警报及警告时,请按照另外编写的“MELSERVO-J4 伺服
放大器技术资料集(故障分析篇)”实施恰当的处理。当警报发生后, ALM(故障)变为 OFF。
排除警报原因后,可用下表警报复位栏内标有○的某种方法予以解除。警告则在排除发生原因后自动解
除。
停止方式表示为 SD 的警报及警告,在强制停止减速后以动力制动器停止。停止方式表示为 DB 或 EDB
的警报及警告则不进行强制停止减速就以动力制动器停止。
警报
编
号
名称
详细
显示
详细名称
停止
方式
*4 *5
警报复位
运行方式
错误
复位
C
P
U
复
位
电
源
OFF
↓ON
标
准
全
闭
环
线
性
电
动
机
D
D
10 电压不足 10.1 控制电路电源电压降低 EDB ○ ○ ○ ○ ○ ○
○
10.2 主电路电源电压降低 SD ○ ○ ○ ○ ○ ○
○
12 存储器故障
1 (RAM)
12.1 RAM 故障 1 DB - - ○ ○ ○ ○
○
12.2 RAM 故障 2 DB - - ○ ○ ○ ○
○
12.3 RAM 故障 3 DB - - ○ ○ ○ ○
○
12.4 RAM 故障 4 DB - - ○ ○ ○ ○
○
12.5 RAM 故障 5 DB - - ○ ○ ○ ○
○
13 时钟故障 13.1 控制时钟故障 1 DB - - ○ ○ ○ ○
○
13.2 控制时钟故障 2 DB - - ○ ○ ○ ○
○
14 控制处理
故障
14.1 控制处理故障 1 DB - - ○ ○ ○ ○
○
14.2 控制处理故障 2 DB - - ○ ○ ○ ○
○
14.3 控制处理故障 3 DB - - ○ ○ ○ ○
○
14.4 控制处理故障 4 DB - - ○ ○ ○ ○
○
14.5 控制处理故障 5 DB - - ○ ○ ○ ○
○
14.6 控制处理故障 6 DB - - ○ ○ ○ ○
○
14.7 控制处理故障 7 DB - - ○ ○ ○ ○
○
14.8 控制处理故障 8
DB - - ○ ○ ○ ○
○
14.9 控制处理故障 9
DB - - ○ ○ ○ ○
○
14.A 控制处理故障 10
DB - - ○ ○ ○ ○
○
6

第
7
章
故障分析
7-1.
伺服放大器 (MR-J4)
编
号
名称
详细
显示
详细名称
停止
方式
*4 *5
警报复位
运行方式
错误
复位
C
P
U
复
位
电
源
OFF
↓ON
标
准
全
闭
环
线
性
电
动
机
D
D
15 存储器故障
2(EEP-
ROM)
15.1 接通电源时 EEP-ROM
故障
DB - - ○
○
○ ○ ○
15.2 运行中 EEP-ROM
故障
DB - - ○ ○
○ ○ ○
16 编码器初始
通信故障 1
16.1 编码器初始通信
接收数据故障 1
DB - - ○ ○
○ ○ ○
16.2 编码器初始通信
接收数据故障 2
DB - - ○ ○
○ ○ ○
16.3 编码器初始通信
接收数据故障 3
DB - - ○ ○
○ ○ ○
16.4 编码器初始通信
发送数据故障 1
DB - - ○ ○
○ ○ ○
16.5 编码器初始通信
发送数据故障 2
DB - - ○ ○
○ ○ ○
16.6 编码器初始通信
发送数据故障 3
DB - - ○ ○
○ ○ ○
16.7 编码器初始通信
处理故障 1
DB - - ○ ○
○ - ○
16.A 编码器初始通信
处理故障 2
DB - - ○ ○
○ - ○
16.B 编码器初始通信
处理故障 3
DB - - ○ ○
○ - ○
16.C 编码器初始通信
处理故障 4
DB - - ○ ○
○ - ○
16.D 编码器初始通信
处理故障 5
DB - - ○ ○
○ - ○
16.E 编码器初始通信
处理故障 6
DB - - ○ ○
○ - ○
17
电路板故障
17.1
电路板故障
1
DB -
-
○
○
○
○
○
17.2
电路板故障
2
DB -
-
○
○
○
○
○
17.3
电路板故障
3
DB -
-
○
○
○
○
○
17.4
电路板故障
4
DB -
-
○
○
○
○
○
17.5
电路板故障
5
DB -
-
○
○
○
○
○
17.6
电路板故障
6
*6
EDB -
-
○
○
○
○
○
7