RS-1使用說明書.pdf - 第53页
第 1 部 基本篇 第 1 章 装置概要 1- 36 1- 5 对象元件 及元件包装 方式 (1) 适用元件尺寸 RS -1 /1R 单位: mm 识别 方法 适用尺寸 备注 × 激光识别 LNC 120 - 8 (注 4 ) 0301 5 ~□ 50 注: 0301 5 因元件形状造成识别不稳 定(不能正常 显示轮 廓等)时,请使 用 VCS ( 10mm 视野相机 )( OP ) 图像统一 识别 (注 1 ) 54m m 视 野摄 …

第 1 部 基本篇 第 1 章 装置概要
1-35
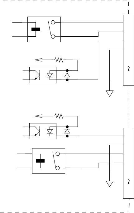
◇ READY OUT(IN) 及 BOARD AVAILABLE 信号的接口电路,参见下图。
依据 SMEMA 规格。
GND(24V)
+
+ 24V_
3.3K 1/4W
READY OUT +
BOARD AVAILABLE IN +
READY OUT -
BOARD AVAILABLE IN -
N.C.
1
2
3
4
5
14
READY IN +
BOAR
D AVAILABLE OUT
+
READY IN -
BOA
RD AVAILABLE OUT -
N.C.
1
2
3
4
5
14
+ 24V_
3.3K 1/4W
+
GND(24V)

第 1 部 基本篇 第 1 章 装置概要
1-36
1-5 对象元件及元件包装方式
(1)
适用元件尺寸
RS-1/1R 单位:mm
识别方法
适用尺寸
备注
×
激光识别 LNC120-8(注 4) 03015~□50
注:
03015
因元件形状造成识别不稳
定(不能正常显示轮廓等)时,请使
用
VCS
(
10mm
视野相机)(
OP
)
图像统一识别
(注 1)
54mm 视野摄像机
(注 2)
反射照明
□
3.0
~□
50.0
塑封尺寸□1.7 mm 以上
透过照明
□
3.0
~□
50.0
27 mm view
camera
反射照明
1005
~□
24.0
透过照明
□
3.0
~□
24
10 mm view
camera
反射照明
0.25x0.125
~□
8
透过照明
□
3
~□
8
图像分割识别
(注 1)
54mm 视野摄像机
反射照明
最大:
50
×
150
(
1
×
3
分割时)
□
74
(
2
×
2
分割时
)
塑封尺寸□1.7 mm 以上
透过照明 最大:50×120(1×3 分割时)
塑封尺寸□
1.7 mm
以上
短边应在
17mm
以上
27 mm view
camera
反射照明
~
24x72
(
1x3
分割)
~
□48
(
2x2
分割)
10 mm view
camera
反射照明 ~□16(2x2 分割)
激光识别
LNC120-8
类别 1 0.05~1 参照“(2)激光识别元件的识别高度”
类别 3 0.05~3
类别 6 0.05~6
类别 12 0.05~12
类别 20 0.05~20
类别 25 0.05~25
图像统一识别
54mm 视野摄像机 0.01~25
关于元件尺寸和高度的限制,
参 照“ (3) 图像识别元件的识别高度”
27 mm view camera 0.01~25
10 mm view camera
0.01
~
25
图像分割识别
54mm 视野摄像机
对角
86
不到
0.01~25
对角
86
以上
0.01
~
2.0
或
10.0
27 mm view camera
0.01
~
25
10 mm view camera
0.01
~
25
引脚间距
激光识别 LNC120-8 0.65 以上
如用激光识别,不能识别引脚间距、
球脚间距。
VCS 识别
(注 3)
54mm
视野摄像机
0.38
~
2.54
27 mm view camera
0.20
~
2.54
10 mm view camera
0.2
~
0.5
球间距
激光识别 LNC120-8 1.00~3.00
如用激光识别,不能识别引脚间距、
球脚间距。
VCS 识别
(注 3)
54mm
视野摄像机
0.50
~
3.00
27 mm view camera
0.25
~
2
10 mm view camera
0.1
~
0.5
球径
VCS 识别
(注 3)
54mm 视野摄像机
φ 0.3
~
φ1.0
27 mm view camera
φ 0.10
~
φ0.63
10 mm view camera
φ 0.04
~
0.2
引脚长度
VCS
识别
(注
3
)
54mm 视野摄像机 0.4~
除了引脚前端形状为平的之外,不属
于精度保证范围。

第 1 部 基本篇 第 1 章 装置概要
1-37
注 1: 使用透射照明进行引脚识别时,因不采用完全的平行光,引脚显示较细。
而且视野的一部分领域,因为把从下面照射的光线反射到 Head 的背景板作为透射光利用,因此引
脚位置在从下面的光照射领域时,在引脚面反射,使得引脚显得更细,有时甚至看不见。因此透射
照明的引脚识别,不列入精度保证范围内。
注 2: 最大尺寸,包括元件设置位置及用 Head 吸取时的示教误差在内,识别时的识别范围,使用 VCS
时,应在□52mm 视野范围内。
图像识别的适用元件最大尺寸,吸取时 XY 误差在±1mm 以下,角度误差±3°以下。
超过□7mm 的元件要适用图像识别时,对邻接的 Head 不能分配元件。
透射照明识别元件,在从元件边界起 1.3mm 以内位置吸取时,有时因为吸嘴的影子,识别不稳定。
注 3: 通用图像元件类的引脚元件(多间距连接器等)、球脚元件的可识别间距如下表所示。
表
通用图像元件规格
54mm
视野摄像机
27mm
视野摄像机
10mm
视野摄像机
引脚
间距
0.5
~
22.0mm
0.3
~
11.0mm
0.2
~
0.5mm
幅面
0.22mm
~
0.12
~
5.00mm
0.12
~
1.80mm
长度
0.40mm
~
0.20
~
5.00mm
0.20
~
1.80mm
数
1
~
384
/
1
要素小组
球
间距
1.0
~
22.0mm
0.25
~
11.0mm
0.10
~
4.00mm
径
0.4mm
~
0.10
~
2.50mm
0.04
~
0.20mm
数
3
~
6936
個/
1
要素小组