KE2010取扱説明書Ver.2.01和文Rev.08.pdf - 第60页
1 - 41 表 表 表 表 1-4-3 プリンタ用コネクタのピン配置 プリンタ用コネクタのピン配置 プリンタ用コネクタのピン配置 プリンタ用コネクタのピン配置 信号名 使用コネクタ 1 STROBE 2 D0 3 D1 4 D2 D-SUB 5 D3 25 P FEMALE 6 D4 7 D5 8 D6 9 D7 10 ACK 11 BUSY 12 PE 13 SLCT 14 AUTFD 15 ERROR 16 INIT 17 SLC…

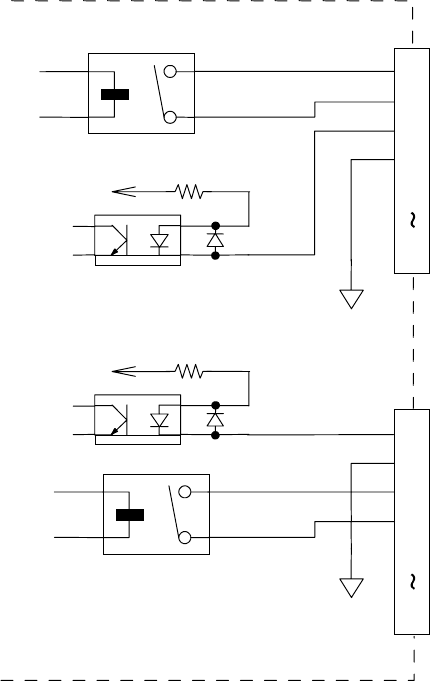
1 - 40
レディアウト(イン)信号と,ボードアベイラブル信号のインターフェイス回路を 図 1-4-4 に示し
ます。
SMEMA規格に準拠しています。
GND
(
24V
)
+
+ 24
V
_
3.3K 1/4W
READY OUT +
BOAD AVAILABLE IN +
READY OUT -
BOAD AVAILABLE IN -
N.C.
1
2
3
4
5
14
READY IN +
BOAD AVAILABLE OUT +
READY IN -
BOAD AVAILABLE OUT -
N.C.
1
2
3
4
5
14
+ 24
V
_
3.3K 1/4W
+
GND
(
24V
)
図
図図
図 1-4-4

1 - 41
表
表表
表 1-4-3
プリンタ用コネクタのピン配置
プリンタ用コネクタのピン配置プリンタ用コネクタのピン配置
プリンタ用コネクタのピン配置
信号名
使用コネクタ
1 STROBE
2 D0
3 D1
4 D2 D-SUB
5 D3
25
P FEMALE
6 D4
7 D5
8 D6
9 D7
10 ACK
11 BUSY
12 PE
13 SLCT
14 AUTFD
15 ERROR
16 INIT
17 SLCT IN
18 GND
19 GND
20 GND
21 GND
22 GND
23 GND
24 GND
25 GND
表
表表
表 1-4-4
キーボード用コネクタのピン配置
キーボード用コネクタのピン配置キーボード用コネクタのピン配置
キーボード用コネクタのピン配置
信号名
使用コネクタ
1 DATA
2 N.C.
3 GND
日本圧着端子
4
+5
V
5 CLOCK MD-S6000-13
6 N.C.

1 - 42
表
表表
表 1-4-5
トラックボール用コネクタのピン配置
トラックボール用コネクタのピン配置トラックボール用コネクタのピン配置
トラックボール用コネクタのピン配置
信号名
使用コネクタ
1 DATA
2 N.C.
3 GND
日本圧着端子
4
+5
V
5 CLOCK MD-S6000-13
6 N.C.
表
表表
表 1-4-6
イーサネットコネクタのピン配置
イーサネットコネクタのピン配置イーサネットコネクタのピン配置
イーサネットコネクタのピン配置
信号名
使用コネクタ
1 TD+
2 TD-
3 RD+
モジュラーコネクタ
4 N.C.
5 N.C.
8P
6 RD-
7 N.C.
8 N.C.