天龙M10 M20_中文手册.pdf - 第419页
14.智能型送料器功能 14-3 运用形态 运用智能型送料器功能的环境有以下三种形态,各具特征。 ■ 只在 1 台贴片机上加以运用的情况下 服务器 软件 条形码输 入软件 客户端 软件 贴片机 软件 贴片 机 条 形码扫描 器 2、 ■ 在 1 台贴片机和 PC 上加以运用的情况下 服务器 软件 条形码输 入软件 客户端 软件 贴片机 软件 贴片 机 条 形码输入 软件 PC LA N 特征 ·不需要构建本地网络(LAN)。 ·无须设定…

14.智能型送料器功能
14-2
设置
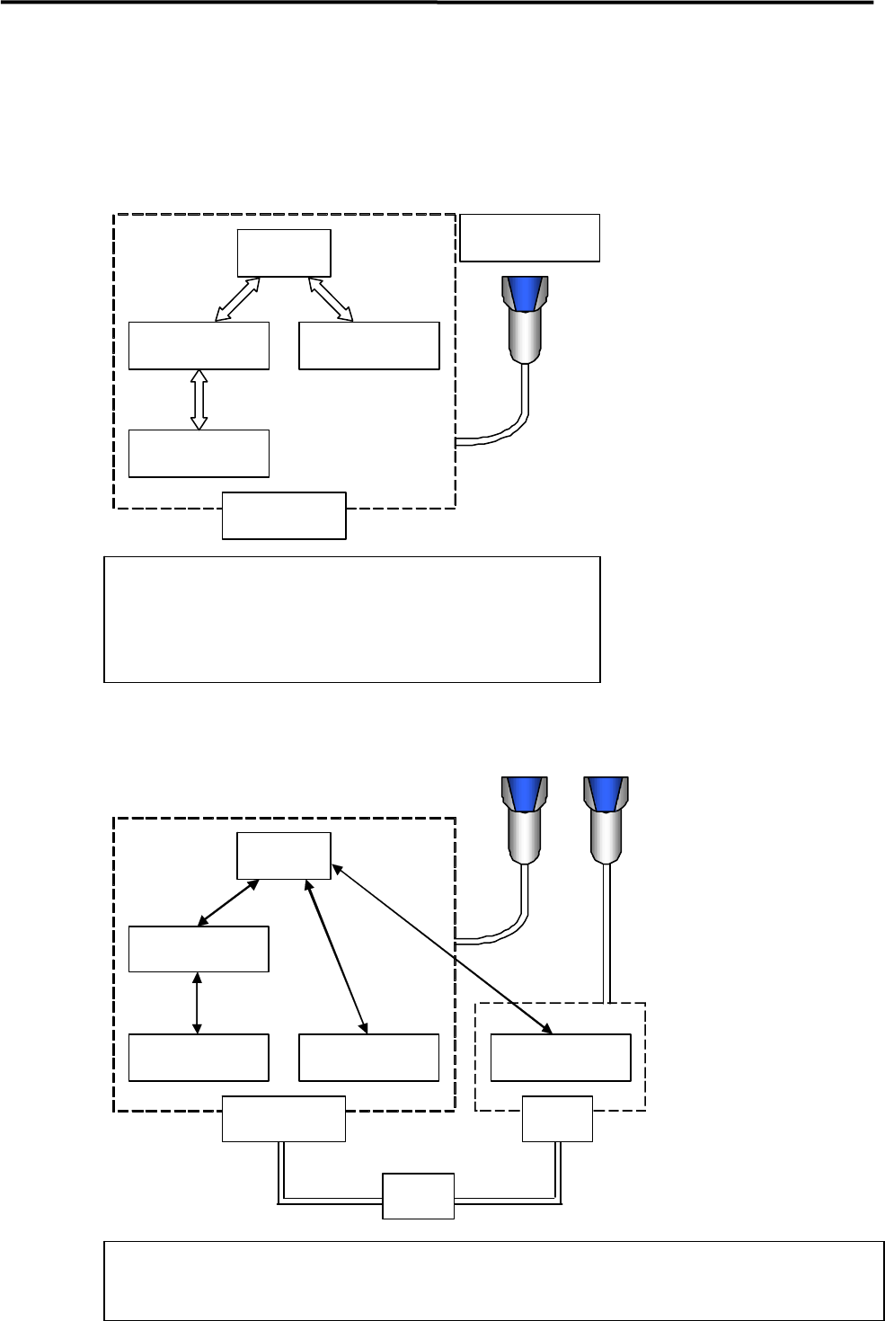
软件构成
智能型送料器系统,由以下软件构成。
软件 保存地点
1 服务器用通信软件(CompSvr.exe) 贴片机或者 PC
2 客户端通信软件(CompClient.exe) 贴片机
3 条形码输入软件(InputBar.exe) 贴片机或者 PC
4 条形码印刷软件(BarcodePrint.exe) PC
■ 服务器用通信软件(以下称作“服务器软件”。)
可以对 ID 数据库进行管理。在 ID 数据库中,与送料器相关的元件条形码、元件初始值、元件剩
余数以及送料器的状态情报等将被登录。在网络上只有 1 台贴片机或者1台PC能够加以运用。
■ 客户端通信软件(以下称作“客户端软件”。)
可以将来自贴片机软件的要求传送给服务器软件。在通常情况下,不需要操作者特意执行该软件
程序。如果在贴片机上将智能型送料器功能变为有效,在 MMI 起动时该软件程序就会启动。通过
使用 TCP/IP 与服务器软件进行通信。
■ 条形码输入软件
可以将操作者用条形码扫描器读取的条形码数据传送给服务器软件。读取的条形码种类包括送料
器 ID、元件条形码、指令条形码等。通过使用 TCP/IP 与服务器软件进行通信。
■ 条形码印刷软件
针对没有附带条形码的元件,可以将元件条形码打印出来,粘贴在元件卷盘上。另外,还可以印
刷送料器 ID 条形码、指令条形码。通过读取服务器软件制作的数据文件,既可以用条形码形式加
以输出。
送料器条形码 元件条形码 元件代码 其他
F2-825-000045A 3N1CR1/8-100JV 1005C ……
F2-84-0000001A 341B5K0863 1005R ……
元件条形码
送料器 ID
送料器 ID 条形码
元件资料库
ID 数据库
ID 数据库概念图

14.智能型送料器功能
14-3
运用形态
运用智能型送料器功能的环境有以下三种形态,各具特征。
■ 只在 1 台贴片机上加以运用的情况下
服务器软件
条形码输入软件客户端软件
贴片机软件
贴片机
条形码扫描器
2、
■ 在 1 台贴片机和 PC 上加以运用的情况下
服务器软件
条形码输入软件
客户端软件
贴片机软件
贴片机
条形码输入软件
PC
LAN
特征
·不需要构建本地网络(LAN)。
·无须设定对网络进行设定,马上既可运用。
·只能在贴片机上构建数据库。
特征
·由于能够在 PC 上进行数据库的登录,因此可以在任何场所构建数据库。

14.智能型送料器功能
14-4
■ 在 2 台以上的贴片机上加以运用的情况下
LAN
条形码输入软件
客户端软件
贴片机
PC
条形码输入软件
客户端软件
贴片机
PC
条形码输入软件
服务器软件
LAN
特徴
·可以对多台贴片机登录的送料器 ID、元件条形码进行统一管理。
·由于是对数据库进行统一管理,因此只需登录 1 次,就可以在多台贴片机上对送料器 ID、元件
按条形码加以利用。
·由于能够在 PC 上进行数据库的登录,因此可以在任何场所构建数据库。