N7201A616J00.pdf - 第104页
NPM-W 2 EJM7DJ-MB-02O-0 0 第 1 階層 第 2 階層 第 3 階層 第 4 階層 2-2-2 -3 オペレーターモード 2 各部の 名称 メニュー構成 2 操作編 2-2-2 吸着情報 生産情報 メニュー ステージごとの稼働時間情報を 表示する。 非常停止エラーの停止情報を、時刻が新しい順に最 大 20 件 表示する。 停止履歴 自動運転中に発生した真空センサーに関するエラー 情報を 新しい順に 50 件表示す…

NPM-W2 EJM7DJ-MB-02O-00
第1階層 第2階層 第3階層 第4階層
2-2-2-2
コンベヤー
生産予定枚数に対する部品の消費量を事前に計算する。
生産計画
基板下受けピンユニットの交換動作
を行う。
基板位置の表示、それぞれの位置か
らの搬送を行う。
レール幅を調整する。
生産データとトレイの状態を色で表
示する。
トレイの状態を確認する。
生産中の吸着位置学習による補正値
をトレイアドレスごとに確認する。
トレイ
それぞれのノズル位置のマシンデータを表示する。
生産データとフィーダーの状態を色
で表示する。
部材準備
フィーダーの状態を確認する。
生産中の吸着位置学習による補正値
をフィーダーアドレスごとに確認す
る。
ノズル(装着ヘッド)
フィーダー
転写ユニットの操作を行う。
(転写ユニットを搭載したときに表示される)
ノズル(シリンジ含む)の交換作業を行う。
ノズル(塗布ヘッド)
下受けピン(自動交換用)の位置、本
数の確認を行う。(下受けピン自動
交換仕様のときに表示される。)

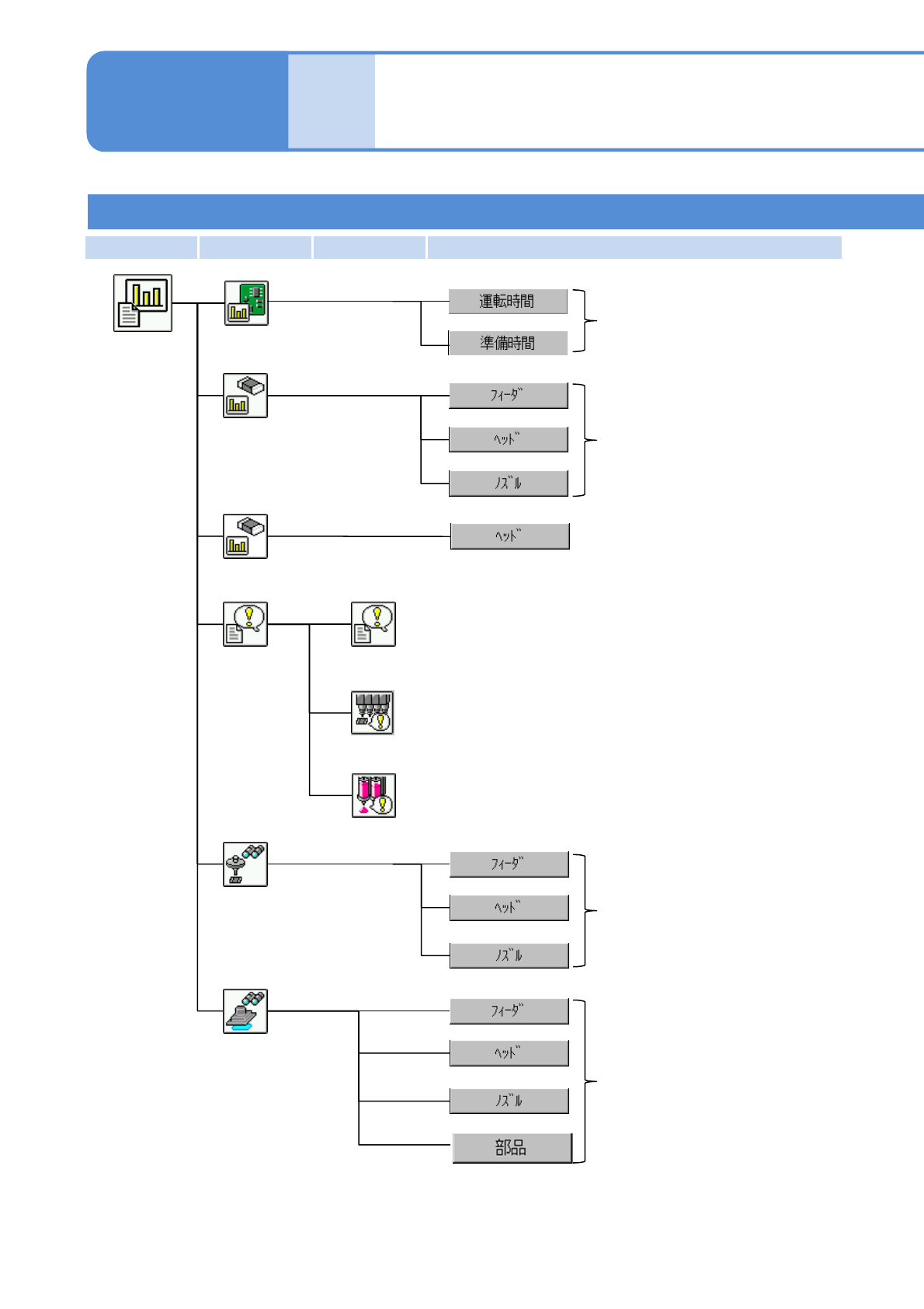
NPM-W2 EJM7DJ-MB-02O-00
第1階層 第2階層 第3階層 第4階層
2-2-2-3
オペレーターモード 2
各部の
名称
メニュー構成 2
操作編
2-2-2
吸着情報
生産情報
メニュー
ステージごとの稼働時間情報を
表示する。
非常停止エラーの停止情報を、時刻が新しい順に最大20件
表示する。
停止履歴
自動運転中に発生した真空センサーに関するエラー情報を
新しい順に50件表示する。
部品吸着情報を表示する。
履歴
吸着モニター
部品吸着情報を表示する。
稼働情報
真空センサーエラー履歴
塗布情報
自動運転中に発生した捨て打ち認識に関するエラー情報
を新しい順に50件表示する。
捨て打ち認識エラー履歴
部品検査情報を表示する。
検査情報
塗布(捨て打ち含む)情報を表示する。

NPM-W2 EJM7DJ-MB-02O-00
第1階層 第2階層 第3階層 第4階層
2-2-2-4
消耗パーツ交換
定期点検
周期ごとの点検項目と作業履歴を確認する。
消耗パーツの交換情報を表示する。
精度検証結果
精度検証結果を表示する。
メンテ
ナンス
メニュー
XYユニット
XYユニットのメンテナンス動作を行う。
ヘッド
ヘッドのメンテナンス動作を行う。
基板搬送のメンテナンス動作を行う。
コンベヤー
メンテ
ナンス
動作
トレイ
トレイフィーダーのメンテナンス動作を行う。
(トレイフィーダーをセットしたときに表示される)
お知らせ
カスタマイズされたオペレーターモードでは、第一階層の の操作ができます。
ヘッド(塗布ヘッド)
塗布ヘッドのメンテナンス動作を行う。