N7201A616J00.pdf - 第117页
NPM-W 2 EJM7DJ-MB-02O-0 0 第 1 階層 第 2 階層 第 3 階層 第 4 階層 2-2-2 -16 ヘッド ( 塗布ヘッド ) 原点のオフセットを確認する。 ヘッドの回転中心オフセットを確 認する。 ヘッドの角度ごとのオフセットを確 認する。 捨て打ちユニットの高さオフセット を確認する。 吸着位置のオフセットを確認する。 フィーダー スキージ軸、転写位置オフセットを 確認する。 トレイ 原点のオフセットを確…

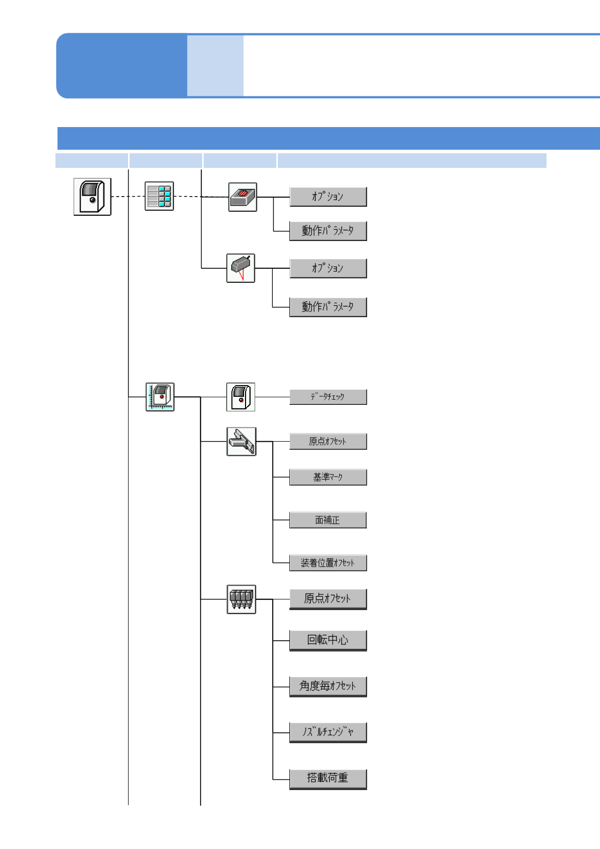
NPM-W2 EJM7DJ-MB-02O-00
第1階層 第2階層 第3階層 第4階層
データ確認の結果を確認する。
全体
パラメーター
パラメーターを設定する。
オプション機能を設定する。
高さセンサー
原点のオフセットを確認する。
XYユニットの基準マークのオフ
セットを確認する。
装着範囲を面補正するためのパラ
メーターを確認する。
装着位置のオフセットを確認する。
XYユニット
ヘッドの回転中心オフセットを確認
する。
ヘッドの角度ごとのオフセットを
確認する。
ヘッド原点のオフセットを確認する。
ノズルチェンジャーのオフセットを
確認する。
ヘッド
荷重制御のパラメーターを確認する。
2-2-2-15
(3ノズルヘッドを搭載したときに表示される。)
マシンメニュー
設定
エンジニアモード 6
各部の
名称
メニュー構成 8
操作編
2-2-2
パラメーターを設定する。
マルチ認識
カメラ
オプション機能を設定する。

NPM-W2 EJM7DJ-MB-02O-00
第1階層 第2階層 第3階層 第4階層
2-2-2-16
ヘッド
(塗布ヘッド)
原点のオフセットを確認する。
ヘッドの回転中心オフセットを確
認する。
ヘッドの角度ごとのオフセットを確
認する。
捨て打ちユニットの高さオフセット
を確認する。
吸着位置のオフセットを確認する。
フィーダー
スキージ軸、転写位置オフセットを
確認する。
トレイ
原点のオフセットを確認する。
吸着位置のオフセットを確認する。
原点のオフセットを確認する。
コンベヤー
基板制御位置のオフセットを確認
する。
検査ヘッド
カメラのXYのオフセット補正値を確
認する。
カメラのホワイトバランス補正値を
確認する。
ランプ値の補正量を確認する。
基準ポスト4点位置のオフセットを確
認する。
検査範囲を面補正にするパラメータ
を確認する。

NPM-W2 EJM7DJ-MB-02O-00
第1階層 第2階層 第3階層 第4階層
2-2-2-17
ヘッドカメラ、XY原点を計測する。
装着範囲のXY補正計算に必要な計測
を行う。
第1工程
Z軸の原点オフセットの計測と、装
着範囲の高さ補正計算に必要な計測
を行う。
幅寄せ軸の原点オフセットを設定す
る。
第2工程
荷重制御のパラメーターを設定する。
基板停止位置と装着高さのオフセッ
トを設定する。
高さセンサーの補正を行う。
(3ノズルヘッドのとき)
マシンメニュー
エンジニアモード 7
各部の
名称
メニュー構成 9
操作編
2-2-2
高さセンサーのオフセット補正係数
などを確認、入力する。
高さセンサー
キャリブ
レーション
パラメーター
ヘッドカメラのオフセット、スケー
ルなどを確認する。
認識装置に設定するランプ値を確認
する。
ヘッドカメラ
マルチ認識
カメラ
部品認識カメラのオフセット、倍率
などを確認する。
認識装置に設定するランプ値を確認
する。
認識装置に設定するランプ値を確認
し、入力する。