N7201A616J00.pdf - 第108页
NPM-W 2 EJM7DJ-MB-02O-0 0 第 1 階層 第 2 階層 第 3 階層 第 4 階層 エンジニアモード 2 吸着情報 生産情報 メニュー 非常停止エラーの停止情報を、時刻が新しい順に最 大 20 件 表示する。 停止履歴 自動運転中に発生した真空センサーに関するエラー 情報を 新しい順に 50 件表示する。 履歴 部品吸着情報を表示する。 稼働情報 真空センサーエラー履歴 2-2-2 -7 ステージごとの稼働時間情…

NPM-W2 EJM7DJ-MB-02O-00
第1階層 第2階層 第3階層 第4階層
2-2-2-6
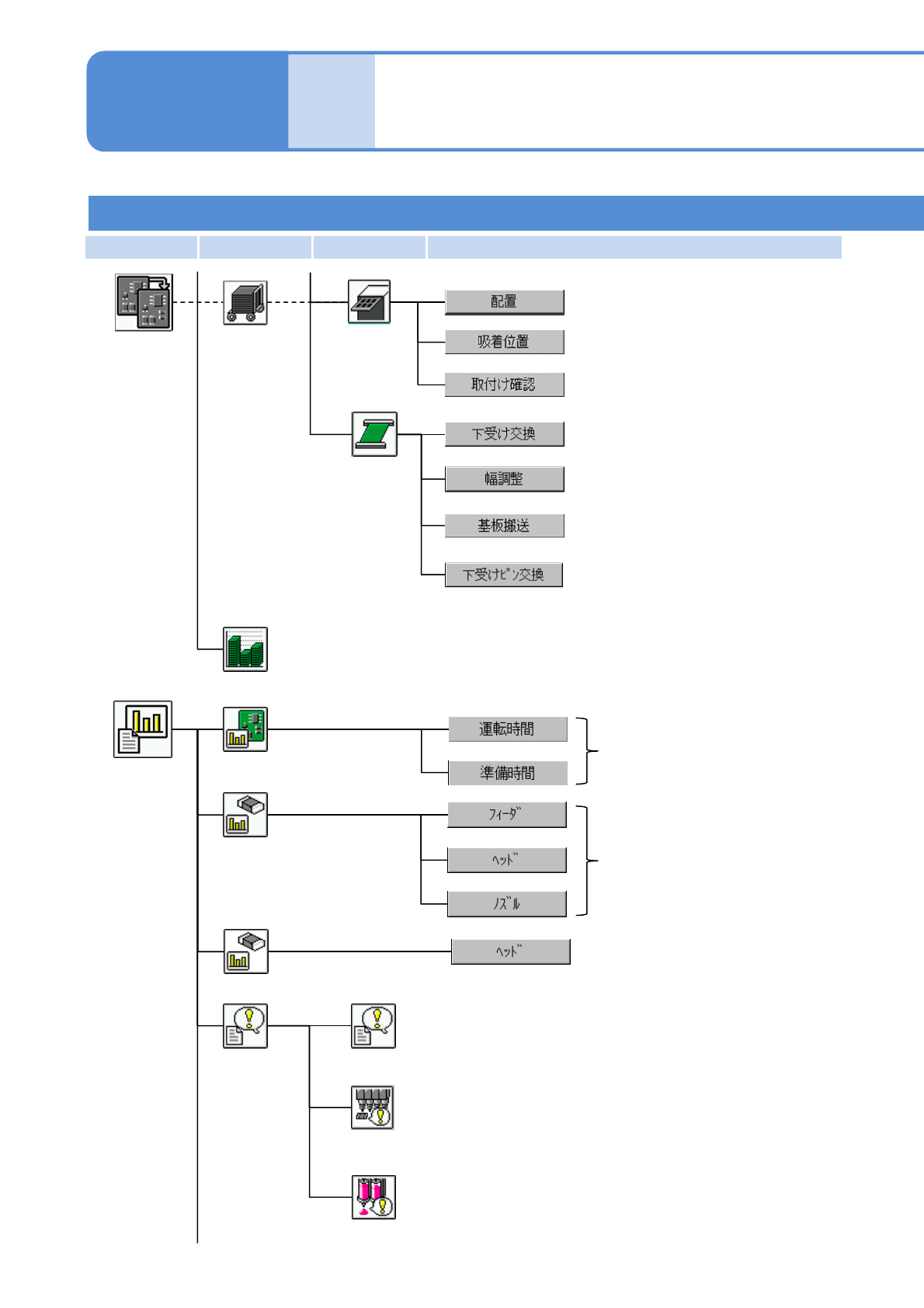
連続段取り
生産前の個別段取り作業を工程ごとに管理する。
マシンデータの読み込み、マシンパラメーターの保存など、ファイルを操作す
る。
ファイル操作
部材準備
段取り
メニュー
それぞれのノズル位置のマシンデータを表
示する。
ノズル
フィーダー
生産データとフィーダーの状態を色
で表示する。
フィーダーの状態を確認する。
生産中の吸着位置学習による補正値を
フィーダーアドレスごとに確認する。
転写ユニットの操作を行う。
(転写ユニットを搭載したときに表示される)
残数モニター
ライン上のそれぞれのテーブルの部品切れ情報を確認する。
吸着状況を確認する。
(塗布ヘッドのテーブルが選択されている場合には、運転中の塗布状況が
表示される。)
吸着モニター(塗布モニター)
状況モニター
運転中の生産情報、部品切れ、その他の状況を表示する。
生産メニュー
(生産中)
検査モニター
運転中の検査状況を表示する。
ノズル(シリンジ含む)の交換作業を行う。
ノズル(塗布ヘッド)
*1)
*2)

NPM-W2 EJM7DJ-MB-02O-00
第1階層 第2階層 第3階層 第4階層
エンジニアモード 2
吸着情報
生産情報
メニュー
非常停止エラーの停止情報を、時刻が新しい順に最大20件
表示する。
停止履歴
自動運転中に発生した真空センサーに関するエラー情報を
新しい順に50件表示する。
履歴
部品吸着情報を表示する。
稼働情報
真空センサーエラー履歴
2-2-2-7
ステージごとの稼働時間情報を
表示する。
各部の
名称
メニュー構成 4
操作編
2-2-2
生産予定枚数に対する部品の消費量を事前に計算する。
生産計画
コンベヤー
基板下受けピンユニットの交換動作
を行う。
基板位置の表示、それぞれの位置か
らの搬送を行う。
レール幅を調整する。
部材準備
段取り
メニュー
生産データとトレイの状態を色で表
示する。
トレイの状態を確認する。
生産中の吸着位置学習による補正値
をトレイアドレスごとに確認する。
塗布情報
自動運転中に発生した捨て打ち認識に関するエラー情報
を新しい順に50件表示する。
捨て打ち認識エラー履歴 (塗布ヘッド)
トレイ
塗布(捨て打ち含む)情報を表示する。
下受けピン(自動交換用)の位置、本
数の確認を行う。(下受けピン自動
交換仕様のときに表示される。)

NPM-W2 EJM7DJ-MB-02O-00
第1階層 第2階層 第3階層 第4階層
2-2-2-8
精度検証結果を表示する。
トレイ
トレイフィーダーのメンテナンス動作を行う。
(トレイフィーダーをセットしたときに表示される)
消耗パーツ
定期点検
周期ごとの点検項目と作業履歴を確認する。
消耗パーツの交換情報を表示する。
メンテナンス
メニュー
XYユニット
XYユニットのメンテナンス動作を行う。
ヘッド
ヘッドのメンテナンス動作を行う。
メンテナンス
動作
基板搬送のメンテナンス動作を行う。
コンベヤー
精度検証結果
部品吸着情報を表示する。
吸着モニター
部品検査情報を表示する。
検査情報
ヘッド(塗布ヘッド)
塗布ヘッドのメンテナンス動作を行う。