RS-1使用说明书.pdf - 第51页
第 1 部 基本篇 第 1 章 装置概要 1-32 主机正面左 侧的接口 表 No. 1 READY OUT + READY IN + 2 READY OUT - R EADY IN - ( GN D ) AMP 3 BOARD A V AILABLE I N + BOARD A V AILABLE O U T + 2 06043 - 1 4 BOARD A V AILABLE I N - ( GND ) BOARD A V AILAB…

第 1 部 基本篇 第 1 章 装置概要
1-31
1-4-1 与外部装置的接口
① 是 SMEMA 接口。用于主机装置联机使用,与其他装置连接时,传送方向为“左→右”与“右→
左”要分别按照各自相应方向连接。
② 是以太网接口(模块接口 8P)。
主机正面左侧 主机正面右侧
③ 是 USB(2 口)端口。Rev.C 以前的装置设置在正面右侧下方②的相同位置,Rev.D 以后的装置
设置在正面右侧电源开关的上方。
(使用闪存时,请在作业结束后再拔下闪存。)
主机正面右侧(Rev.C 以前) 主机正面右侧(Rev.D 以后)
①
②
③
③(Rev.C 以前)
③(Rev.D 以后)

第 1 部 基本篇 第 1 章 装置概要
1-32
主机正面左侧的接口表
No.
1
READY OUT + READY IN +
2
READY OUT - READY IN - (GND)
AMP
3
BOARD AVAILABLE IN + BOARD AVAILABLE OUT + 206043-1
4
BOARD AVAILABLE IN -
(GND)
BOARD AVAILABLE OUT -
5 N.C. N.C.
6 N.C. N.C.
电缆侧
7 N.C. N.C.
连接插头
8 N.C. N.C.
206044-1
9 N.C. N.C.
10 N.C. N.C.
11 N.C. N.C.
12 N.C. N.C.
13 N.C. N.C.
14 N.C. N.C.
主机正面右侧的接口表
No.
1
READY IN + READY OUT +
2
READY IN - (GND) READY OUT -
AMP
3
BOARD AVAILABLE OUT + BOARD AVAILABLE IN + 206043-1
4
BOARD AVAILABLE OUT - BOARD AVAILABLE IN -
(GND)
5 N.C. N.C.
6 N.C. N.C.
电缆侧
7 N.C. N.C.
连接插头
8 N.C. N.C.
206044-1
9 N.C. N.C.
10 N.C. N.C.
11 N.C. N.C.
12 N.C. N.C.
13 N.C. N.C.
14 N.C. N.C.

第 1 部 基本篇 第 1 章 装置概要
1-33
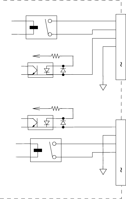
◇ READY OUT(IN) 及 BOARD AVAILABLE 信号的接口电路,参见下图。
依据 SMEMA 规格。
GND
(
24V
)
+
+
24
V
_
3.3K 1/4W
READY OUT
+
BOA
R
D AVAILABLE IN
+
READY OUT
-
BOA
R
D AVAILABLE IN
-
N.C.
1
2
3
4
5
14
READY IN +
BOARD AVAILABLE OUT +
READY IN
-
BOA
R
D AVAILABLE OUT
-
N.C.
1
2
3
4
5
14
+
24
V
_
3.3K 1/4W
+
GND
(
24V
)