Q170226E01.pdf - 第135页
RH5 5.1 1 Insertion Head Center Position Check and Adjustment SERVICE MANUAL 5.1 1−4 DA3SEC−83−8T O−A0 = MEMO =

5.11 Insertion Head Center Position Check and Adjustment
SERVICE MANUAL
RH5
5.11−3
DA3SEC−83−8TO−A0
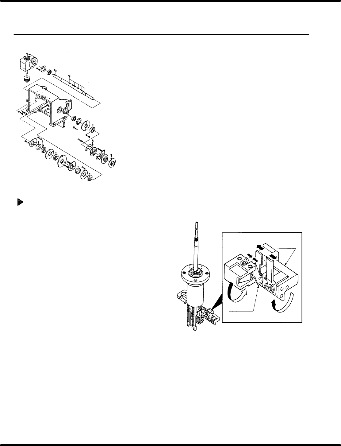
Transfer chuck centering
1. Loosen the bolts (x 4) fixing the bearing in
place.
Then move the bearing left and right until
centered.
2. After adjusting, check centering again.
3. Check the transfer chuck and cutter are
centered and adjust when necessary.
4. Check the positions of the transfer chuck
and the parts feeder. When necessary,
adjust the origin position of the parts feeder.
Bolt
Bearing

RH5
5.11 Insertion Head Center Position Check and Adjustment
SERVICE MANUAL
5.11−4
DA3SEC−83−8TO−A0
= MEMO =

5.12 Insertion Head Chuck Opening/Closing Timing Check/Adjustment
SERVICE MANUAL
RH5
5.12−1
DA3SEC−83−8UO−A0
5.12 Insertion Head Chuck Opening/Closing Timing
Check/Adjustment
DA3SEC−83−8UO−A0
Sentence No.
When to perform
x When insertion errors occur
frequently.
x Allen wrench
Required tools
Transfer chuck and insertion chuck
timing check
1. In SEMI mode, turn ON BRAKE RELEASE
switch . Turn the hand wheel to check that the
insertion chuck closes at the position between
81q and 83q and the transfer chuck opens
between 85q and 87q on the digital sequence
timer.
=CHECK=
Be sure to select SEMI mode when
checking the transfer chuck timing since it
differs depending on the mode (MANUAL,
AUTO or SEMI).
Insertion
chuck
Transfer
chuck