RS-1R使用说明书.pdf - 第53页
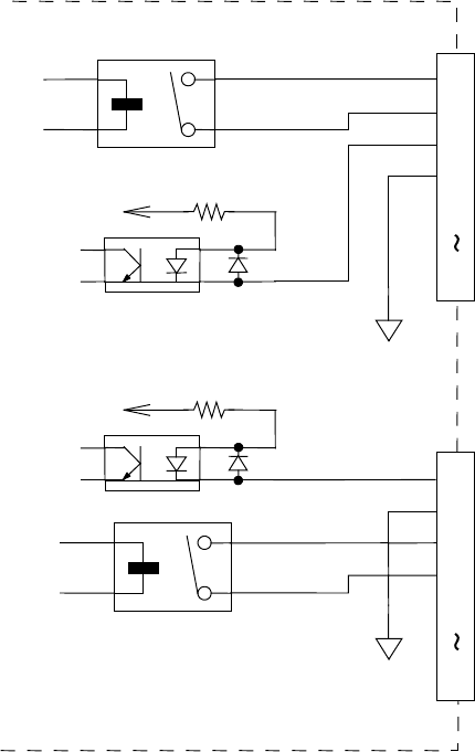
第 1 部 基本篇 第 1 章 装置概要 1- 34 ◇ READY OUT( IN) 及 BOA R D A V AILABLE 信号的接口电路,参 见下图。 依据 S MEMA 规 格。 GND ( 24V ) + + 24 V _ 3.3K 1/4W READY OUT + BOAR D A V AILABLE IN + READY OUT - BOAR D A V AILABLE IN - N.C. 1 2 3 4 5 14 R…

第 1 部 基本篇 第 1 章 装置概要
1-33
①
②
③
主机正面左侧 (XL) 主机正面右侧 (XL)
主机正面左侧的接口表
No.
信号名 传送方向 向右流向
信号名 传送方向 向左流向
使用的接口
1
READY OUT
+
READY IN
+
AMP
206043-1
电缆侧
连接插头
206044-1
2
READY OUT
-
READY IN
-
(
GND
)
3
BOARD AVAILABLE IN
+
BOARD AVAILABLE OUT
+
4
BOARD AVAILABLE IN
-
(GND)
BOARD AVAILABLE OUT
-
5
N.C.
N.C.
6
N.C.
N.C.
7
N.C.
N.C.
8
N.C.
N.C.
9
N.C.
N.C.
10
N.C.
N.C.
11
N.C.
N.C.
12
N.C.
N.C.
13
N.C.
N.C.
14
N.C.
N.C.
主机正面右侧的接口表
No.
信号名 传送方向 向右流向
信号名 传送方向 向左流向
使用的接口
1
READY IN
+
READY OUT
+
AMP
206043-1
电缆侧
连接插头
206044-1
2
READY IN
-
(
GND
)
READY OUT
-
3
BOARD AVAILABLE OUT
+
BOARD AVAILABLE IN
+
4
BOARD AVAILABLE OUT
-
BOARD AVAILABLE IN
-
(GND)
5
N.C.
N.C.
6
N.C.
N.C.
7
N.C.
N.C.
8
N.C.
N.C.
9
N.C.
N.C.
10
N.C.
N.C.
11
N.C.
N.C.
12
N.C.
N.C.
13
N.C.
N.C.
14
N.C.
N.C.

第 1 部 基本篇 第 1 章 装置概要
1-34
◇ READY OUT(IN) 及 BOARD AVAILABLE 信号的接口电路,参见下图。
依据 SMEMA 规格。
GND(24V)
+
+ 24V_
3.3K 1/4W
READY OUT +
BOARD AVAILABLE IN +
READY OUT -
BOARD AVAILABLE IN -
N.C.
1
2
3
4
5
14
READY IN +
BOARD AVAILABLE OUT +
READY IN -
BOARD AVAILABLE OUT -
N.C.
1
2
3
4
5
14
+ 24V_
3.3K 1/4W
+
GND(24V)

第 1 部 基本篇 第 1 章 装置概要
1-35
1-5 对象元件及元件包装方式
(1) 适用元件尺寸
RS-1/1R 单位:mm
识别方法
适用尺寸
备注
×
激光识别 LNC120-8(注 4) 03015~□50
注:
03015
因元件形状造成识别不稳
定(不能正常显示轮廓等)时,请使
用
VCS
(
10mm
视野相机)(
OP
)
图像统一识别
(注 1)
54mm 视野摄像机
(注 2)
反射照明
□
3.0
~□
50.0
塑封尺寸□1.7 mm 以上
透过照明
□
3.0
~□
50.0
27 mm view
camera
反射照明
1005
~□
24.0
透过照明
□
3.0
~□
24
10 mm view
camera
反射照明
0.25x0.125
~□
8
透过照明
□
3
~□
8
图像分割识别
(注 1)
54mm 视野摄像机
反射照明
最大:
50
×
150
(
1
×
3
分割时)
□
74
(
2
×
2
分割时
)
塑封尺寸□1.7 mm 以上
透过照明 最大:50×120(1×3 分割时)
塑封尺寸□
1.7 mm
以上
短边应在
17mm
以上
27 mm view
camera
反射照明
~
24x72
(
1x3
分割)
~
□48
(
2x2
分割)
10 mm view
camera
反射照明 ~□16(2x2 分割)
激光识别 LNC120-8
类别 1 0.05~1 参照“(2)激光识别元件的识别高度”
类别 3 0.05~3
类别 6 0.05~6
类别 12 0.05~12
类别 20 0.05~20
类别 25 0.05~25
图像统一识别
54mm 视野摄像机 0.01~25
关于元件尺寸和高度的限制,
参 照“ (3)
图像识别元件的识别高度”
27 mm view camera 0.01~25
10 mm view camera
0.01
~
25
图像分割识别
54mm 视野摄像机
对角
86
不到
0.01
~
25
对角
86
以上
0.01
~
2.0
或
10.0
27 mm view camera
0.01
~
25
10 mm view camera
0.01
~
25
引脚间距
激光识别
LNC120-8
0.65 以上
如用激光识别,不能识别引脚间距、
球脚间距。
VCS 识别
(注 3)
54mm
视野摄像机
0.38
~
2.54
27 mm view camera
0.20
~
2.54
10 mm view camera
0.2
~
0.5
球间距
激光识别
LNC120-8
1.00~3.00
如用激光识别,不能识别引脚间距、
球脚间距。
VCS 识别
(注 3)
54mm
视野摄像机
0.50
~
3.00
27 mm view camera
0.25
~
2
10 mm view camera
0.1
~
0.5
球径
VCS 识别
(注 3)
54mm 视野摄像机
φ 0.3
~
φ1.0
27 mm view camera
φ 0.10
~
φ0.63
10 mm view camera
φ 0.04
~
0.2
引脚长度
VCS
识别
(注
3
)
54mm 视野摄像机 0.4~
除了引脚前端形状为平的之外,不属
于精度保证范围。