JM-50使用说明书.pdf - 第130页
第 1 部 基本篇 第 2 章 生产 2- 32 2- 8 生产画面 2-8- 1 生产画面的启动 从 主画面的菜 单选择 [ 生产 ]-[ 基板生产 ] ,或 用程序 快捷方式 的 [ 基板生 产 ] , 则会显示如下 的生产 条件 设置 画面。 请 指定生 产条件 ( 参见「 2- 8- 2 生产条件画面」 ) 。

第 1 部 基本篇 第 2 章 生产
2-31
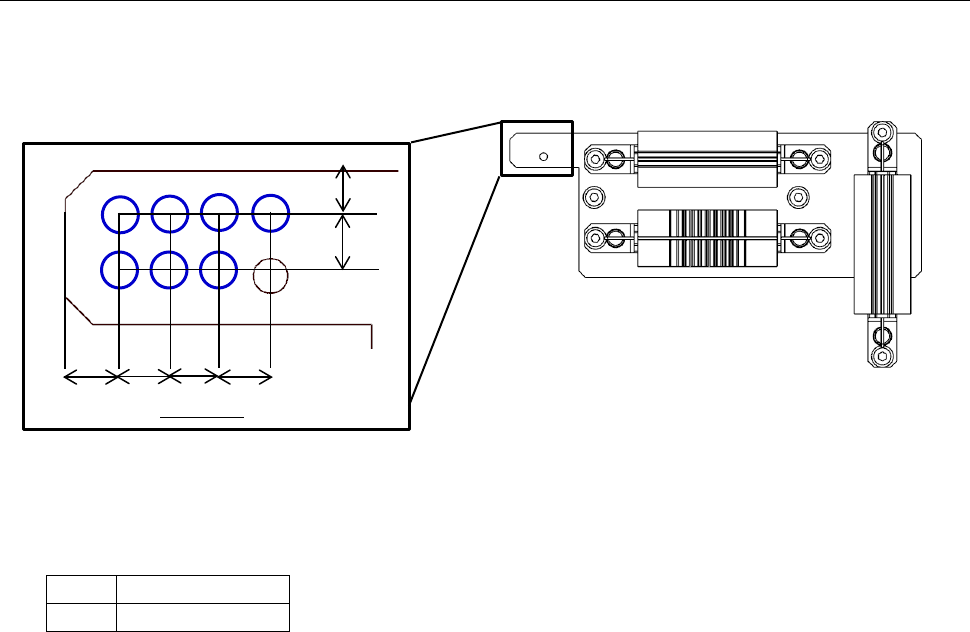
2-7-4 准备多针引脚矫正治具
如下图所示,各治具设置了识别孔。
请事先通过识别孔对所使用的治具进行识别。
识别孔的编号方法和识别方法如下所示。
治具编号(10 进制)和识别编号(2 进制),是将 10 进制转换为 2 进制后可以进行确认。
有 8 个孔,可以对应 256 个编号。
参考) (10 进制)→(2 进制)・・・治具孔→●・・・・・・・・
○: 开孔
●: 不开孔
⑧
⑦
⑥
⑤
④
③
②
①
2
8
2
7
2
6
2
5
2
4
2
3
2
2
2
1
0
→
0
・・・・・・ 治具孔→
●
●
●
●
●
●
●
●
1
→
1
・・・・・・ 治具孔→
●
●
●
●
●
●
●
○
2
→
10
・・・・・・ 治具孔→
●
●
●
●
●
●
○
●
3
→
11
・・・・・・ 治具孔→
●
●
●
●
●
●
○
○
4
→
100
・・・・・・ 治具孔→
●
●
●
●
●
○
●
●
5
→
101
・・・・・・ 治具孔→
●
●
●
●
●
○
●
○
6
→
110
・・・・・・ 治具孔→
●
●
●
●
●
○
○
●
7
→
111
・・・・・・ 治具孔→
●
●
●
●
●
○
○
○
8
→
1000
・・・・・・ 治具孔→
●
●
●
●
○
●
●
●
9
→
1001
・・・・・・ 治具孔→
●
●
●
●
○
●
●
○
10
→
1010
・・・・・・ 治具孔→
●
●
●
●
○
●
○
●
例如 17(10 进制),对应 10001(2 进制)
→转换方法
10 进制的 17,由 10
1
→1 和 10
0
→7 构成。
2 进制的位为 2
n
构成,
2
4
=16 2
3
=8 2
2
=4 2
1
=2 2
0
=1
17 转换为 2 进制时,为 1 0 0 0 1=10001。
2
①
③
②
④
⑤
⑥
⑦
⑧
编号方法
2.8mm
4mm
4mm
4mm
4mm
4mm

第 1 部 基本篇 第 2 章 生产
2-33
2-8-2 生产条件画面
启动生产后,会显示设置生产条件的画面。
在「基板生产」、「试打」、「空打」各种生产模式中,分别设定各自的生产条件。
● 共同项目:与「基板生产」、「试打」、「空打」模式无关,均为共同项目。
● 个别设定项目:选择「基板生产」、「试打」、「空打」,设置具体条件。
共通项目
个别设置项目
