JM-50使用说明书.pdf - 第45页
第 1 部 基本篇 第 1 章 装置概要 1- 28 1-4- 1 与外部装置的接口 ① 是 USB 连接器,相当 于 USB 2.0 。 (使用闪存时, 请务必在完成工作后拔下 插 头 。) ② 是在线使用主机时与其他 设备连接的现成( in )连接器 ( 14 针 )。 连接到主机上游 侧的机器时,将其连接 到 JOIN T I N (左侧连接器) 。 连接到主机下游 侧的机器时,将其连接 到 JOIN T O UT (右侧的连接 …

第 1 部 基本篇 第 1 章 装置概要
1-27
1-4 电气规格
(1) 控制方式
项目
控制方式
分辨度
X-Y
采用A
C
伺服马达的半闭环方式
1μm
机种名称 控制方式 分辨度
Z
采用AC 伺服马达的半闭环方式
1.25μm
θ
0.005°
ZA
1.25μm
(2)
主机 CPU
Intel® Celeron
(3)
显示器
15英寸(SVGA模式液晶显示器)对应触摸屏
(4)
数据及程序的输入输出
可通过触摸屏从软键盘手动输入。
使用USB闪存转移程序创建的数据。
与
提高车间生产性支持系统连接时,可通过LAN接口进行数据通讯。
(5) USB
端口
可与外部驱动器、外部存储装置连接。
(6)
电源
电压(三相) : AC200V、220V、240V、380V、400V、415V (标准、EN规格)
AC200V (基本规格)
电压允许范围 : ±10% (相对于额定电压)
视在功率 : 2.2kVA
频率 : 50 / 60Hz
短路电流额定值 : 1 kA
接地系统 : TN-S
电缆尺寸 : 5.5mm
2
以上
保护接地导线尺寸 : 5.5mm
2
以上
(7)
停电时的保护(不间断电源装置)
本机为了防止由于停电造成计算机数据的损坏和丢失,装备了对应不间断电源装置的ATX电源。
ATX电源作为备用电源,使用的电池设置为电池用完前停止系统运行。因此,停电时能安全可靠地
停止系统,不会导致数据的损坏和丢失。

第 1 部 基本篇 第 1 章 装置概要
1-28
1-4-1 与外部装置的接口
① 是 USB 连接器,相当于 USB 2.0。
(使用闪存时,请务必在完成工作后拔下插头 。)
② 是在线使用主机时与其他设备连接的现成(in)连接器(14 针 )。
连接到主机上游侧的机器时,将其连接到 JOINT IN(左侧连接器)。
连接到主机下游侧的机器时,将其连接到 JOINT OUT(右侧的连接器)。
③ 是以太网连接器(模块化连接器 8P)。
主机正的接口表
No.
信号名 传送方向 向右流向
信号名 传送方向 向左流向
使用的接口
1
READY OUT
+
READY IN
+
AMP
206043-1
电缆侧
连接插头
206044-1
2
READY OUT
-
READY IN
-
(
GND
)
3
BOARD AVAILABLE IN
+
BOARD AVAILABLE OUT
+
4
BOARD AVAILABLE IN
-
(
GND
)
BOARD AVAILABLE OUT
-
5
N.C.
N.C.
6
N.C.
N.C.
7
N.C.
N.C.
8
N.C.
N.C.
9
N.C.
N.C.
10
N.C.
N.C.
11
N.C.
N.C.
12
N.C.
N.C.
13
N.C.
N.C.
14
N.C.
N.C.
①
②
③

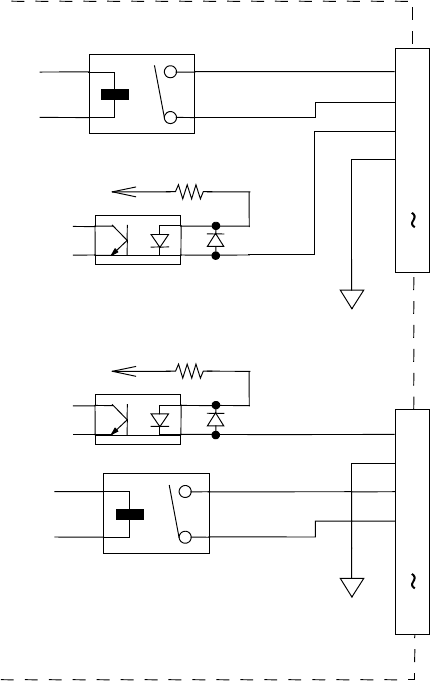
第 1 部 基本篇 第 1 章 装置概要
1-29
◇ READY OUT(IN) 及 BOARD AVAILABLE 信号的接口电路,参见下图。
依据SMEMA规格。
GND(24V)
+
+ 24V_
3.3K 1/4W
READY OUT +
BOARD AVAILABLE IN +
READY OUT -
BOARD AVAILABLE IN -
N.C.
1
2
3
4
5
14
READY IN +
BOARD AVAILABLE OUT +
READY IN -
BOARD AVAILABLE OUT -
N.C.
1
2
3
4
5
14
+ 24V
_
3.3K 1/4W
+
GND
(
24V)