RX-6 使用说明书 用户使用 Rev11.pdf - 第345页
操作手册 I 3- 54 b - 负压 真空泵 弯管接头 12 插头 φ8 直通接头 直通接头 直通接头 直通接头 Head 电磁阀 Front 多支管 插头 φ8 直通接头 节流器 插头 φ12 空气 (N) 传感器 电缆(组) 节流器 CAL Front 转换接头 直通接头 M5 插头 Head 电磁阀 Rear

操作手册 I
3-53
3-8 管道系统图
(1) 管道系統图(主机)
a-
(正气压)
插头φ12
节流器
VCS
节流器
切带器
插头φ8
节流器
节流器
节流器
节流器
节流器
弯管接头
12
直通接头
Head
电磁阀
Rear
节流器
ATC
Rear
节流器
ATC
Front
台架上升气缸
Front(OP)
Y型三通接头
MTS
旋转焊锡转印
装置
供气
插头
节流器
传送
Front
多支管
插头φ8
指状阀
切带器
空气(
P)传感器
电缆(组)
直接连接
旋转焊锡转印装置
Front
VCS
直通接头
Head
电磁阀
Front
电磁阀
(上部护罩)
护罩锁定气缸
(上部护罩)
插头φ8
气源处理联件
弯管接头12
护罩锁定气缸
(上部护罩)
插头φ8
节流器
台架上升气缸
Rear(OP
)
节流器
电磁阀
(上部护罩)
节流器
前侧
后侧

操作手册 I
3-54
b-负压
真空泵
弯管接头
12
插头φ8
直通接头
直通接头
直通接头
直通接头
Head电磁阀
Front
多支管
插头φ8
直通接头
节流器
插头φ12
空气
(N)传感器
电缆(组)
节流器
CAL
Front
转换接头
直通接头
M5
插头
Head电磁阀
Rear

操作手册 I
3-55
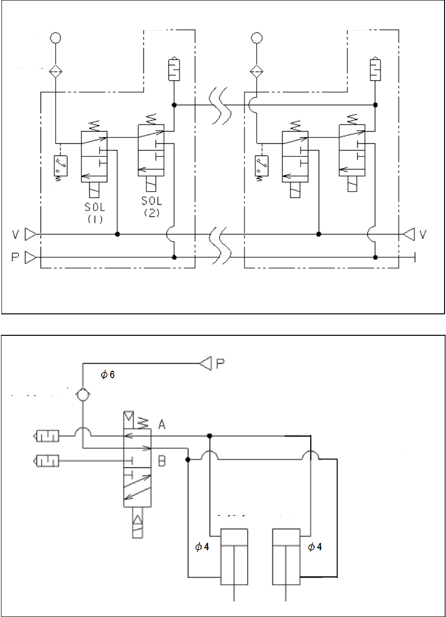
(2)
管道系统图(
Head
)
第
7
排
第
1
排
过滤器
吸嘴
压力
传感器
V:来自负压(
φ
8)真空泵 V:来自负压(
φ
8)真空泵
P:来自正压(
φ
8)真空泵
大气开放
检查阀
P:来自正压(
φ
6)空气单元
气缸 气缸