RX-6 使用说明书 用户使用 Rev11.pdf - 第54页
第 1 部 基本篇 第 1 章 装置概要 1- 37 主机正面左侧的 接口表 No. 通道 信号名 传送方向 向右流向 信号名 传送方向 向左流向 使用的接口 1 单 / 双 前 READY OUT + READY IN + 2 READY OUT - READY IN - ( GND ) AMP 3 BOAR D AVAILABLE IN + BOAR D AVAILABLE OUT + 206043 - 1 4 BOAR D AVA…

第 1 部 基本篇 第 1 章 装置概要
1-36
1-4-1 与外部装置的接口
① 是 SMEMA 接口。用于主机装置联机使用,与其他装置连接时,传送方向为“左→右”与“右→左”
要分别按照各自相应方向连接。
① 是以太网接口(模块接口 8P)。 提高车间生产性支持系统用。
② 是 USB(2 口)端口。
(使用闪存时,请在作业结束后再拔下闪存。)
主机正面左侧 主机正面右侧
①
②
③

第 1 部 基本篇 第 1 章 装置概要
1-37
主机正面左侧的接口表
No.
通道
信号名 传送方向 向右流向
信号名 传送方向 向左流向
使用的接口
1 单
/
双
前
READY OUT + READY IN +
2 READY OUT - READY IN - (GND) AMP
3 BOARD AVAILABLE IN + BOARD AVAILABLE OUT + 206043-1
4 BOARD AVAILABLE IN - (GND)
BOARD AVAILABLE OUT -
5 N.C. N.C.
6 N.C. N.C. 电缆侧
7 N.C. N.C. 连接插头
8 N.C. N.C. 206044-1
9 双
后
READY OUT + READY IN +
10 READY OUT - READY IN - (GND)
11 BOARD AVAILABLE IN + BOARD AVAILABLE OUT +
12 BOARD AVAILABLE IN - (GND)
BOARD AVAILABLE OUT -
13 N.C. N.C.
14 N.C. N.C.
主机正面右侧的接口表
No.
通道
信号名 传送方向 向右流向
信号名 传送方向 向左流向
使用的接口
1 单
/
双
前
READY IN + READY OUT +
2 READY IN - (GND) READY OUT - AMP
3 BOARD AVAILABLE OUT + BOARD AVAILABLE IN + 206043-1
4 BOARD AVAILABLE OUT - BOARD AVAILABLE IN -(GND)
5 N.C. N.C.
6 N.C. N.C. 电缆侧
7 N.C. N.C. 连接插头
8 N.C. N.C. 206044-1
9 双
后
READY IN + READY OUT +
10 READY IN - (GND) READY OUT -
11 BOARD AVAILABLE OUT + BOARD AVAILABLE IN +
12 BOARD AVAILABLE OUT - BOARD AVAILABLE IN - (GND)
13 N.C. N.C.
14 N.C. N.C.

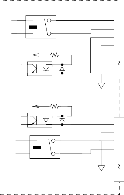
第 1 部 基本篇 第 1 章 装置概要
1-38
◇ READY OUT(IN) 及 BOARD AVAILABLE 信号的接口电路,参见下图。
依据 SMEMA 规格。
GND(24V)
+
+
24V_
3.3K 1/4W
READY OUT +
BOARD AVAILABLE IN +
READY OUT -
BOARD AVAILABLE IN -
N.C.
1
2
3
4
5
14
READY IN +
BOARD AVAILABLE OUT +
READY IN
-
BOARD AVAILABLE OUT -
N.C.
1
2
3
4
5
14
+ 24V_
3.3K 1/4W
+
GND(
24V
)