RX-6 使用说明书 用户使用 Rev11.pdf - 第348页
操作手册 I 3- 57 (4) 管道系统图 ( 切带器, 2 处通用 ) No. 件号 品名 ① P A80060010 0 AIR CYLINDER ② 40093976 SPEED_C ONTROLLER ③ PV155207 000 SOLENO ID V AL VE ④ PX055104 000 SILENCE R 切断方向 φ 6 φ 6 切断方向 前后通用

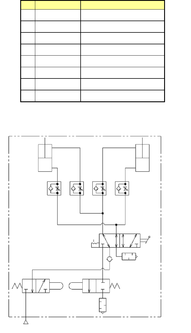
操作手册 I
3-56
(3)
管道系统图(统一更换台)
No.
件号
品名
①
PA800750100
AIR CYLINDER
②
PA800750200
AIR CYLINDER
③
PV015125000
MANUAL VALVE
④
PV025103000
CHECK VALVE
⑤
40093976
SP
EED_CONTROLLER
⑥
PX055104000
SILENCER
⑦
PV010505100
MECHANICAL VALVE
⑧
PV010505000
MECHANICAL VALVE
<
电动更换台专用规格
>
前后通用

操作手册 I
3-57
(4)
管道系统图
(
切带器,
2
处通用
)
No.
件号
品名
①
PA800600100 AIR CYLINDER
②
40093976 SPEED_CONTROLLER
③
PV155207000 SOLENOID VALVE
④
PX055104000 SILENCER
切断方向
φ6
φ6
切断方向
前后通用

第 1 部 基本篇 第 4 章 制作生产程序
4-1
第
4
章
制作生产程序
4-1 流程图
本章将对 No8 进行说明。同时,也将对 No9 的“校正”部分予以说明。
No.
生产流程图
备注
1
确认 ATC
周围的状况,进行日常检查。
2
确认主气压(0.5MPa)。
3
在实施前确认装置内部是否有异物等。
4
节假日后或寒冷地区,必须进行预热
(10
分钟左右
)
。
5
6
如果因日常检查、设置基板时清扫吸
嘴、改变基准销位置等而改变了机器
的初始设置状态时,请重新进行「机
器设置」。
(
参见
“
第
8
章
机器设置
”)
7
参见
“
第
5
章
数据库
”
8
9
发生贴片位置偏移、定心不良等贴片
不正常时,可在「编辑程序」中进行
校正。部分元件数据可在「生产」中
进行校正。
10
11
12
13
定期实施。
(
参见
“
第
3
章
维护
”)
调整
机器设置
制作元件数据库
检查贴片
有错误贴片
无错误贴片
必要
不必要
不必要
必要
检查设备
接通电源
返回原点
预热
设置基板
在“机器设置”中
设置变更部分
在数据库中
制作元件数据
<制作、编辑生产程序>
●基板数据
●贴片数据
●元件数据
●吸取数据
校正
生产
结束生产
关闭电源
日常检查